GM Service Manual Online
For 1990-2009 cars only
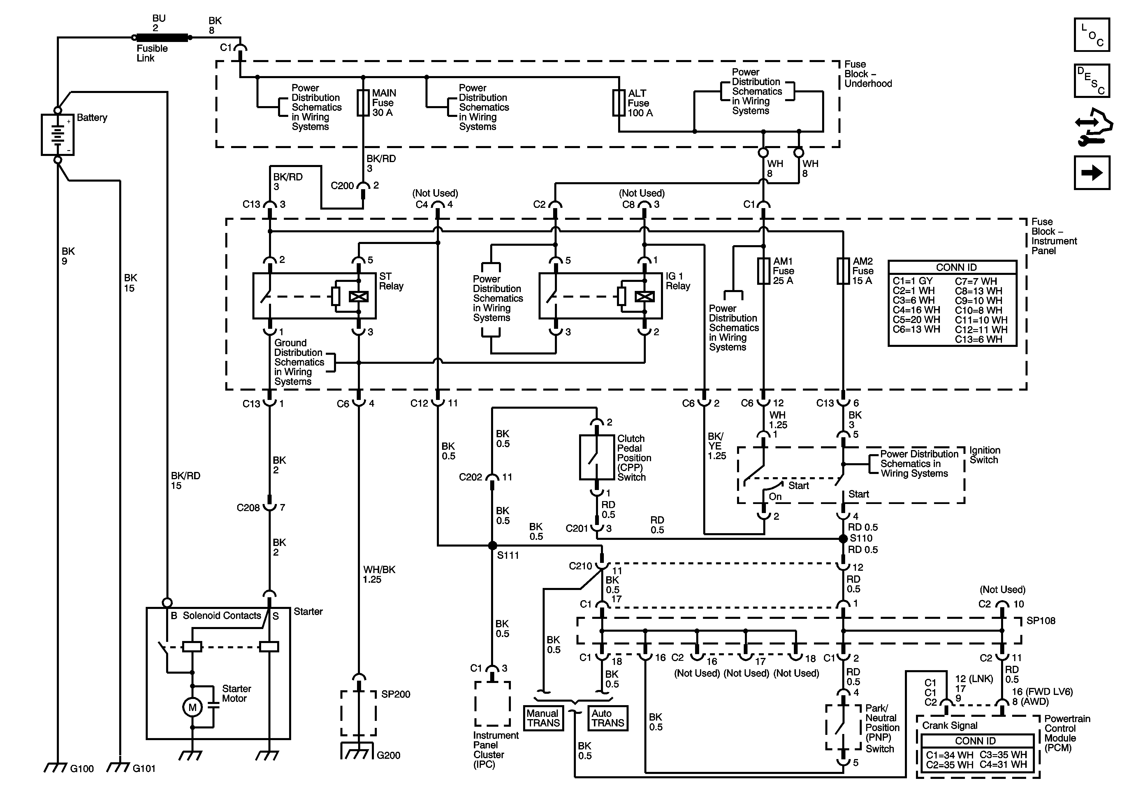
Figure 1:

Starting System


Object Number: 1424558  Size: FS
Master Electrical Component List
Starting System Description and Operation
Control Module References
Starting System with Theft Deterent
Air Pump, ETCS, Head, Alt S, EFI, EFI 2, Hazard Fuses
Horn, Dome, Main, Amp, Onstar Fuses
Alt, ABS 1 and 2, RDI Fan, Fog Fuses
Fuse Block - Instrument Panel
Wash, RR Wip, Wiper, ECU-IG, Gauge, Heater, DEF Fuses
Power, AM 1, Door, Tail, P/Point, ECU-B, Stop, OBD, INV, Fuses
Ignition Switch (1 of 2)
SP201 and G201
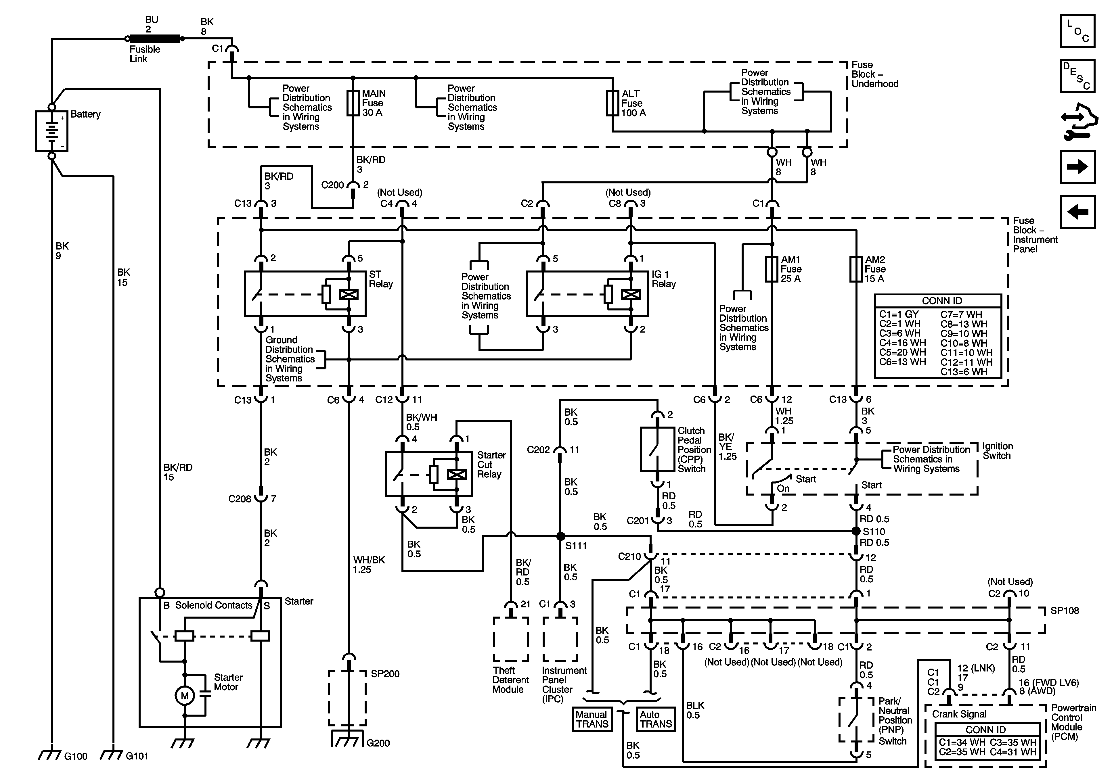
Figure 2:

Starting System with Theft Deterrent


Object Number: 1424559  Size: FS
Master Electrical Component List
Transmission General Description
Control Module References
Charging System
Starting System
Air Pump, ETCS, Head, Alt S, EFI, EFI 2, Hazard Fuses
Horn, Dome, Main, Amp, Onstar Fuses
Alt, ABS 1 and 2, RDI Fan, Fog Fuses
Fuse Block - Instrument Panel
Wash, RR Wip, Wiper, ECU-IG, Gauge, Heater, DEF Fuses
Power, AM 1, Door, Tail, P/Point, ECU-B, Stop, OBD, INV, Fuses
Ignition Switch (1 of 2)
SP201 and G201
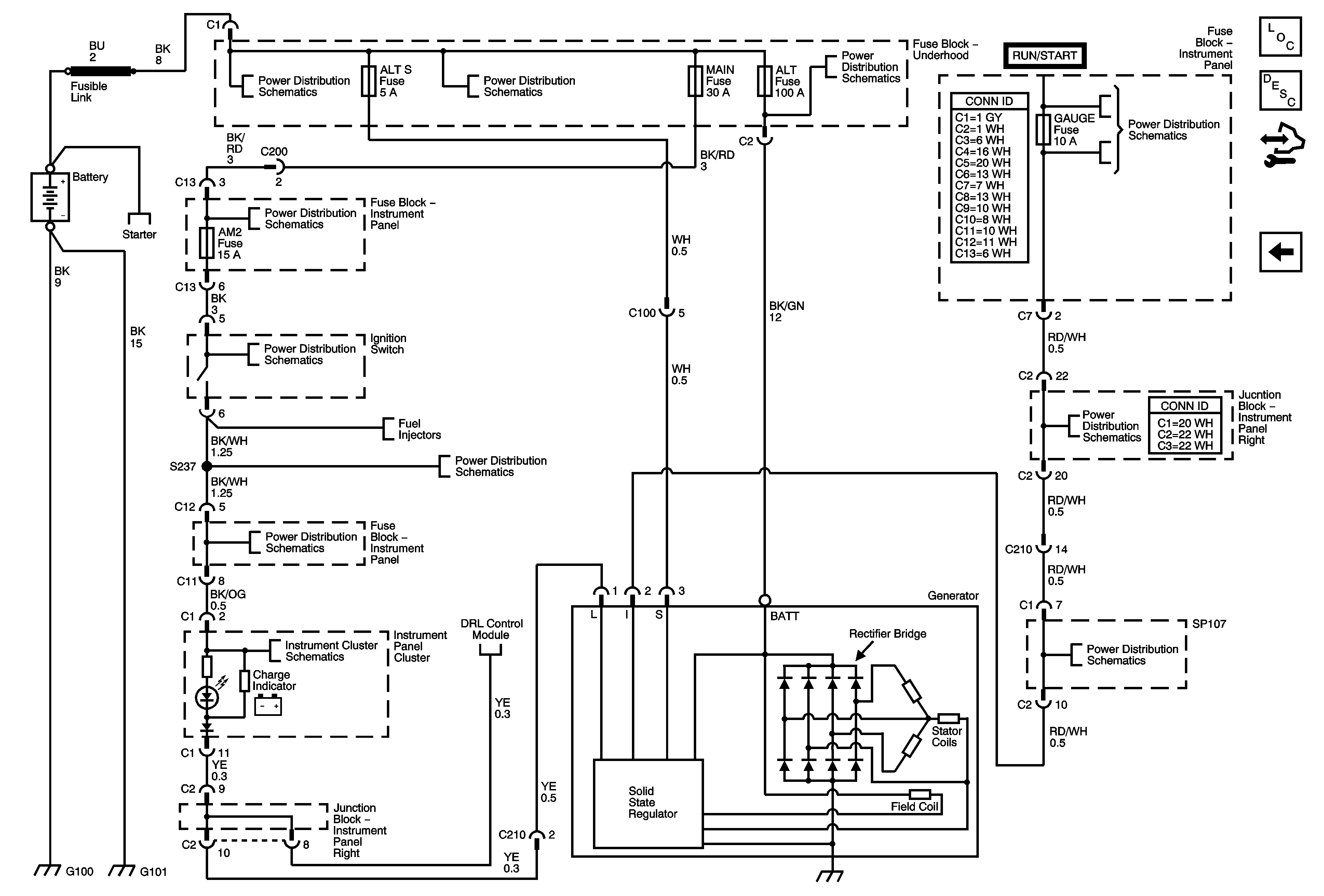
Figure 3:

Charging System


Object Number: 1424560  Size: FS
Master Electrical Component List
Charging System Description and Operation
Control Module References
Starting System with Theft Deterent
Air Pump, ETCS, Head, Alt S, EFI, EFI 2, Hazard Fuses
Air Pump, ETCS, Head, Alt S, EFI, EFI 2, Hazard Fuses
Alt, ABS 1 and 2, RDI Fan, Fog Fuses
Wash, RR Wip, Wiper, ECU-IG, Gauge, Heater, DEF Fuses
Horn, Dome, Main, Amp, Onstar Fuses
Ignition Switch (1 of 2)
Ignition Switch (2 of 2)
Charge, Air Bag, Malfunction, O/D OFF, Cruise Indicators
Daytime Running Lamp (DRL) Control Module Power and Ground
Junction Block - Instrument Panel Right
Junction Block - Instrument Panel Right