GM Service Manual Online
For 1990-2009 cars only
Makes
🢒
Pontiac
🢒
2005
🢒
Vibe - FWD
🢒
Vehicle Control Systems
🢒
Computer/Integrating Systems
🢒 Data Link Connector Schematics
Figure
1:
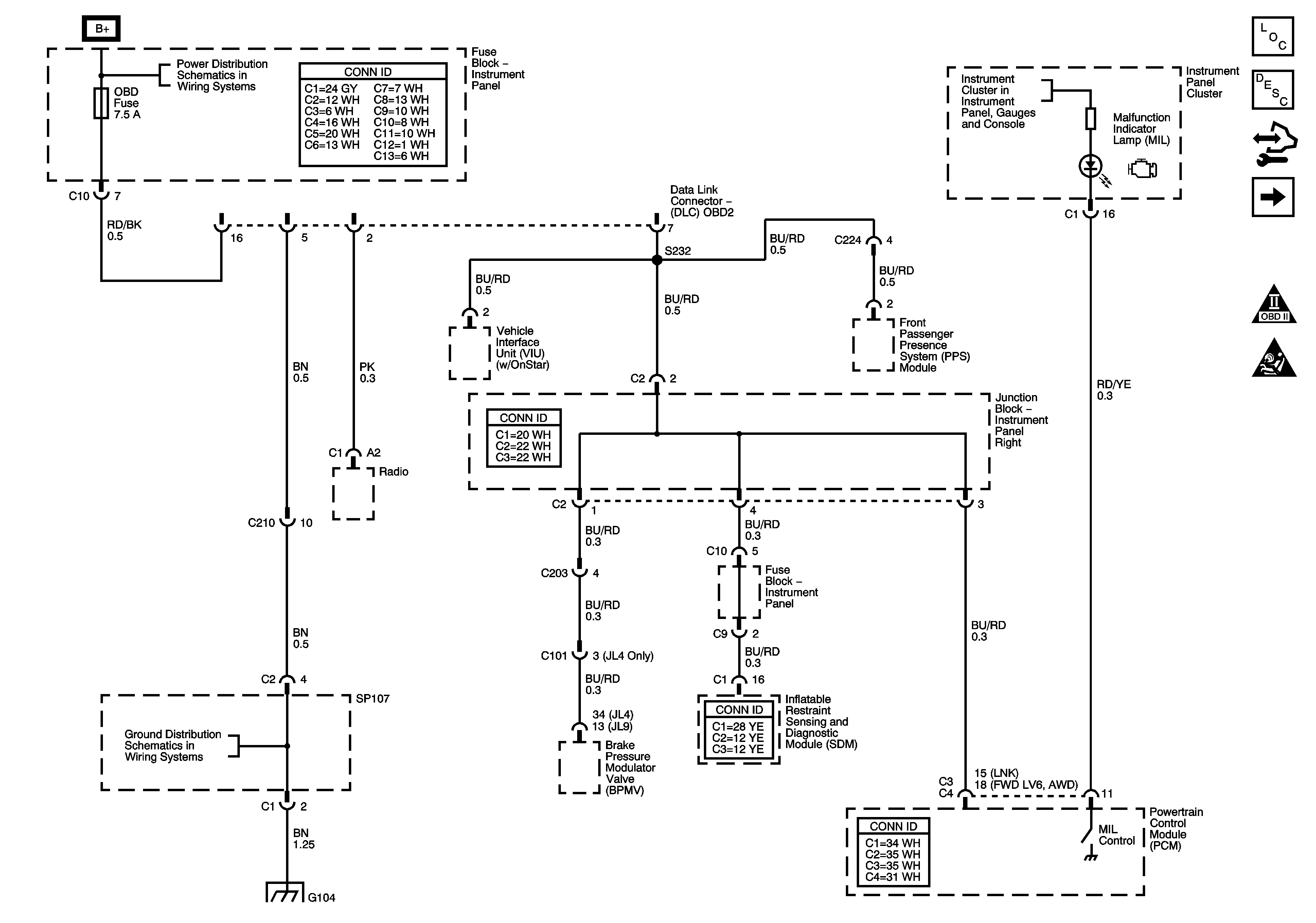
Data Link Connector - 1 of 3
Master Electrical Component List
Data Link Communications Description and Operation
Control Module References
Data Link Connector - 2 of 3
SIR Caution for Zoning
OBD II Symbol Description Notice
Power, AM 1, Door, Tail, P/Point, ECU-B, Stop, OBD, INV, Fuses
SP107, SP108, G104
SP107, SP108, G104
Charge, Air Bag, Malfunction, O/D OFF, Cruise Indicators
Figure
2:
Data Link Connector (DLC) - 2 of 3
Master Electrical Component List
Data Link Communications Description and Operation
Control Module References
Data Link Connector - 3 of 3
Data Link Connector - 1 of 3
Figure
3:
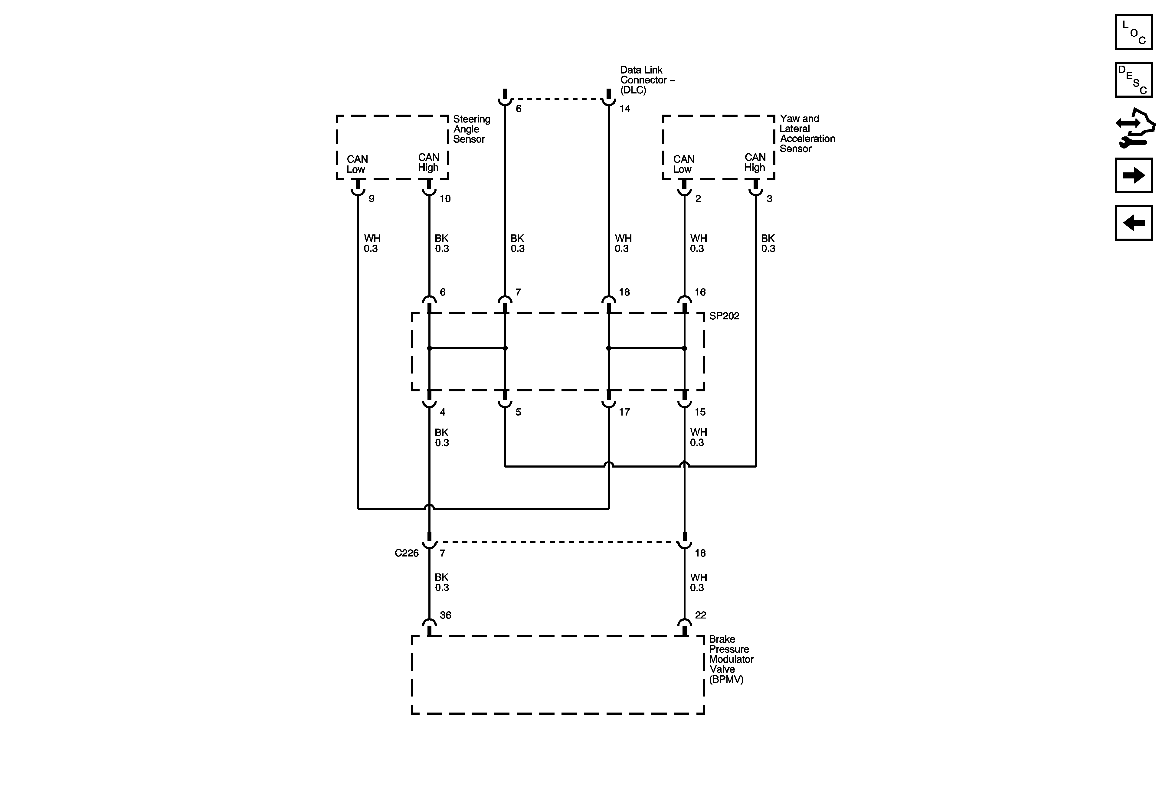
Data Link Connector - 3 of 3
Master Electrical Component List
Data Link Communications Description and Operation
Control Module References
Data Link Connector - 2 of 3
SIR Caution for Zoning
OBD II Symbol Description Notice
Junction Block - Instrument Panel Left
SP201 and G201