GM Service Manual Online
For 1990-2009 cars only
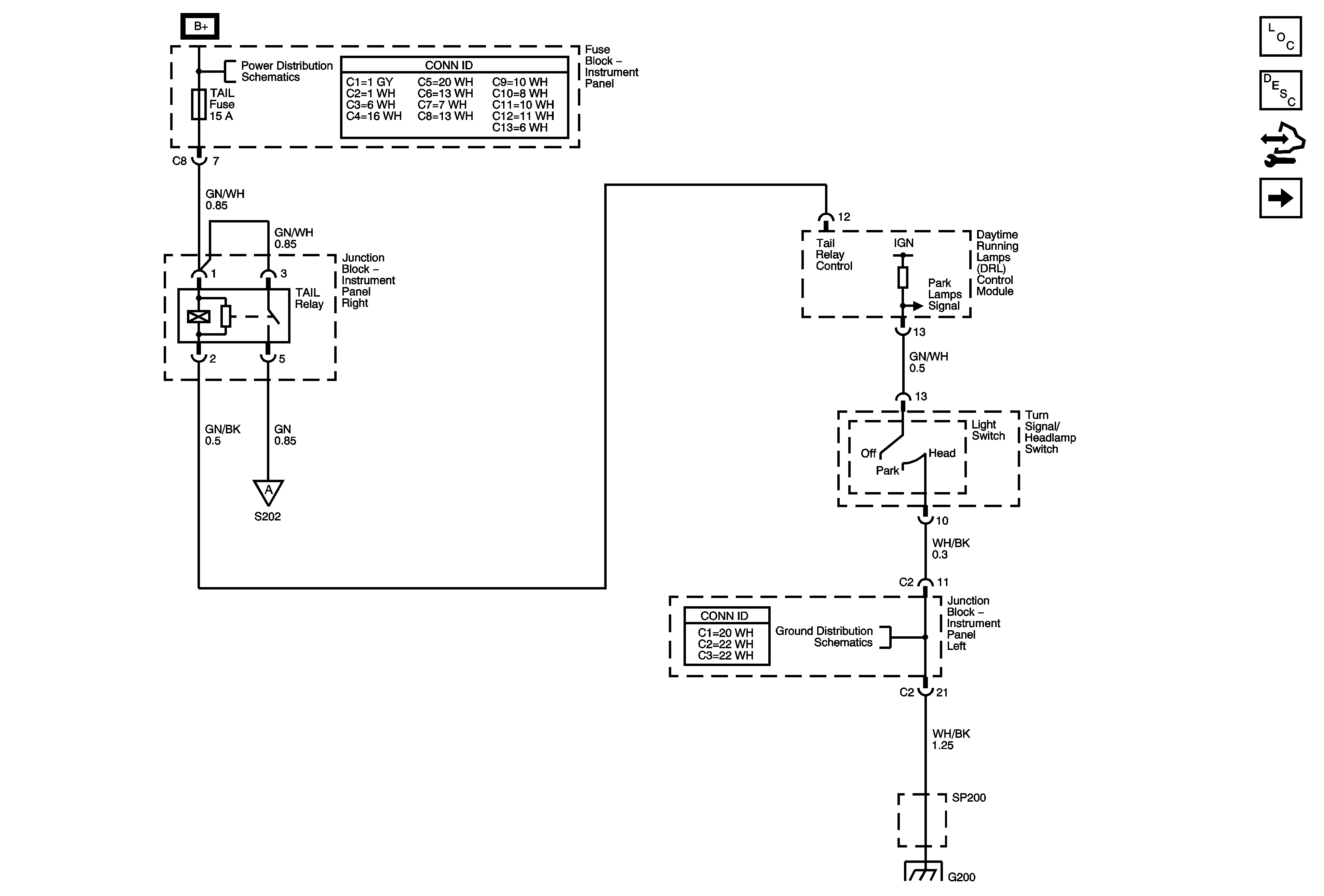
Figure 1:

Tail Relay, Turn Signal Headlamp Switch


Object Number: 1426502  Size: FS
Master Electrical Component List
Exterior Lighting Systems Description and Operation
Control Module References
Park Lamps
Power, AM 1, Door, Tail, P/Point, ECU-B, Stop, OBD, INV, Fuses
Junction Block - Instrument Panel Left
SP201 and G201
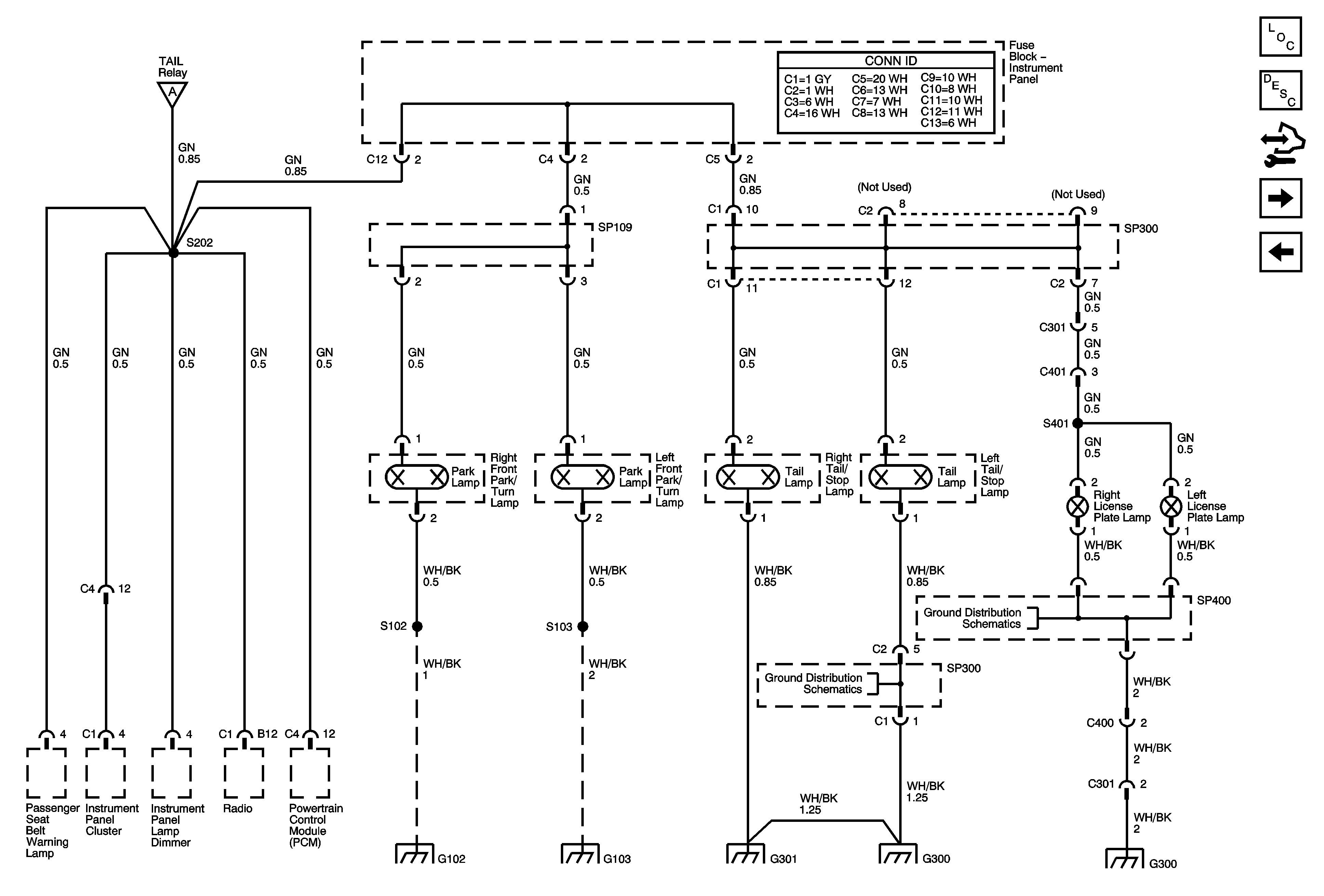
Figure 2:

Park Lamps


Object Number: 1426503  Size: FS
Master Electrical Component List
Exterior Lighting Systems Description and Operation
Control Module References
Turn Signal/Headlamp Switch, Hazard switch, Flasher Relay
Tail Relay, Turn Signal/Headlamp Switch
G100, G101, G102
S103 and G103
G202, G300, G301, G302
G202, G300, G301, G302
G202, G300, G301, G302
SP300
SP400
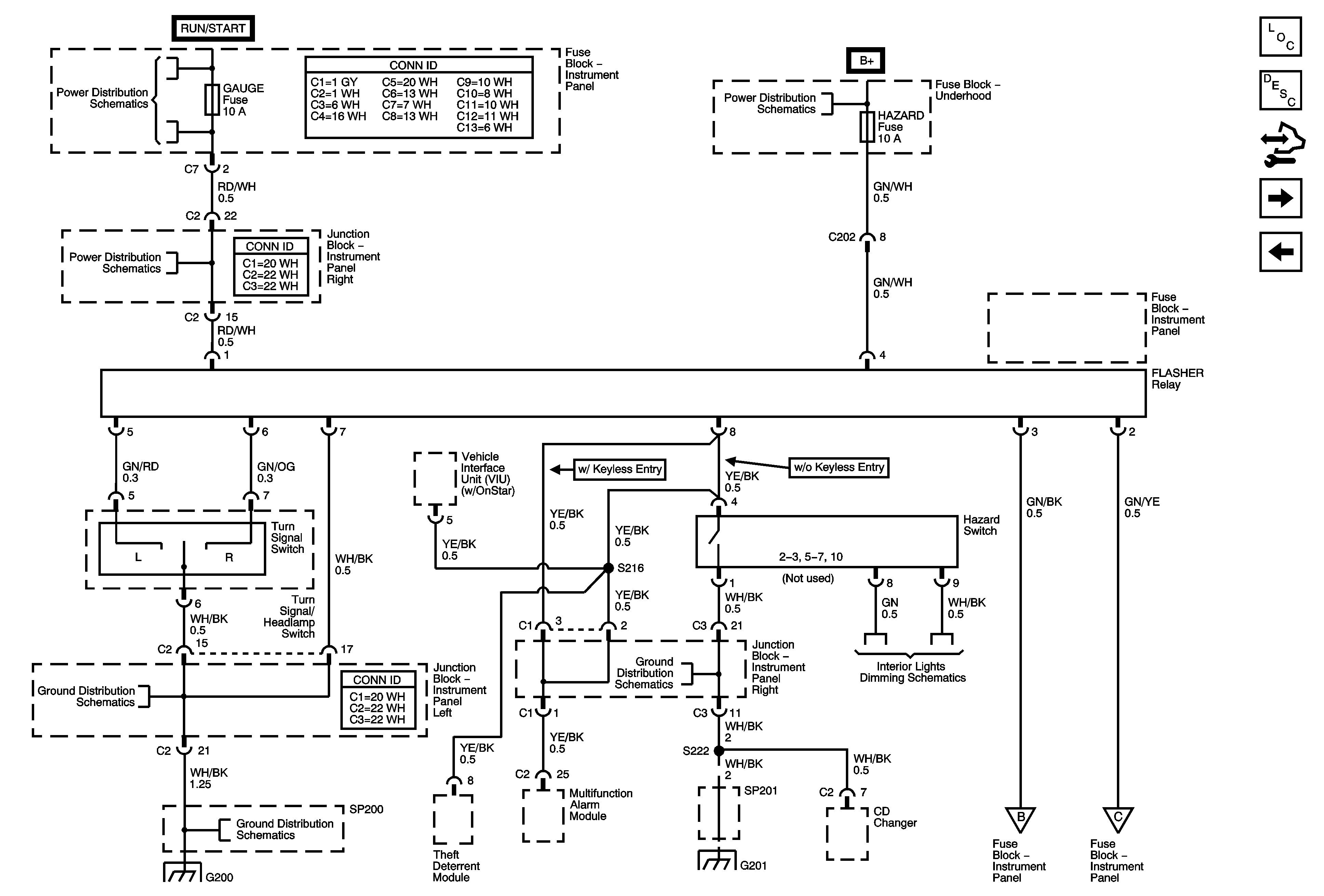
Figure 3:

Turn Signal/Headlamp Switch, Hazard Switch, Flasher Relay


Object Number: 1426514  Size: FS
Master Electrical Component List
Exterior Lighting Systems Description and Operation
Control Module References
Turn Indicators and Lamps
Park Lamps
Wash, RR Wip, Wiper, ECU-IG, Gauge, Heater, DEF Fuses
Junction Block - Instrument Panel Right
Junction Block - Instrument Panel Left
SP201 and G201
Air Pump, ETCS, Head, Alt S, EFI, EFI 2, Hazard Fuses
Junction Block - Instrument Panel Right
SP201 and G201
Illumination Lamps
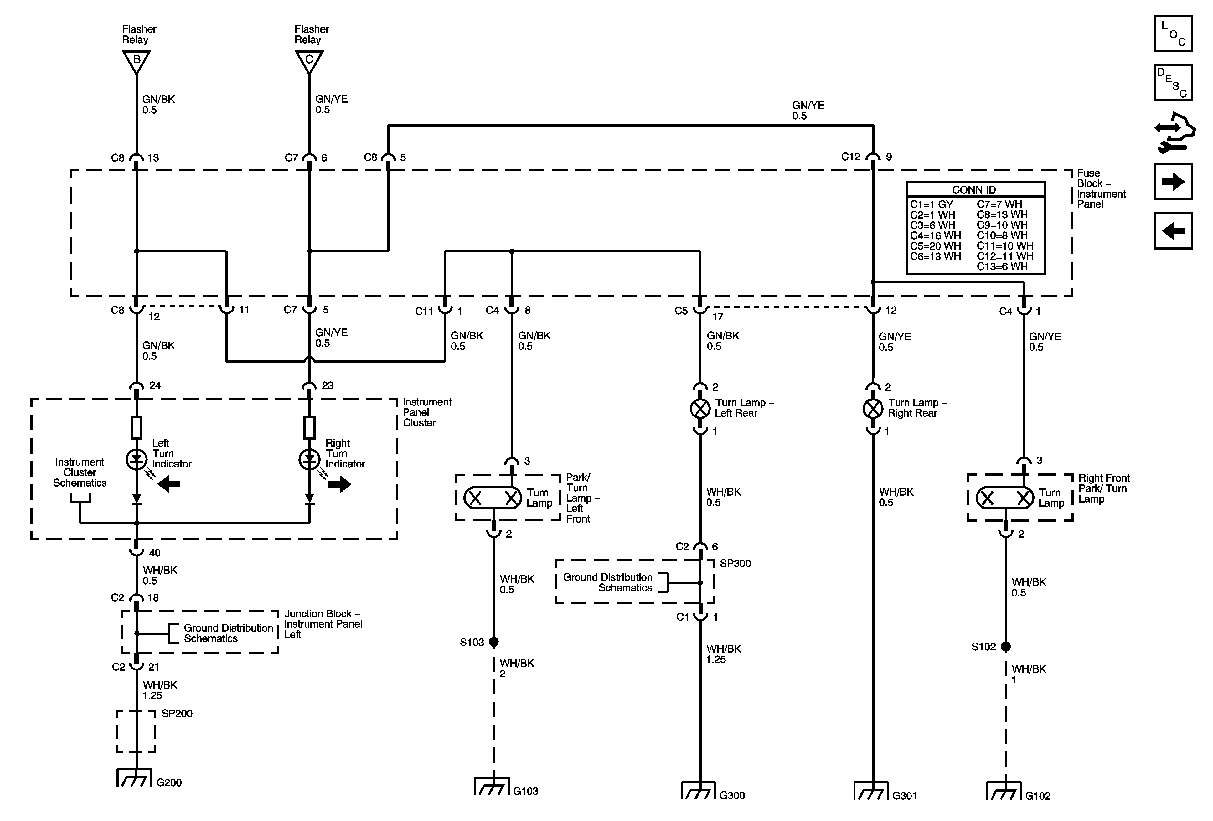
Figure 4:

Turn Indicators and Lamps


Object Number: 1426546  Size: FS
Master Electrical Component List
Exterior Lighting Systems Description and Operation
Control Module References
Stop Lamps
Turn Signal/Headlamp Switch, Hazard switch, Flasher Relay
Brake, ABS, Turn Indicators
Junction Block - Instrument Panel Left
SP201 and G201
S103 and G103
SP300
G202, G300, G301, G302
G202, G300, G301, G302
G100, G101, G102
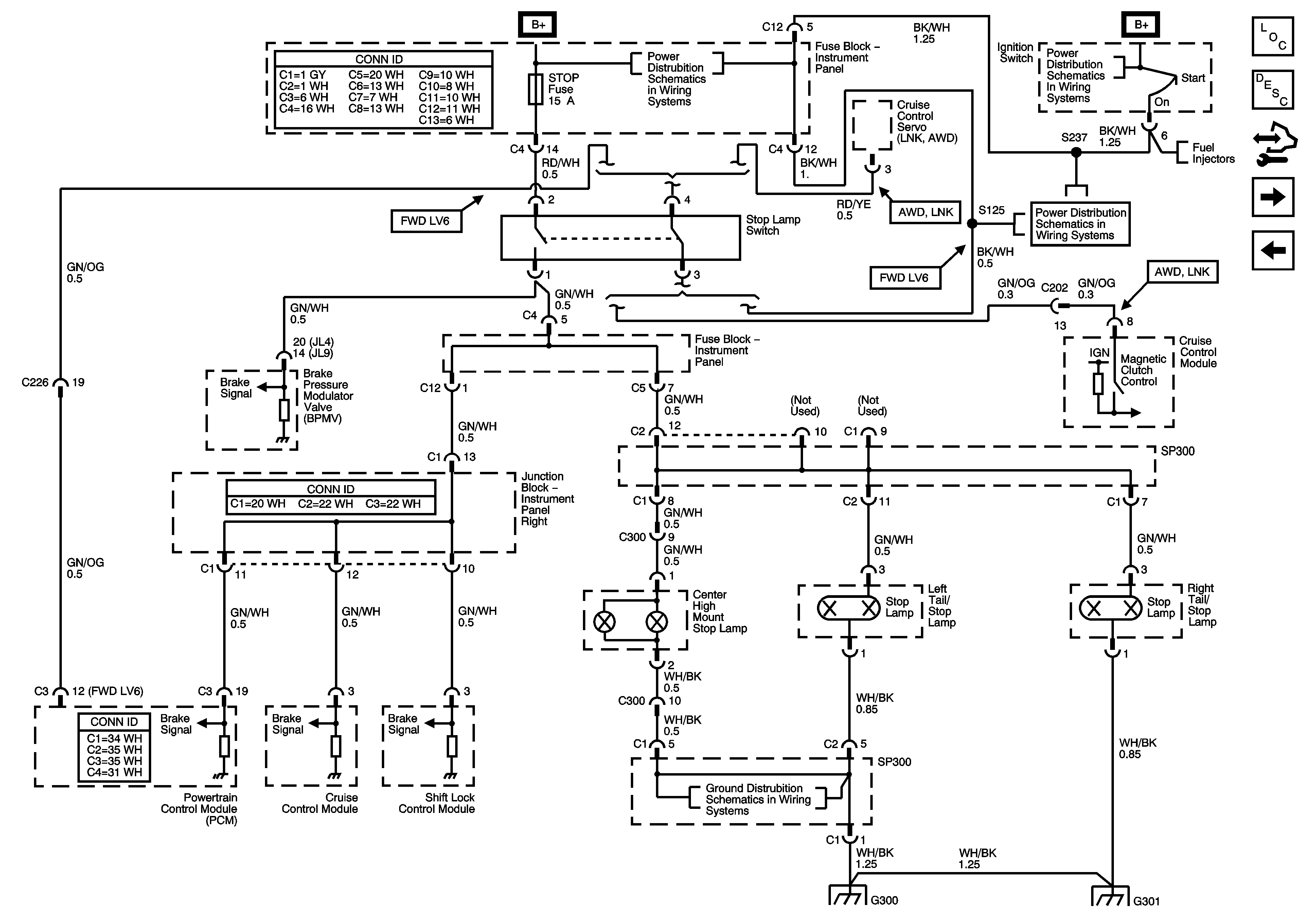
Figure 5:

Stop Lamps


Object Number: 1426573  Size: FS
Master Electrical Component List
Exterior Lighting Systems Description and Operation
Control Module References
Back Up Lamps
Turn Indicators and Lamps
Power, AM 1, Door, Tail, P/Point, ECU-B, Stop, OBD, INV, Fuses
SP300
G202, G300, G301, G302
G202, G300, G301, G302
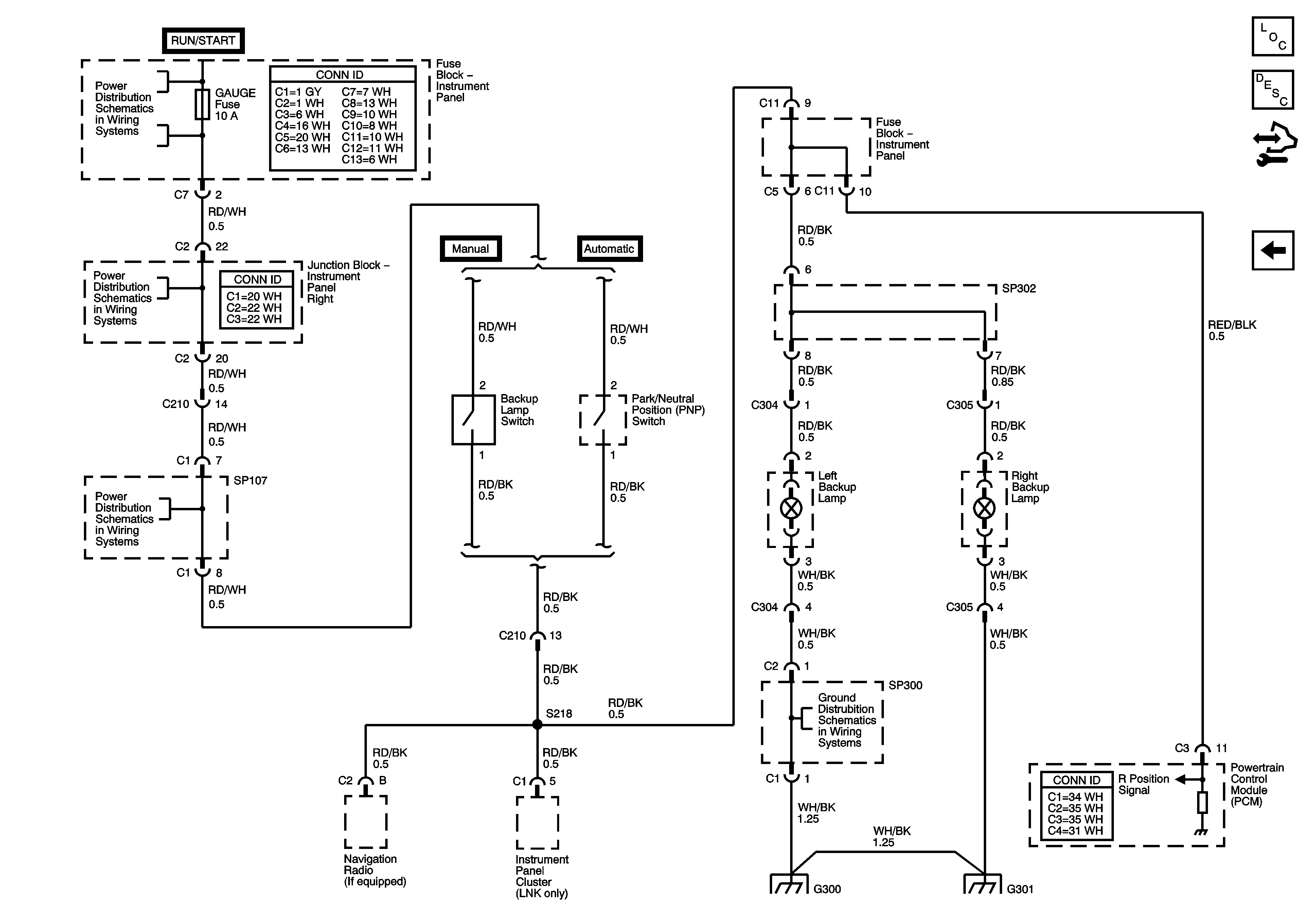
Figure 6:

Back Up Lamps


Object Number: 1426604  Size: FS
Master Electrical Component List
Exterior Lighting Systems Description and Operation
Control Module References
Stop Lamps
Wash, RR Wip, Wiper, ECU-IG, Gauge, Heater, DEF Fuses
Junction Block - Instrument Panel Right
Junction Block - Instrument Panel Right
SP300
G202, G300, G301, G302
G202, G300, G301, G302