GM Service Manual Online
For 1990-2009 cars only
Makes
🢒
Pontiac
🢒
2005
🢒
Vibe - FWD
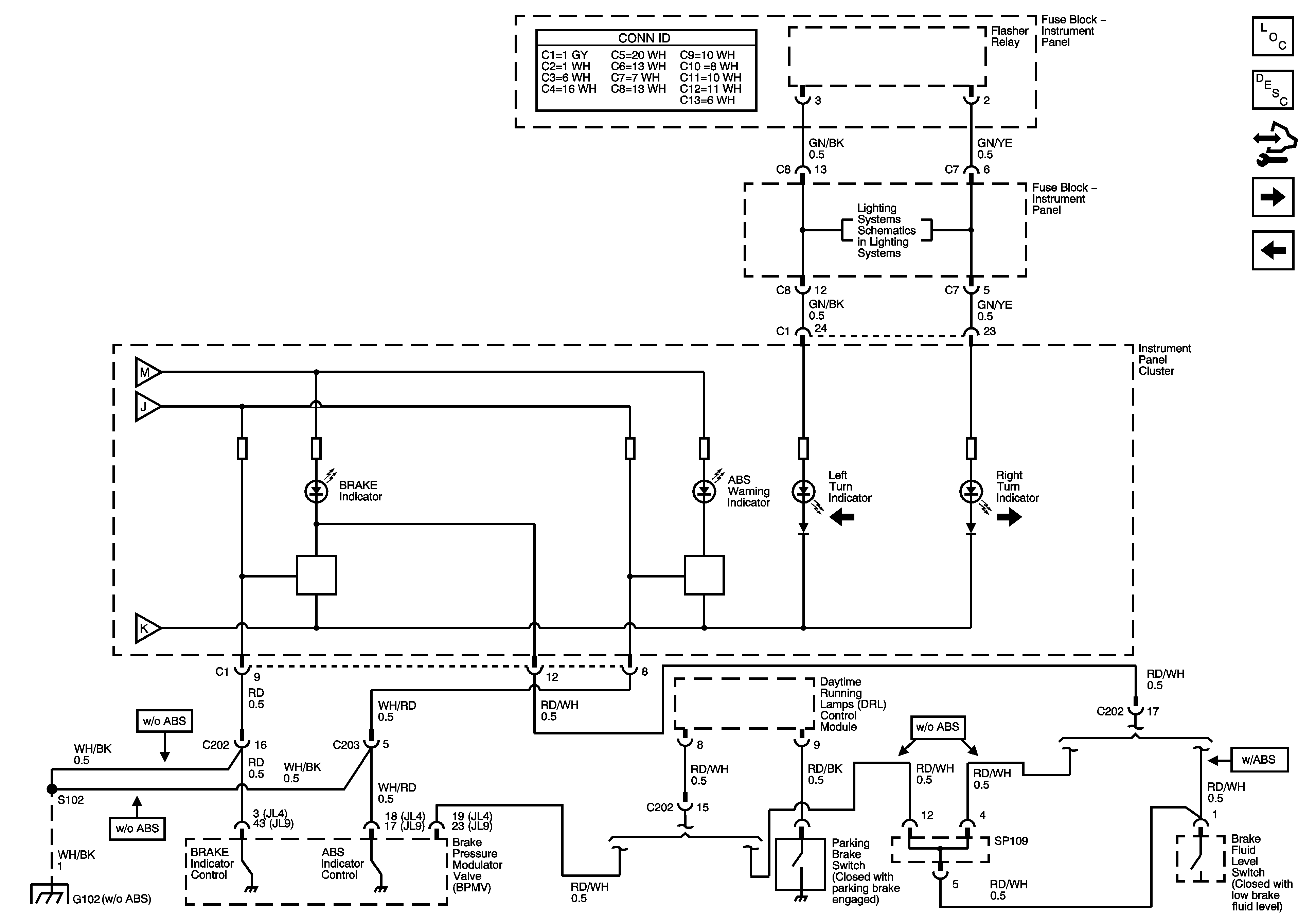
🢒 Brake, ABS, Turn Indicators
Brake, ABS, Turn Indicators
Brake, ABS, Turn Indicators
Master Electrical Component List
Control Module References
Headlamps ON Indicator, Crank Signal, Vehicle Speed Signal
Charge, Air Bag, Malfunction, O/D OFF, Cruise Indicators
SIR Caution for Zoning
G100, G101, G102
Turn Signal/Headlamp Switch, Hazard switch, Flasher Relay