GM Service Manual Online
For 1990-2009 cars only
Makes
🢒
Pontiac
🢒
2005
🢒
Vibe - FWD
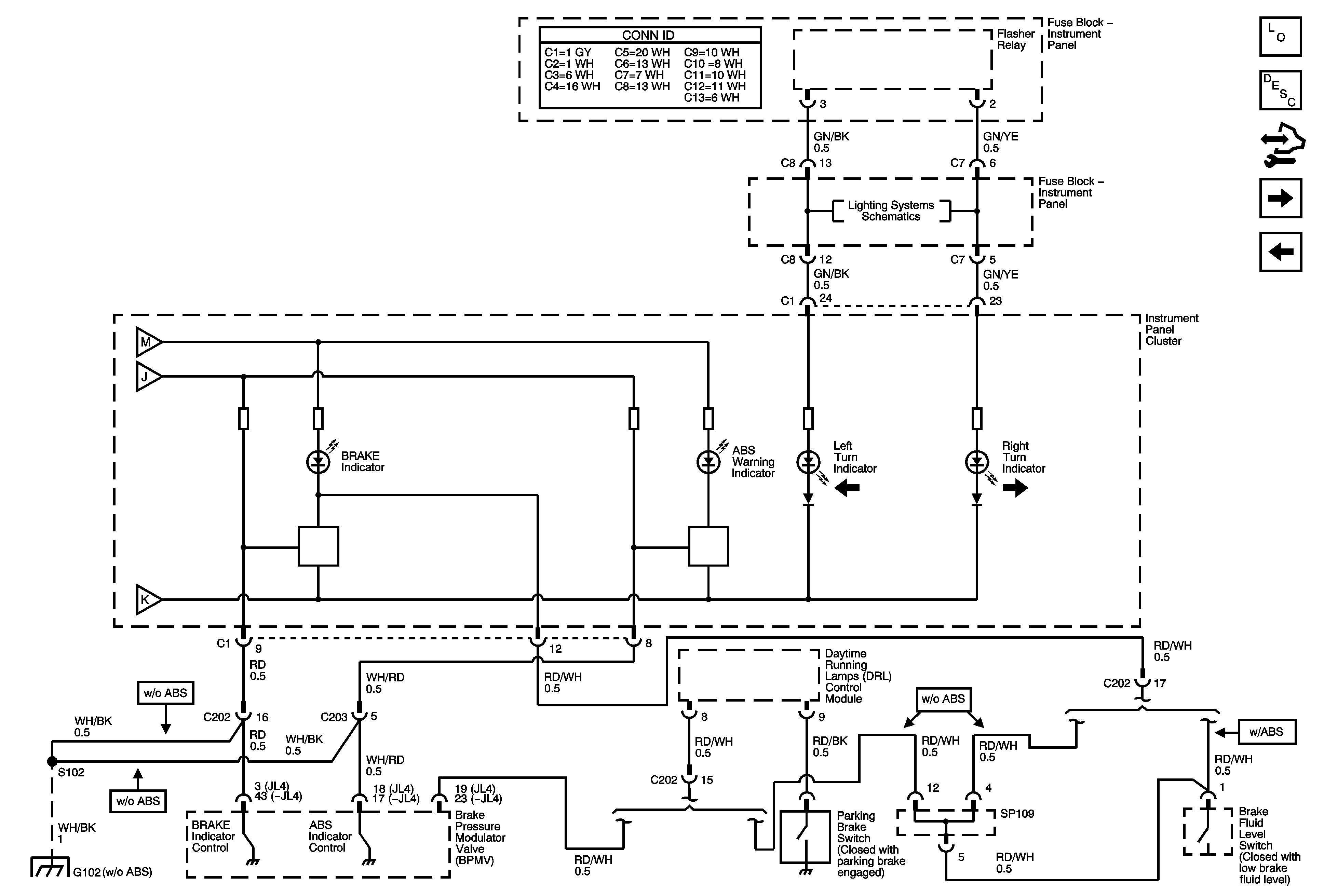
🢒 Brake, ABS, Turn Indicators
Brake, ABS, Turn Indicators
Brake, ABS, Turn Indicators
Master Electrical Component List
Instrument Cluster Description and Operation
Control Module References
Headlamps ON Indicator, Crank Signal, Vehicle Speed Signal
Charge, Air Bag, Malfunction, O/D Off, Cruise Indicators
Turn Indicators and Lamps