GM Service Manual Online
For 1990-2009 cars only
Makes
🢒
Pontiac
🢒
2005
🢒
Vibe - FWD
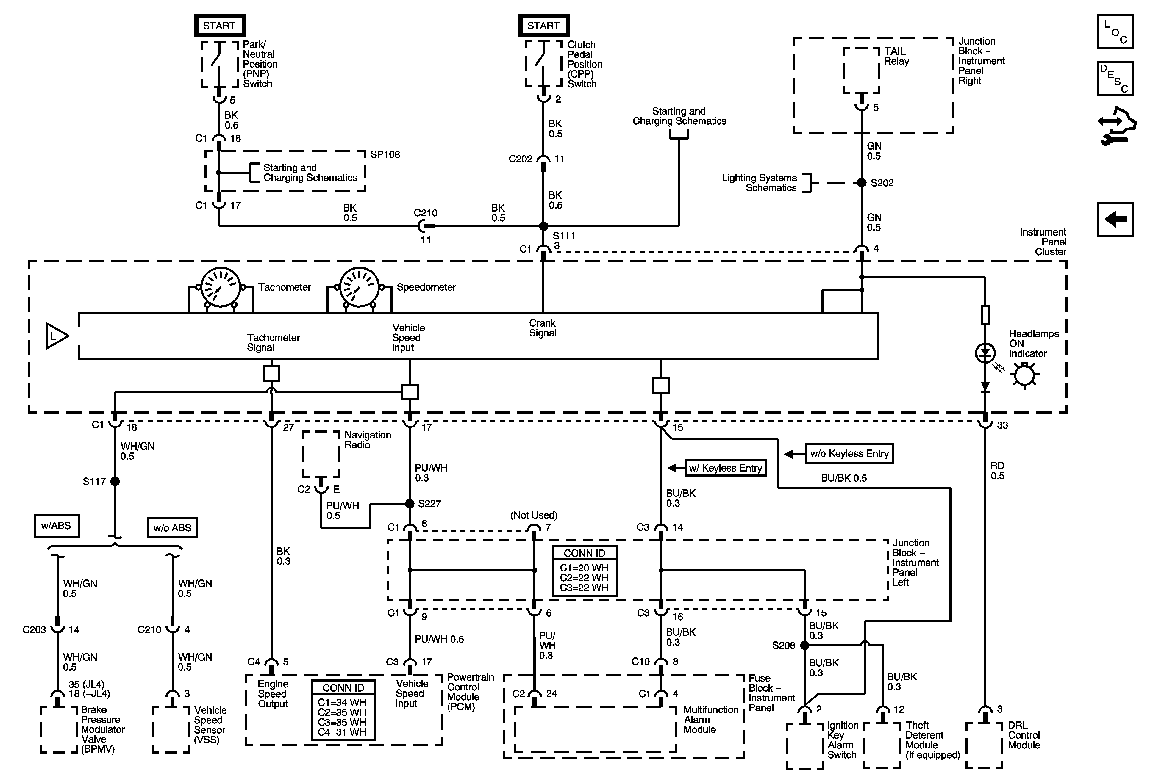
🢒 Headlamps ON Indicator, Crank Signal, Vehicle Speed Signal
Headlamps ON Indicator, Crank Signal, Vehicle Speed Signal
Headlamps ON Indicator, Crank Signal, Vehicle Speed Signal
Master Electrical Component List
Instrument Cluster Description and Operation
Control Module References
Brake, ABS, Turn Indicators
Starting and Charging Schematics
Starting and Charging Schematics
Park Lamps