GM Service Manual Online
For 1990-2009 cars only
Makes
🢒
Pontiac
🢒
2005
🢒
Wave
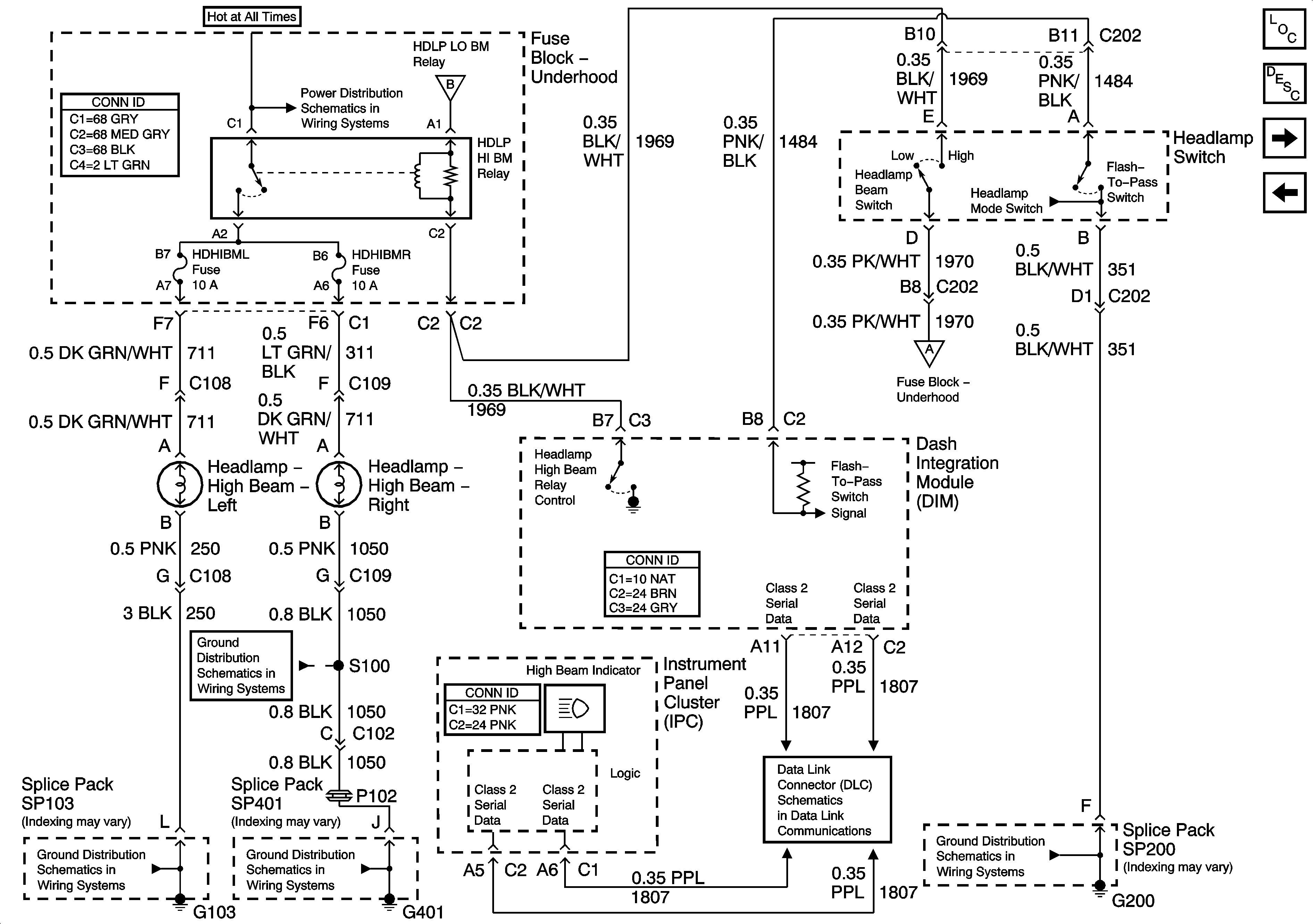
🢒 DRL Controls and High Beam Headlamps
DRL Controls and High Beam Headlamps
DRL Controls and High Beam Headlamps
Master Electrical Component List
Exterior Lighting Systems Description and Operation
DRL Controls and Low Beam Headlamps
Headlamp Controls
DRL, HDHIBML, HDHIBMR, HDLOBML, and HDLOBMR Fuses - 3.8L
DRL, HDHIBML, HDHIBMR, HDLOBML, and HDLOBMR Fuses - 3.8L
DRL, HDHIBML, HDHIBMR, HDLOBML, and HDLOBMR Fuses - 3.8L
DRL Controls and Low Beam Headlamps
G103
Serial Data Class 2
G103
G401 - 2 of 2
G401 - 2 of 2
DRL Controls and Low Beam Headlamps
G200