GM Service Manual Online
For 1990-2009 cars only
Figure 1:

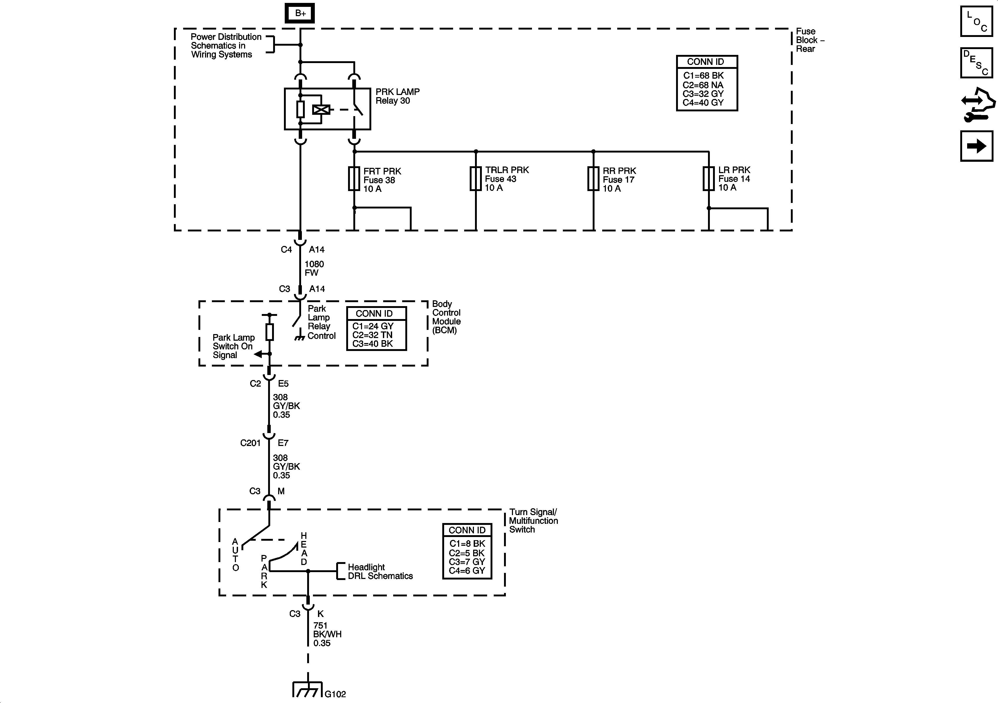
Park Lamp Relay


Object Number: 1533183  Size: FS
Master Electrical Component List
Exterior Lighting Systems Description and Operation
Control Module References
Marker and Front Park Lamps
B+ Bus - Rear Fuse Block
Headlamp Switch
G102
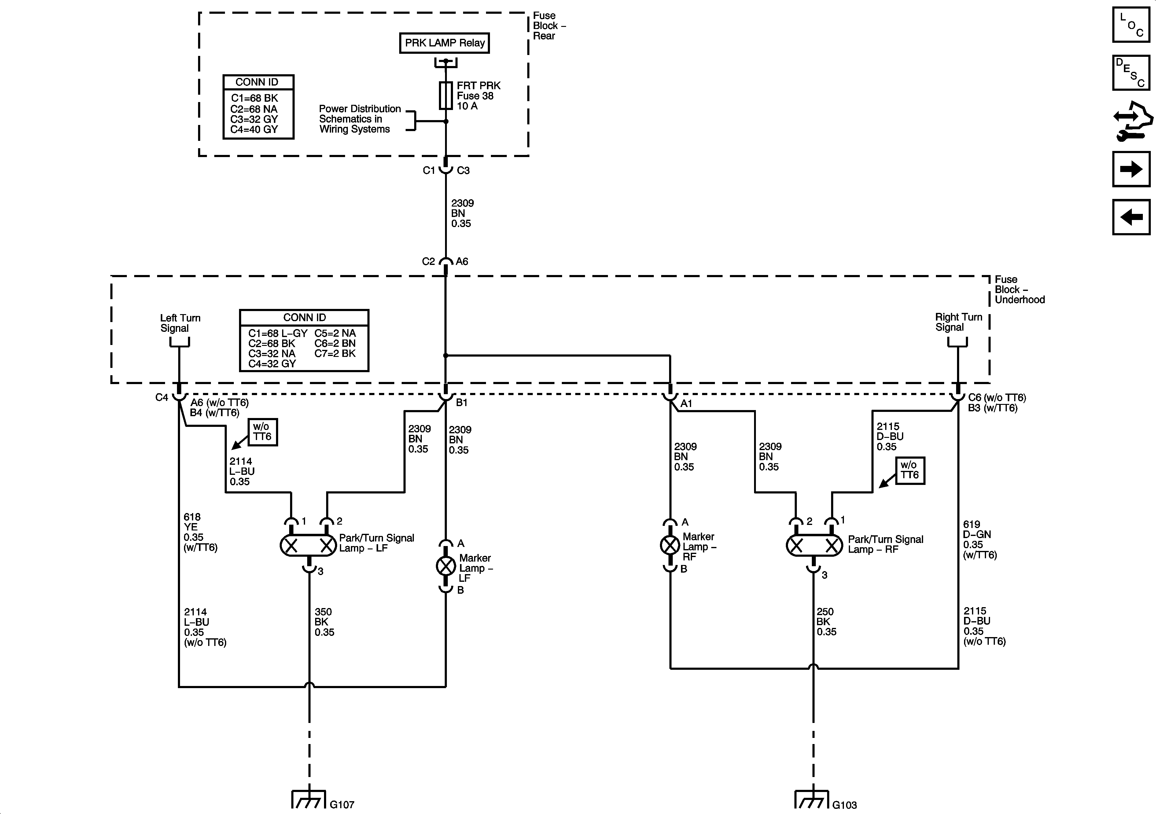
Figure 2:

Marker and Front Park Lamps


Object Number: 1533184  Size: FS
Master Electrical Component List
Exterior Lighting Systems Description and Operation
Control Module References
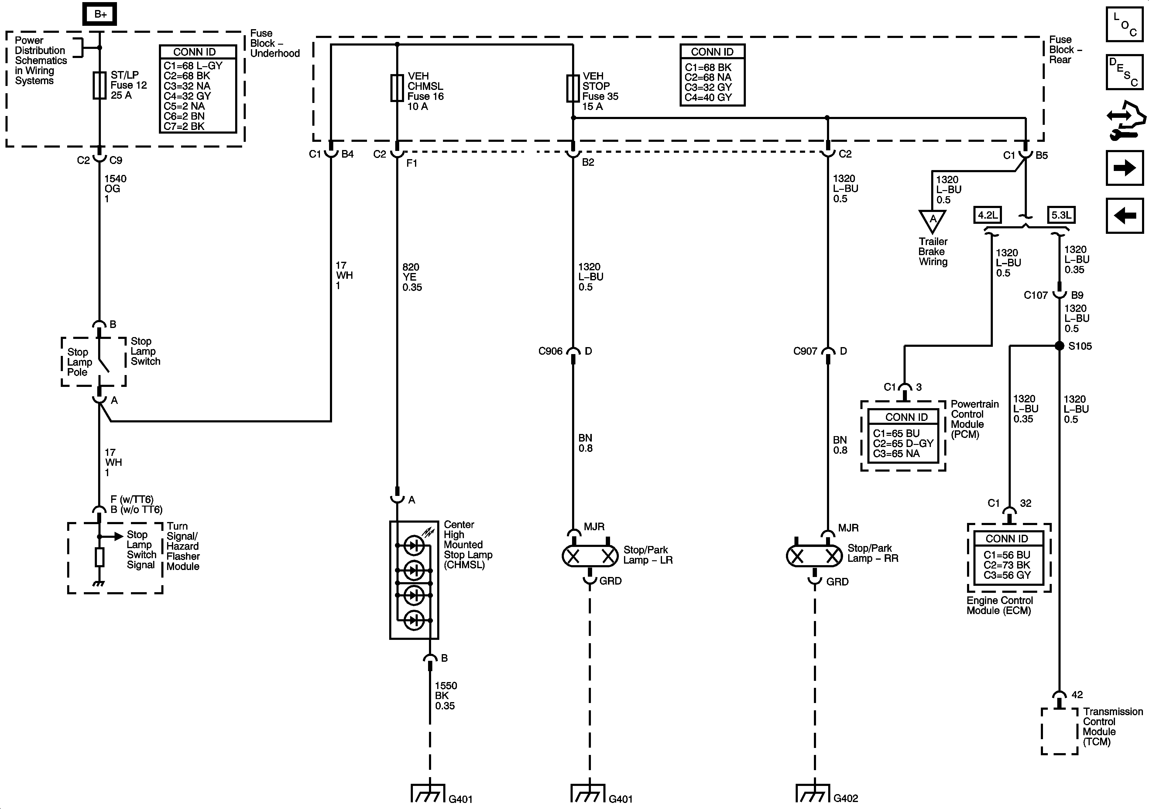
Rear Park, Marker, and License Lamps
Park Lamp Relay
FRT PRK, LGM #2, LR PRK, RR PRK, TRLR PRK Fuses and REAR WPR Circuit Breaker
Park Lamp Relay
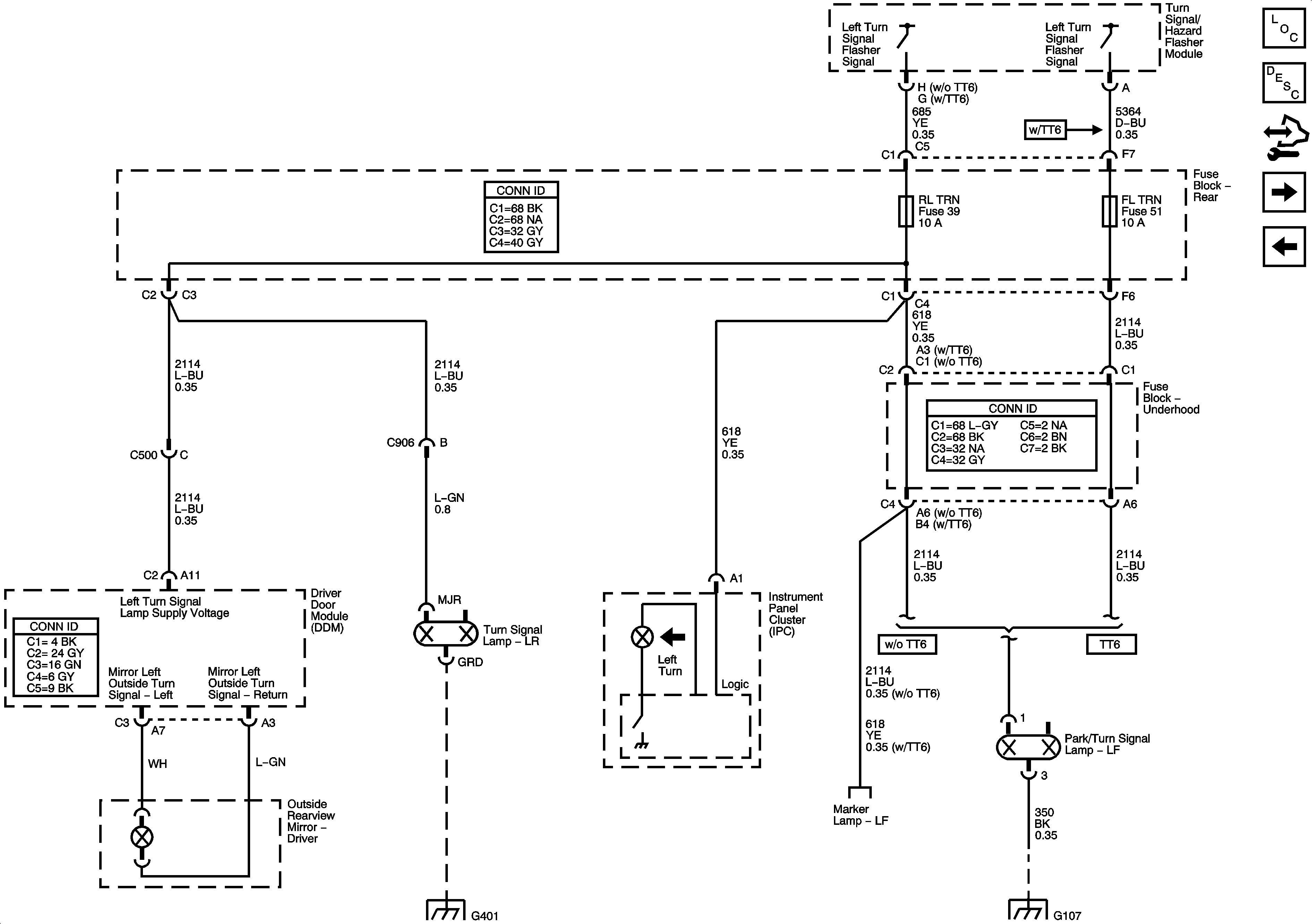
Left Turn Signal
G104, G105 and G107
G101, G103, G106, and G110
Right Turn Signal
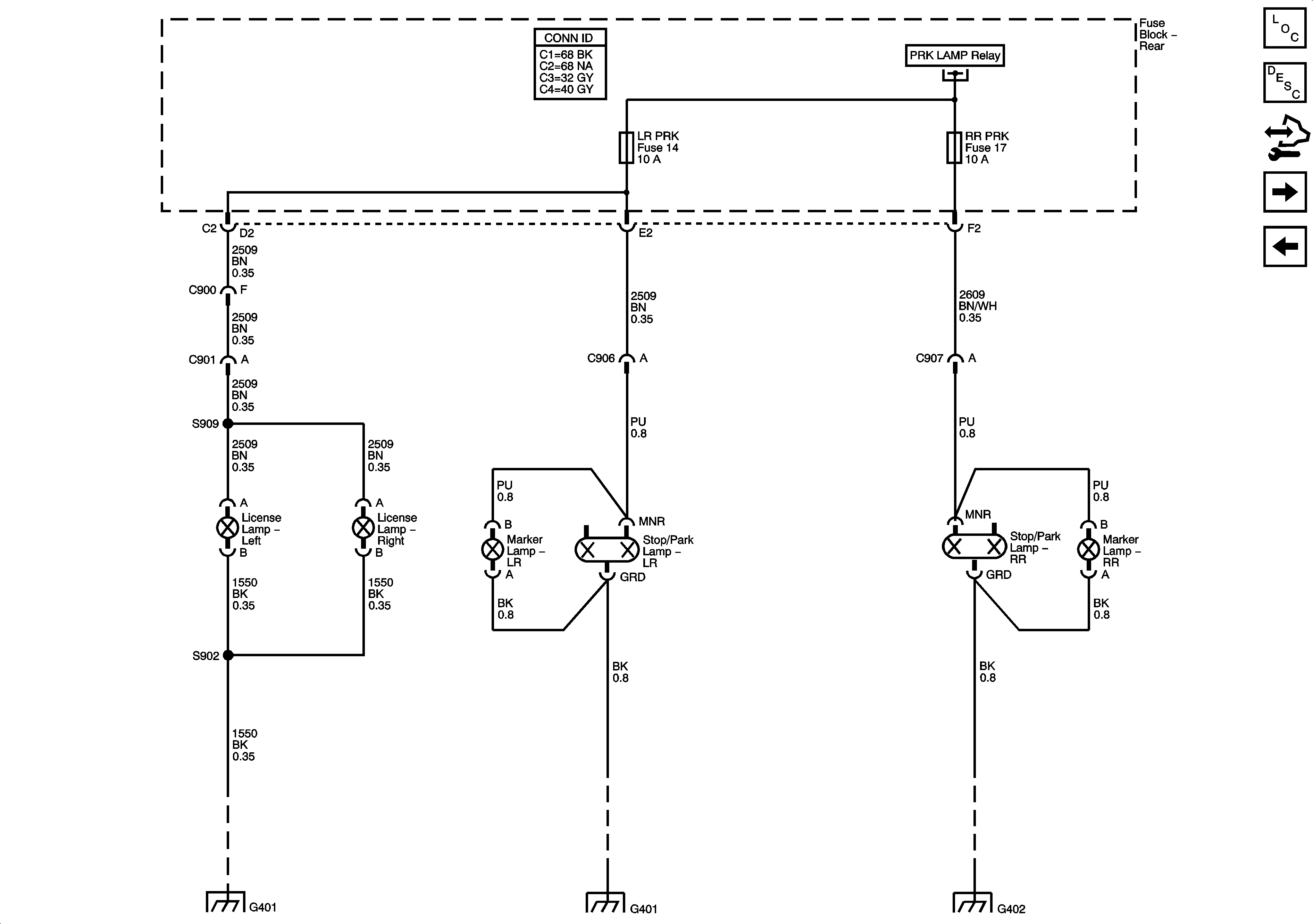
Figure 3:

Rear Park, Marker, and License Lamps


Object Number: 1533185  Size: FS
Master Electrical Component List
Exterior Lighting Systems Description and Operation
Control Module References
Stop Lamps
Marker and Front Park Lamps
G401, G402, and G403
G401, G402, and G403
G401, G402, and G403
Park Lamp Relay
Figure 4:

Stop Lamps


Object Number: 1533187  Size: FS
Master Electrical Component List
Exterior Lighting Systems Description and Operation
Control Module References
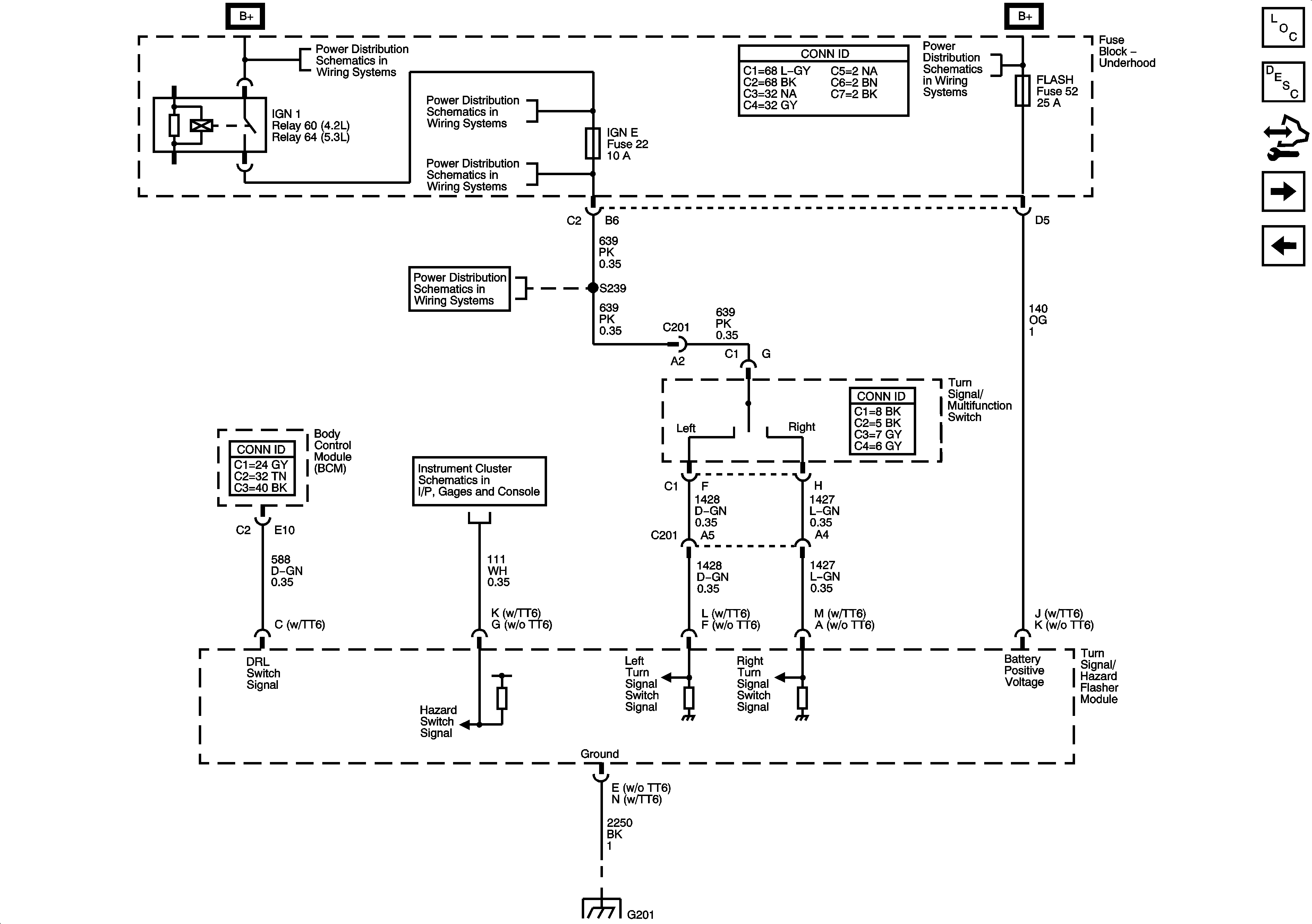
Turn Signal Lamps Controls
Rear Park, Marker, and License Lamps
B+ Bus - Underhood Fuse Block - 1 of 2
G401, G402, and G403
G401, G402, and G403
G401, G402, and G403
Trailer Wiring
Figure 5:

Turn Signal Lamps Controls


Object Number: 1533188  Size: FS
Master Electrical Component List
Exterior Lighting Systems Description and Operation
Control Module References
Left Turn Signal
Stop Lamps
B+ Bus - Underhood Fuse Block - 2 of 2
BACK UP, BTSI, IGN E, and TRLR B/U Fuses
BACK UP, BTSI, IGN E, and TRLR B/U Fuses
BACK UP, BTSI, IGN E, and TRLR B/U Fuses
Indicators and DIC Controls
G102
B+ Bus - Underhood Fuse Block - 1 of 2
Figure 6:

Left Turn Signals


Object Number: 1533189  Size: FS
Master Electrical Component List
Exterior Lighting Systems Description and Operation
Control Module References
Right Turn Signal
Right Turn Signal
G401, G402, and G403
Marker and Front Park Lamps
G104, G105 and G107
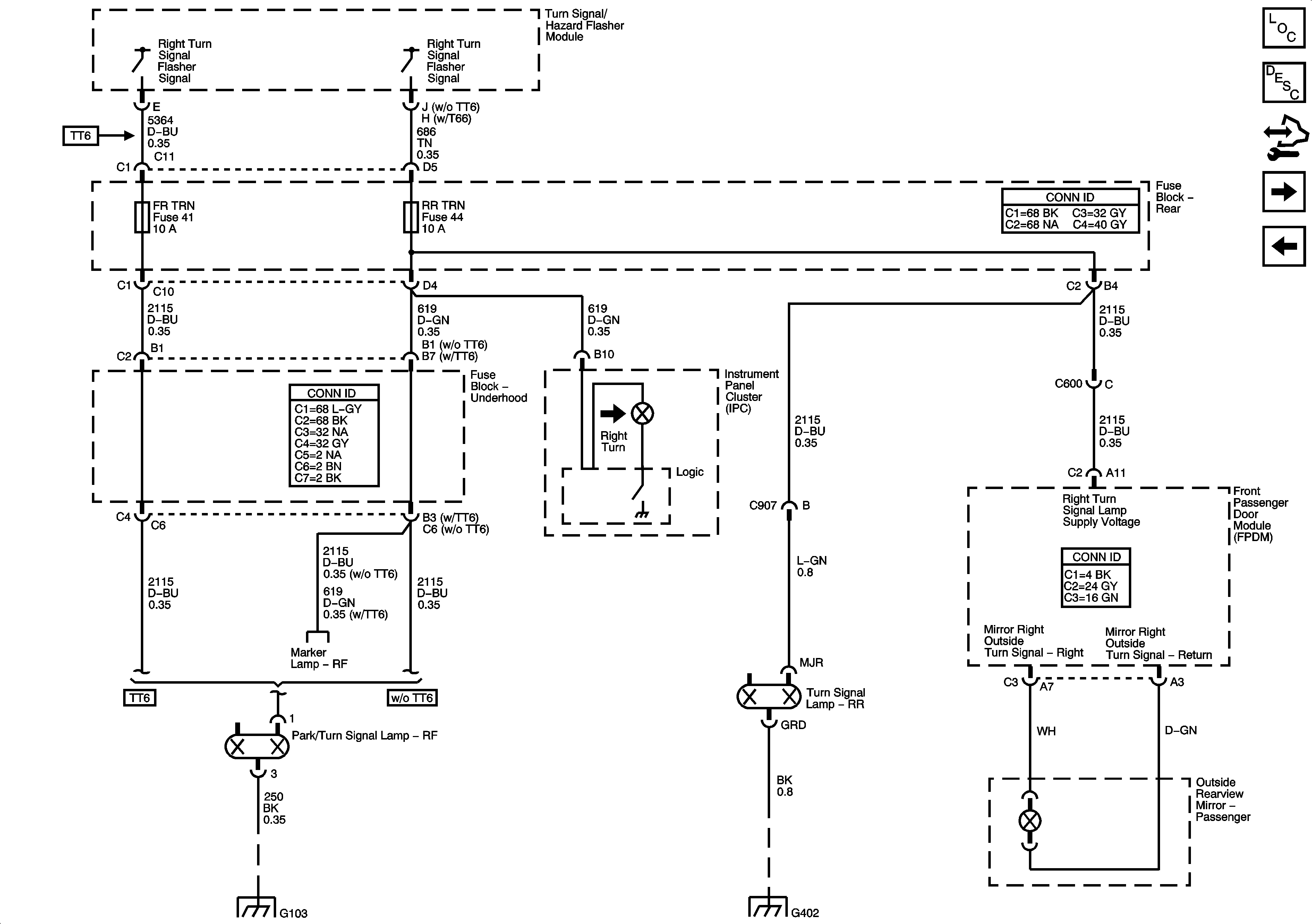
Figure 7:

Right Turn Signals


Object Number: 1533190  Size: FS
Master Electrical Component List
Exterior Lighting Systems Description and Operation
Control Module References
Backup Lamps
Left Turn Signal
Marker and Front Park Lamps
G101, G103, G106, and G110
G401, G402, and G403
Figure 8:

Backup Lamps


Object Number: 1533191  Size: FS
Master Electrical Component List
Exterior Lighting Systems Description and Operation
Control Module References
Trailer Wiring
Right Turn Signal
B+ Bus - Rear Fuse Block
G401, G402, and G403
G401, G402, and G403
SP 205
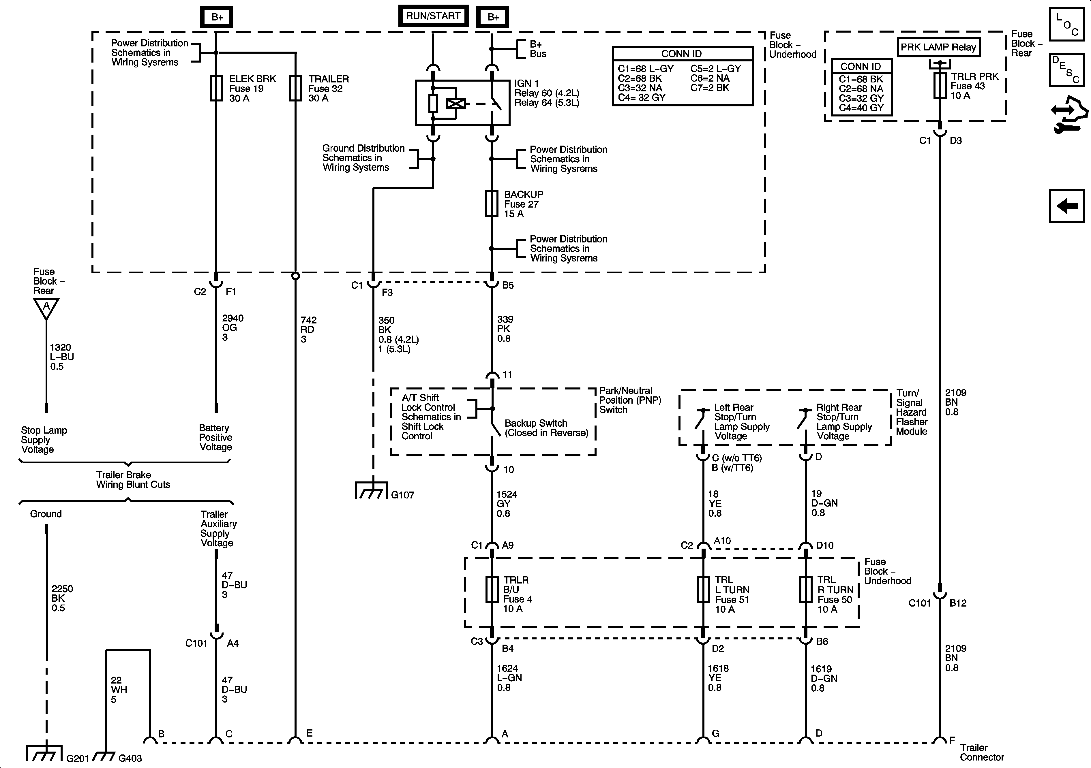
Figure 9:

Trailer Wiring


Object Number: 1533192  Size: FS
Master Electrical Component List
Exterior Lighting Systems Description and Operation
Control Module References
Backup Lamps
B+ Bus - Underhood Fuse Block - 1 of 2
Stop Lamps
G201 - 2 of 2 and G305
G401, G402, and G403
G104, G105 and G107
Shift Lock Control
G104, G105 and G107
B+ Bus - Underhood Fuse Block - 2 of 2
BACK UP, BTSI, IGN E, and TRLR B/U Fuses
BACK UP, BTSI, IGN E, and TRLR B/U Fuses
Park Lamp Relay