GM Service Manual Online
For 1990-2009 cars only
Figure 1:

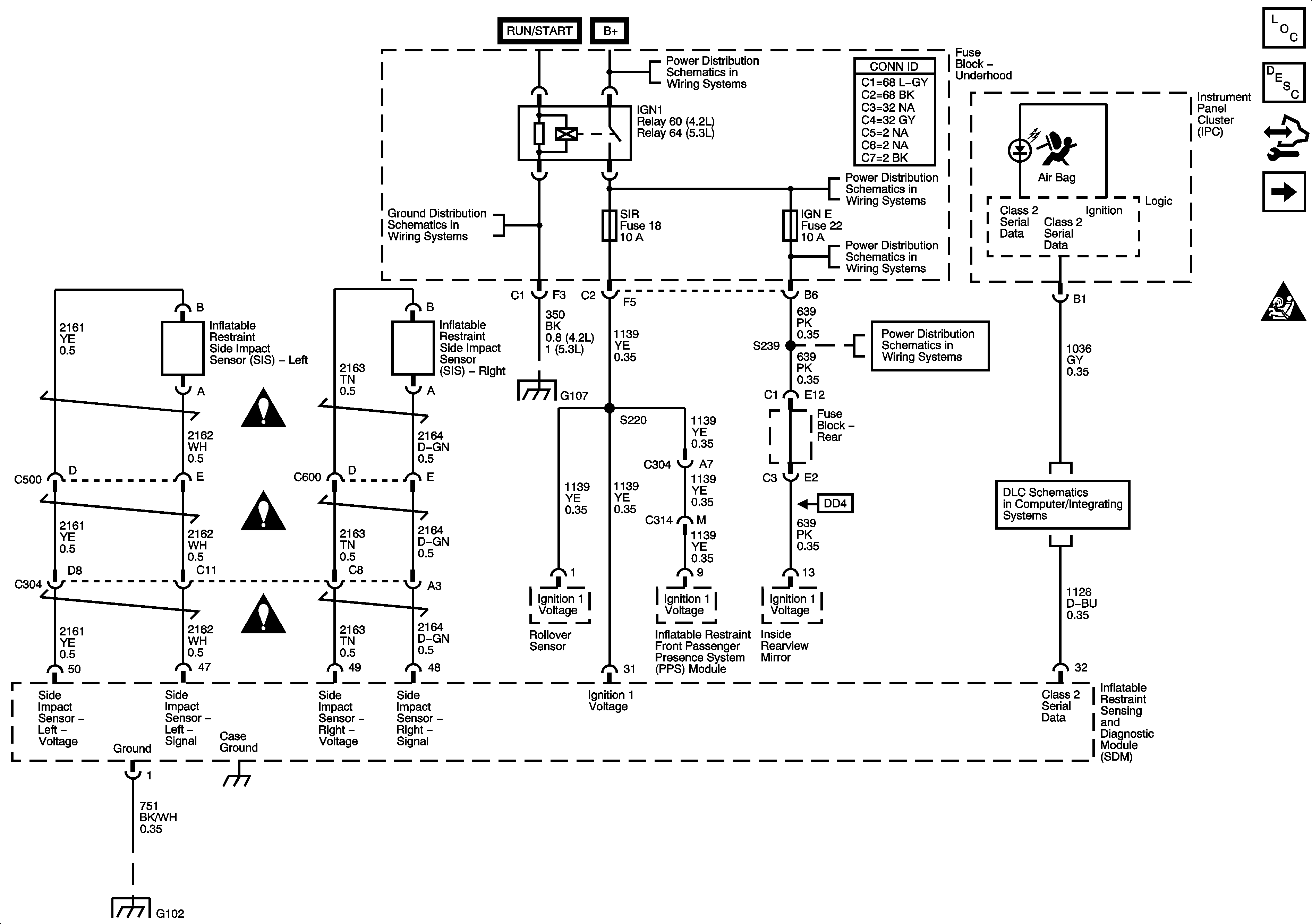
Module Power, Ground, IGN 1 Relay, Serial Data, Indicator, and Side Impact Sensors


Object Number: 1532847  Size: FS
Master Electrical Component List
SIR System Description and Operation
Control Module References
Front Sensors and Modules
OBD II Symbol Description Notice
SIR Schematic Icons
SIR Schematic Icons
SIR Schematic Icons
G104, G105 and G107
G102
G104, G105 and G107
B+ Bus - Underhood Fuse Block - 2 of 2
BACK UP, BTSI, IGN E, and TRLR B/U Fuses
BACK UP, BTSI, IGN E, and TRLR B/U Fuses
BACK UP, BTSI, IGN E, and TRLR B/U Fuses
SP 205
Figure 2:

Front Sensors and Modules


Object Number: 1532848  Size: FS
Master Electrical Component List
SIR System Description and Operation
Control Module References
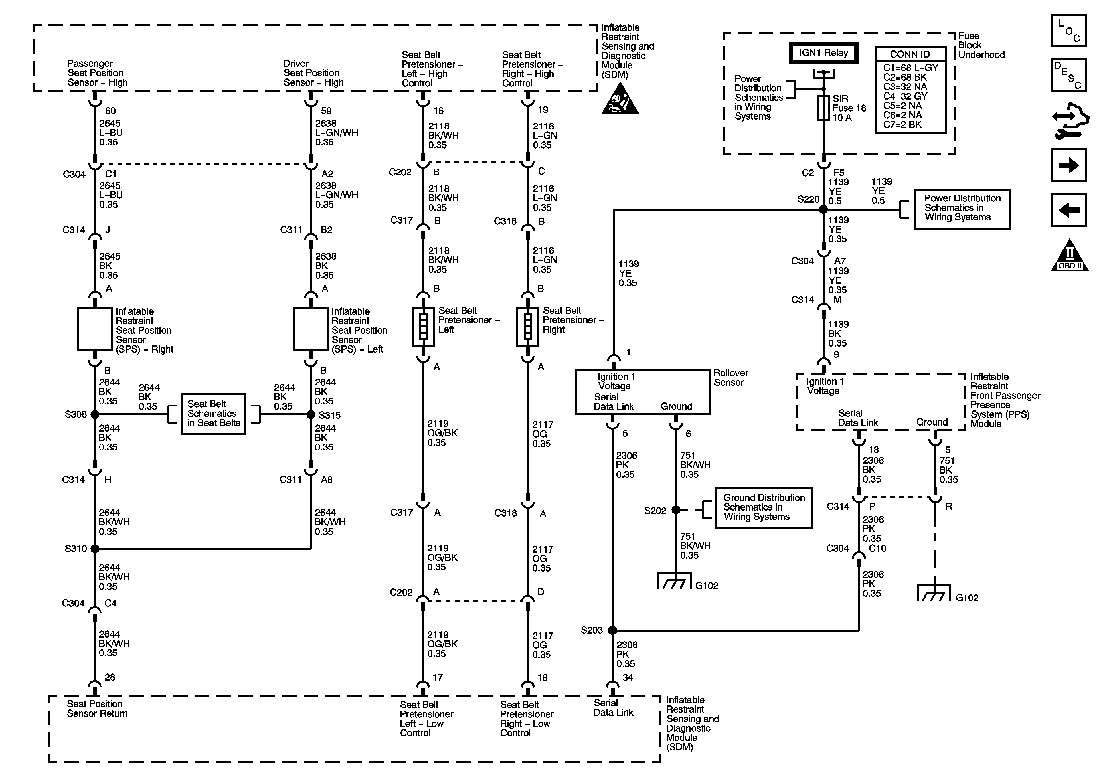
Seat Position Sensors, Rollover Sensor, and PPS Module
Module Power, Ground, IGN 1 Relay, Serial Data, Indicator, and Side Impact Sensors
SIR Caution for Zoning
SIR Schematic Icons
SIR Schematic Icons
SIR Schematic Icons
SIR Schematic Icons
SIR Schematic Icons
Figure 3:

Seat Position Sensors, Rollover Sensor, and PPS Module


Object Number: 1532849  Size: FS
Master Electrical Component List
SIR System Description and Operation
Control Module References
PPS Sensors and Indicators
Front Sensors and Modules
OBD II Symbol Description Notice
Seat Belts
SIR Caution for Zoning
G102
G102
BACK UP, BTSI, IGN E, and TRLR B/U Fuses
Module Power, Ground, IGN 1 Relay, Serial Data, Indicator, and Side Impact Sensors
ECMI ENG 1, O2, SIR, TAC, and TRANS Fuses
G102
Figure 4:

PPS Sensors and Indicators


Object Number: 1532850  Size: FS
Master Electrical Component List
SIR System Description and Operation
Control Module References
Seat Position Sensors, Rollover Sensor, and PPS Module
OBD II Symbol Description Notice
BACK UP, BTSI, IGN E, and TRLR B/U Fuses
Module Power, Ground, IGN 1 Relay, Serial Data, Indicator, and Side Impact Sensors
BACK UP, BTSI, IGN E, and TRLR B/U Fuses
BACK UP, BTSI, IGN E, and TRLR B/U Fuses