GM Service Manual Online
For 1990-2009 cars only
Makes
🢒
Saab
🢒
2005
🢒
9-7x
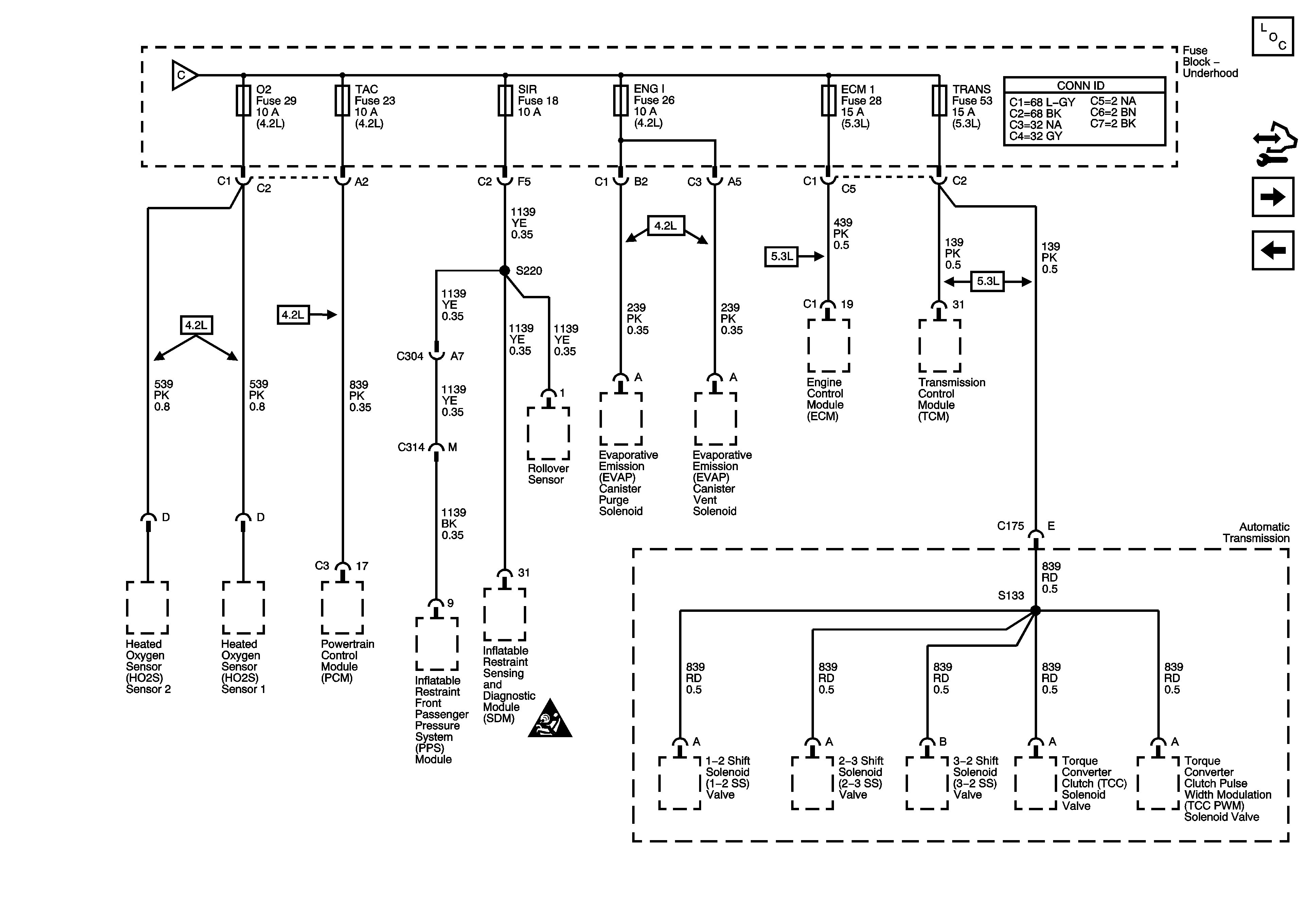
🢒 ECMI ENG 1, O2, SIR, TAC, and TRANS Fuses
ECMI ENG 1, O2, SIR, TAC, and TRANS Fuses
ECMI, ENG1, 02, SIR, TAC and TRANS Fuses
Master Electrical Component List
Control Module References
4WD, BRK, FRT WPR, HVACI, IGN0, and TCM Fuses
AIR SOL and PCMI Fuses
AIR SOL and PCMI Fuses
SIR Caution for Zoning