GM Service Manual Online
For 1990-2009 cars only
Makes
🢒
Saab
🢒
2005
🢒
9-7x
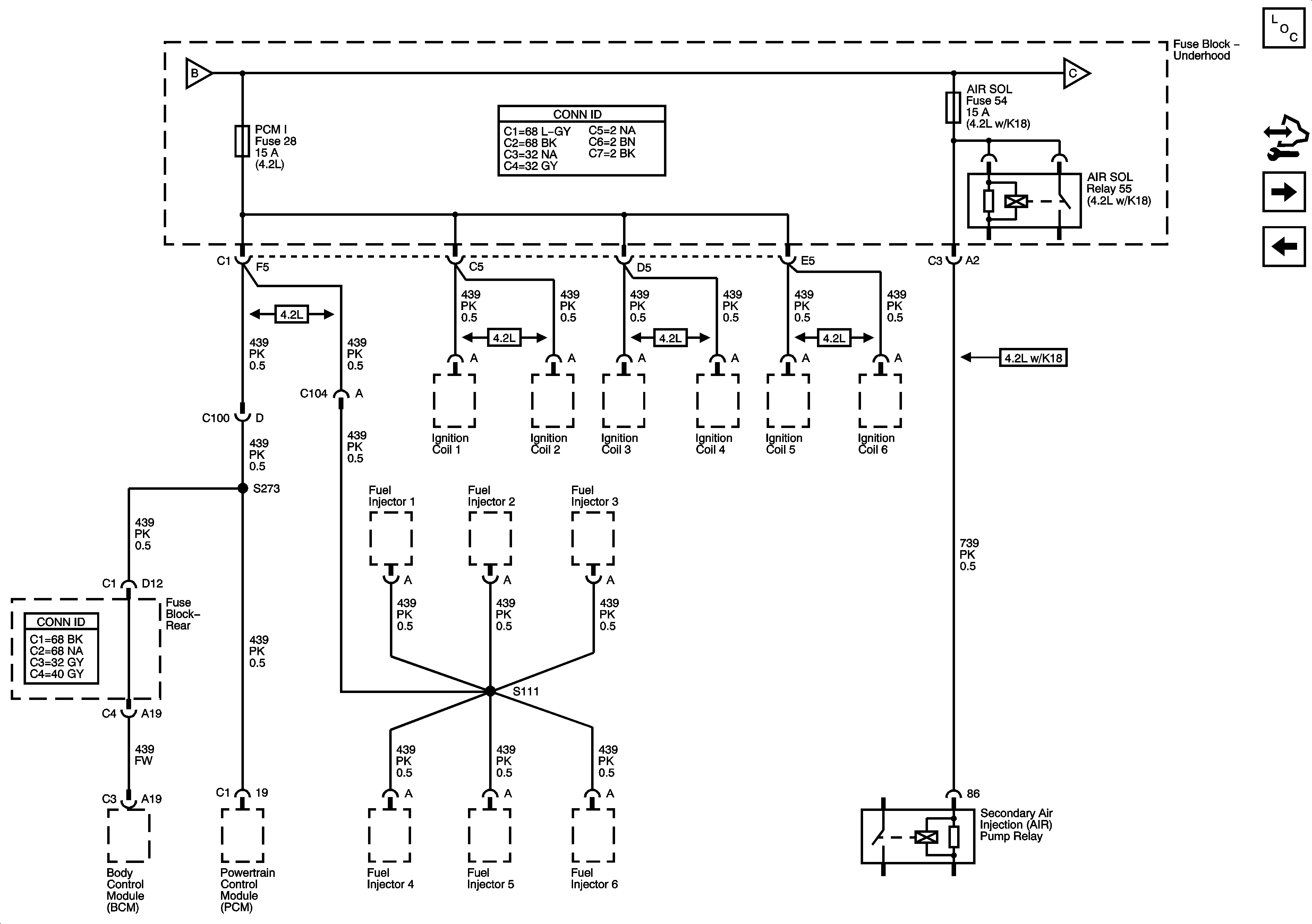
🢒 AIR SOL and PCMI Fuses
AIR SOL and PCMI Fuses
AIR SOL and PCMI Fuses
Master Electrical Component List
Control Module References
ECMI ENG 1, O2, SIR, TAC, and TRANS Fuses
BACK UP, BTSI, IGN E, and TRLR B/U Fuses
ECMI ENG 1, O2, SIR, TAC, and TRANS Fuses
BACK UP, BTSI, IGN E, and TRLR B/U Fuses