GM Service Manual Online
For 1990-2009 cars only
Makes
🢒
Saab
🢒
2005
🢒
9-7x
🢒
Body
🢒
Wiring Systems
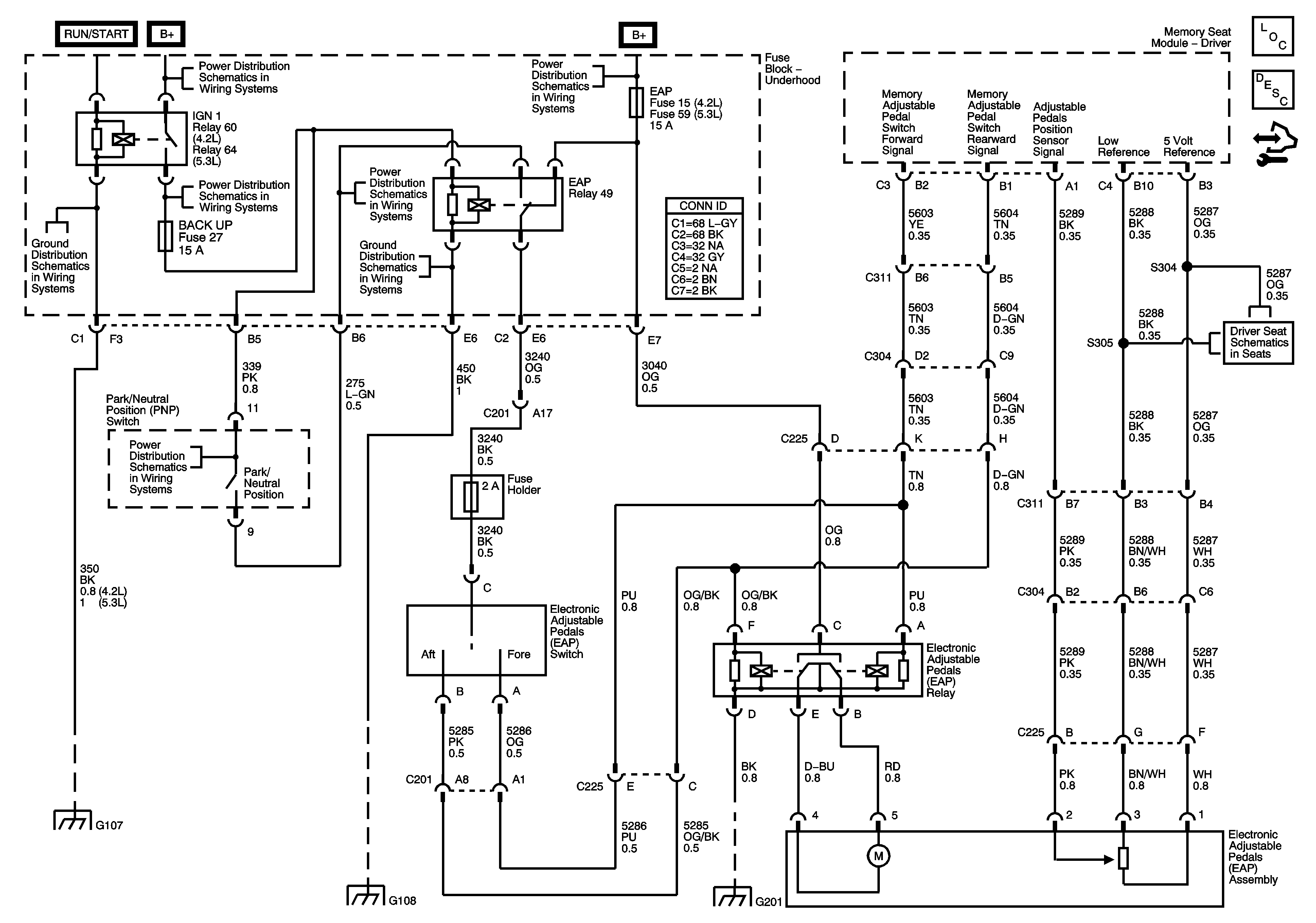
🢒 Adjustable Pedal Schematics
EAP
Master Electrical Component List
Adjustable Pedals Description and Operation
Control Module References
B+ Bus - Underhood Fuse Block - 2 of 2
B+ Bus - Underhood Fuse Block - 1 of 2
G104, G105 and G107
BACK UP, BTSI, IGN E, and TRLR B/U Fuses
BACK UP, BTSI, IGN E, and TRLR B/U Fuses
G108
BACK UP, BTSI, IGN E, and TRLR B/U Fuses
G104, G105 and G107
G108
G201 - 2 of 2 and G305
Lumbar Controls