GM Service Manual Online
For 1990-2009 cars only
Makes
🢒
Saab
🢒
2005
🢒
9-7x
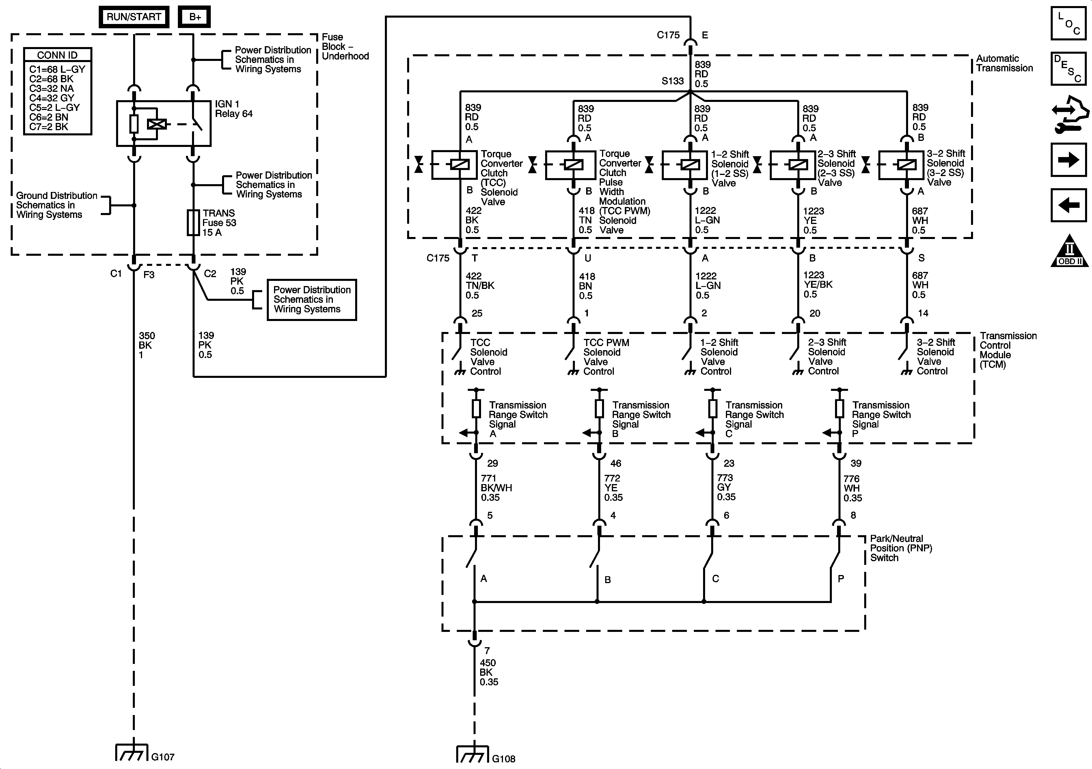
🢒 Transmission Controls
Transmission Controls
Transmission Controls
Master Electrical Component List
Transmission Component and System Description
Control Module References
Pressure Controls, Temperature, and VSS
Module Power, Ground, Serial Data, and Stop Lamp Switch
OBD II Symbol Description Notice
G104, G105 and G107
B+ Bus - Underhood Fuse Block - 2 of 2
ECMI ENG 1, O2, SIR, TAC, and TRANS Fuses
ECMI ENG 1, O2, SIR, TAC, and TRANS Fuses
G104, G105 and G107
G108