GM Service Manual Online
For 1990-2009 cars only
Figure 1:

EBCM, Power, Ground, Serial Data, Indicator, and Signal Circuits


Object Number: 1614452  Size: FS
Master Electrical Component List
ABS Description and Operation
Control Module References
Wheel Speed Sensors and Yaw Rate/Lateral Acceleration Sensor
B+ Bus - Underhood Fuse Block - 1 of 2
G104, G105 and G107
B+ Bus - Underhood Fuse Block - 2 of 2
BCK/UP, BTSI, IGN E, and TRLR BCK/UP Fuses
BCK/UP, BTSI, IGN E, and TRLR BCK/UP Fuses
Ignition Switch - ACCY/RUN/START, RUN, START Bus Bars and IGNA1 Fuse
G201 - 1 of 2
B+ Bus - Rear Fuse Block
4WD, BRK, FRT WPR, HVAC I, IGN 0, and TCM Fuses
G104, G105 and G107
BCK/UP, BTSI, IGN E, and TRLR BCK/UP Fuses
G201 - 1 of 2
G302 - 1 of 2, G303, and G304
Brake Warning System Schematics
SP 205
Figure 2:

Wheel Speed Sensors and Yaw Rate/Lateral Acceleration Sensor


Object Number: 1614457  Size: FS
Master Electrical Component List
ABS Description and Operation
Control Module References
Steering Wheel Speed Position Sensor and Traction Control Switch - JL4
EBCM, Power, Ground, Serial Data, Indicator, and Signal Circuits
Antilock Brake System Schematic Icons
Antilock Brake System Schematic Icons
Antilock Brake System Schematic Icons
Antilock Brake System Schematic Icons
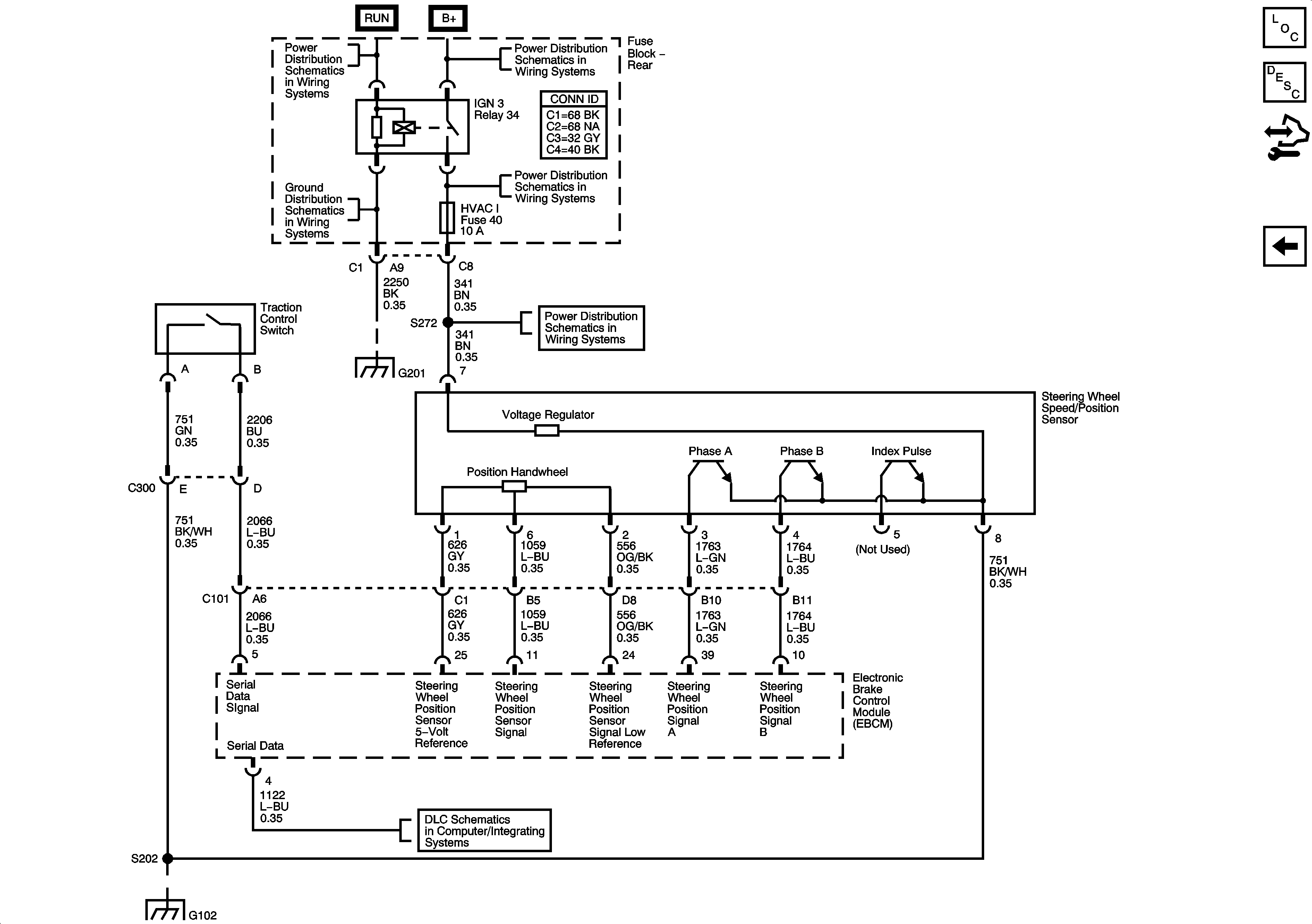
Figure 3:

Steering Wheel Speed Position Sensor and Traction Control Switch - JL4


Object Number: 1614462  Size: FS
Master Electrical Component List
ABS Description and Operation
Control Module References
Wheel Speed Sensors and Yaw Rate/Lateral Acceleration Sensor
Ignition Switch - ACCY/RUN/START, RUN, START Bus Bars and IGNA1 Fuse
G201 - 1 of 2
B+ Bus - Rear Fuse Block
4WD, BRK, FRT WPR, HVAC I, IGN 0, and TCM Fuses
G201 - 1 of 2
4WD, BRK, FRT WPR, HVAC I, IGN 0, and TCM Fuses
G102
SP 205