GM Service Manual Online
For 1990-2009 cars only
Makes
🢒
Saab
🢒
2006
🢒
9-7x
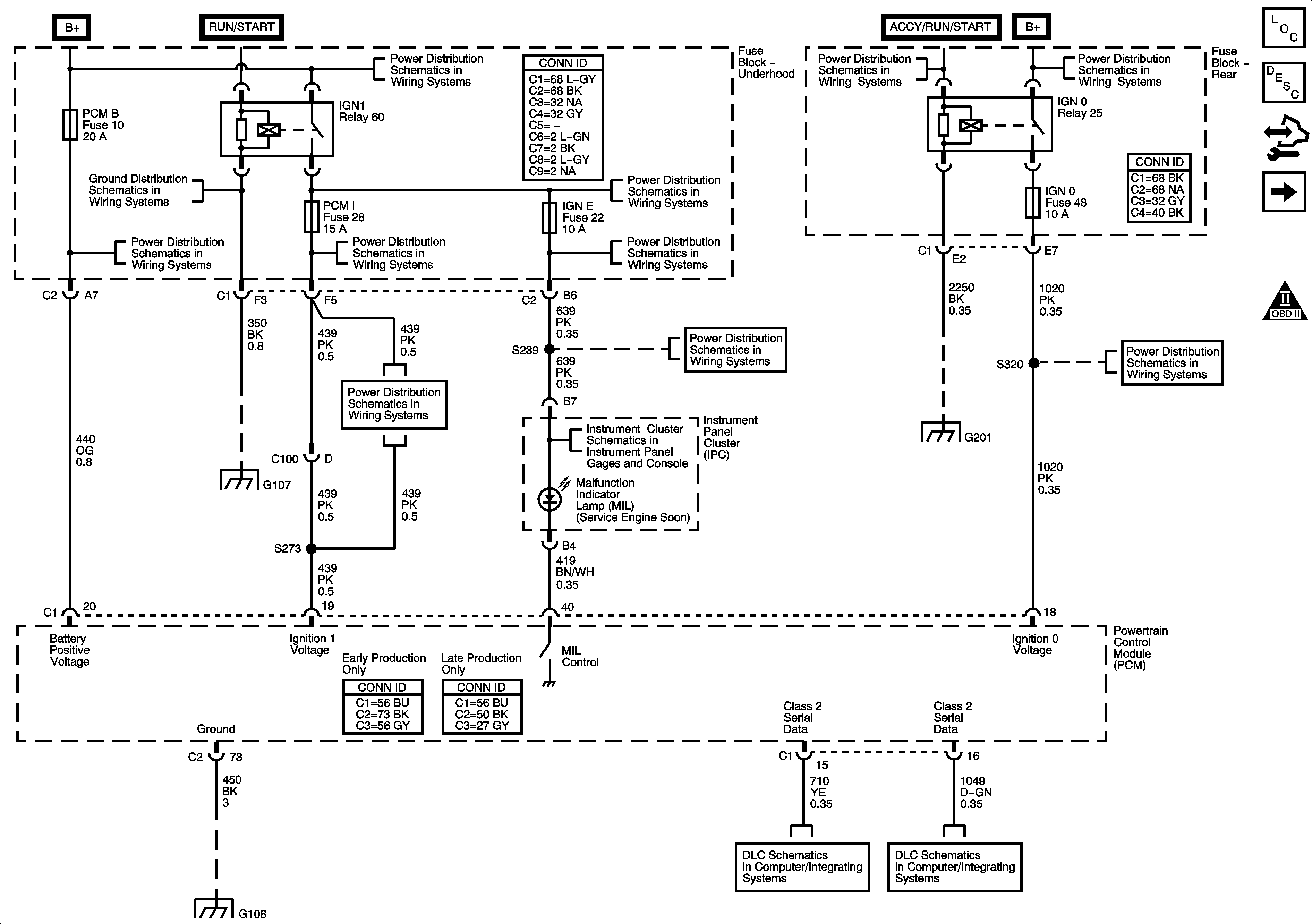
🢒 Module Power, Ground, Serial Data and MIL
Module Power, Ground, Serial Data and MIL
Module Power, Ground, Serial Data, and MIL
Master Electrical Component List
Powertrain Control Module Description
Control Module References
Fuse Block Underhood - Powertrain Relay
Engine Controls Schematic Icons
G104, G105 and G107
EAP, ECM, PCMB, TBC I, and TCM CNSTR Fuses
B+ Bus - Underhood Fuse Block - 1 of 2
AIR SOL and PCM I Fuses
BCK/UP, BTSI, IGN E, and TRLR BCK/UP Fuses
BCK/UP, BTSI, IGN E, and TRLR BCK/UP Fuses
Ignition Switch - ACCY/RUN/START, RUN, START Bus Bars and IGNA1 Fuse
B+ Bus - Rear Fuse Block
G104, G105 and G107
AIR SOL and PCM I Fuses
BCK/UP, BTSI, IGN E, and TRLR BCK/UP Fuses
Power, Ground, Serial Data, and MIL
G201 - 1 of 2
4WD, BRK, FRT WPR, HVAC I, IGN 0, and TCM Fuses
G108
Power, Ground, Data Link Connector
SP 205