GM Service Manual Online
For 1990-2009 cars only
Makes
🢒
Saab
🢒
2006
🢒
9-7x
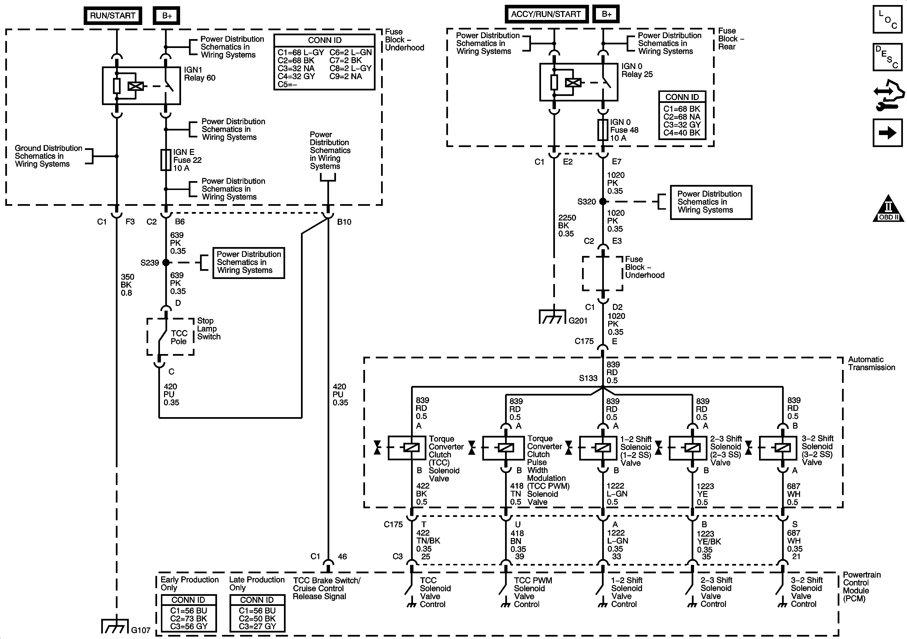
🢒 Shift Control and Stop Lamp Switch
Shift Control and Stop Lamp Switch
Shift Controls and Stop Lamp Switch
Master Electrical Component List
Transmission Component and System Description
Control Module References
Pressure Controls, Temperature, and VSS
Automatic Transmission Schematic Icons
G104, G105 and G107
B+ Bus - Underhood Fuse Block - 2 of 2
BCK/UP, BTSI, IGN E, and TRLR BCK/UP Fuses
BCK/UP, BTSI, IGN E, and TRLR BCK/UP Fuses
BCK/UP, BTSI, IGN E, and TRLR BCK/UP Fuses
G104, G105 and G107
BCK/UP, BTSI, IGN E, and TRLR BCK/UP Fuses
Ignition Switch - ACCY/RUN/START, RUN, START Bus Bars and IGNA1 Fuse
B+ Bus - Rear Fuse Block
4WD, BRK, FRT WPR, HVAC I, IGN 0, and TCM Fuses