GM Service Manual Online
For 1990-2009 cars only
Makes
🢒
Saab
🢒
2006
🢒
9-7x
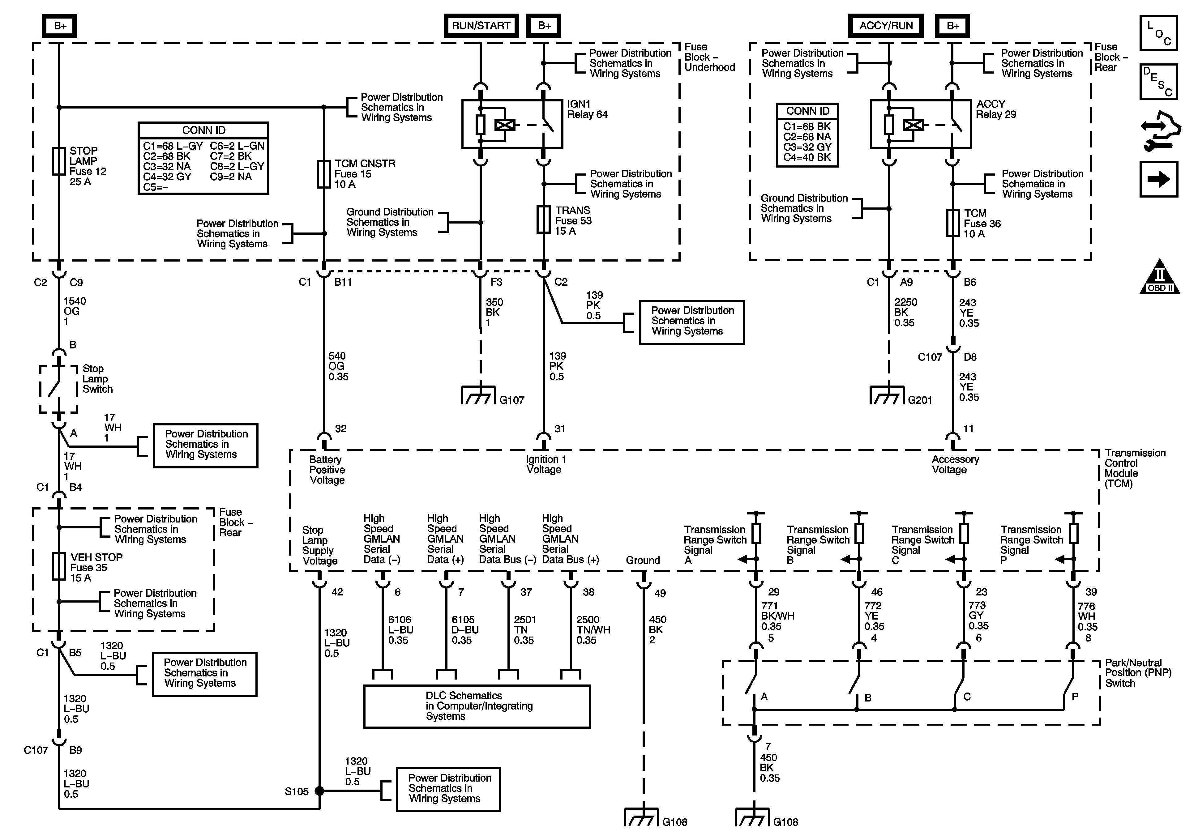
🢒 Module Power, Ground, Serial Data, and Stop Lamp Switch
Module Power, Ground, Serial Data, and Stop Lamp Switch
Module Power, Ground, Serial Data, and Stop Lamp Switch
Master Electrical Component List
Electronic Component Description (TCM)
Control Module References
Transmission Controls
Automatic Transmission Schematic Icons
EAP, ECM, PCMB, TBC I, and TCM CNSTR Fuses
B+ Bus - Underhood Fuse Block - 1 of 2
G104, G105 and G107
B+ Bus - Underhood Fuse Block - 2 of 2
AIRBAG, ECM I, and TRANS Fuses
Ignition Switch - ACCY/RUN, RUN/START Bus Bars and IGNB1 Fuse
G201 - 1 of 2
B+ Bus - Rear Fuse Block
4WD, BRK, FRT WPR, HVAC I, IGN 0, and TCM Fuses
ABS, ATC, BLWR, ECAS, ELEC BRK, HAZRD, IPC/DIC, LTR, STOP LAMP, TRLR, VEH CHMSL, VEH STOP, and VSES Fuses
G104, G105 and G107
AIRBAG, ECM I, and TRANS Fuses
G201 - 1 of 2
ABS, ATC, BLWR, ECAS, ELEC BRK, HAZRD, IPC/DIC, LTR, STOP LAMP, TRLR, VEH CHMSL, VEH STOP, and VSES Fuses
ABS, ATC, BLWR, ECAS, ELEC BRK, HAZRD, IPC/DIC, LTR, STOP LAMP, TRLR, VEH CHMSL, VEH STOP, and VSES Fuses
ABS, ATC, BLWR, ECAS, ELEC BRK, HAZRD, IPC/DIC, LTR, STOP LAMP, TRLR, VEH CHMSL, VEH STOP, and VSES Fuses
Power, Ground, Data Link Connector
ABS, ATC, BLWR, ECAS, ELEC BRK, HAZRD, IPC/DIC, LTR, STOP LAMP, TRLR, VEH CHMSL, VEH STOP, and VSES Fuses
G108
G108