GM Service Manual Online
For 1990-2009 cars only
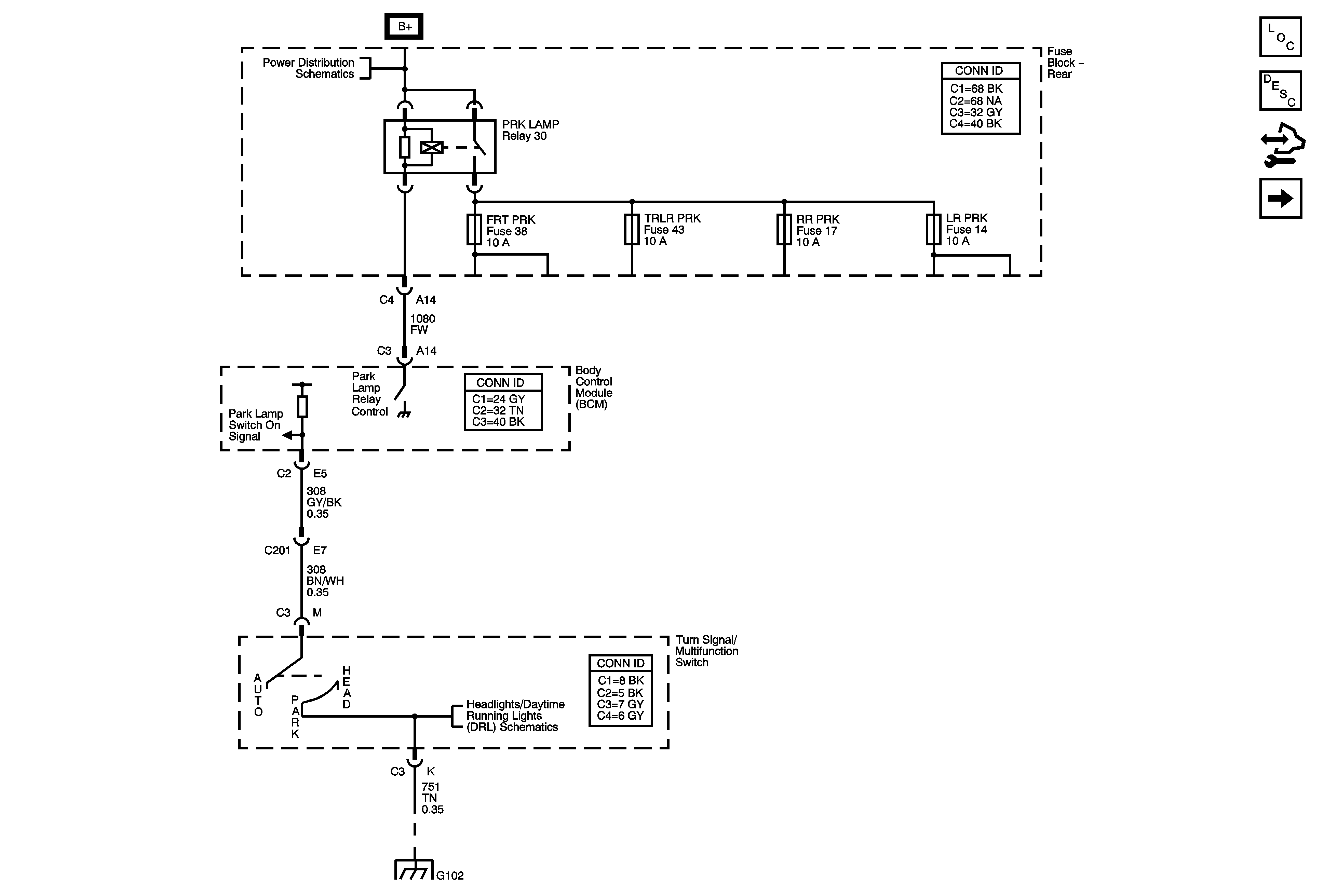
Figure 1:

Park Lamp Relay


Object Number: 1748848  Size: FS
Master Electrical Component List
Exterior Lighting Systems Description and Operation
Control Module References
Marker and Front Park Lamps
B+ BUS - Rear Fuse Block
Headlamp Switch
G102
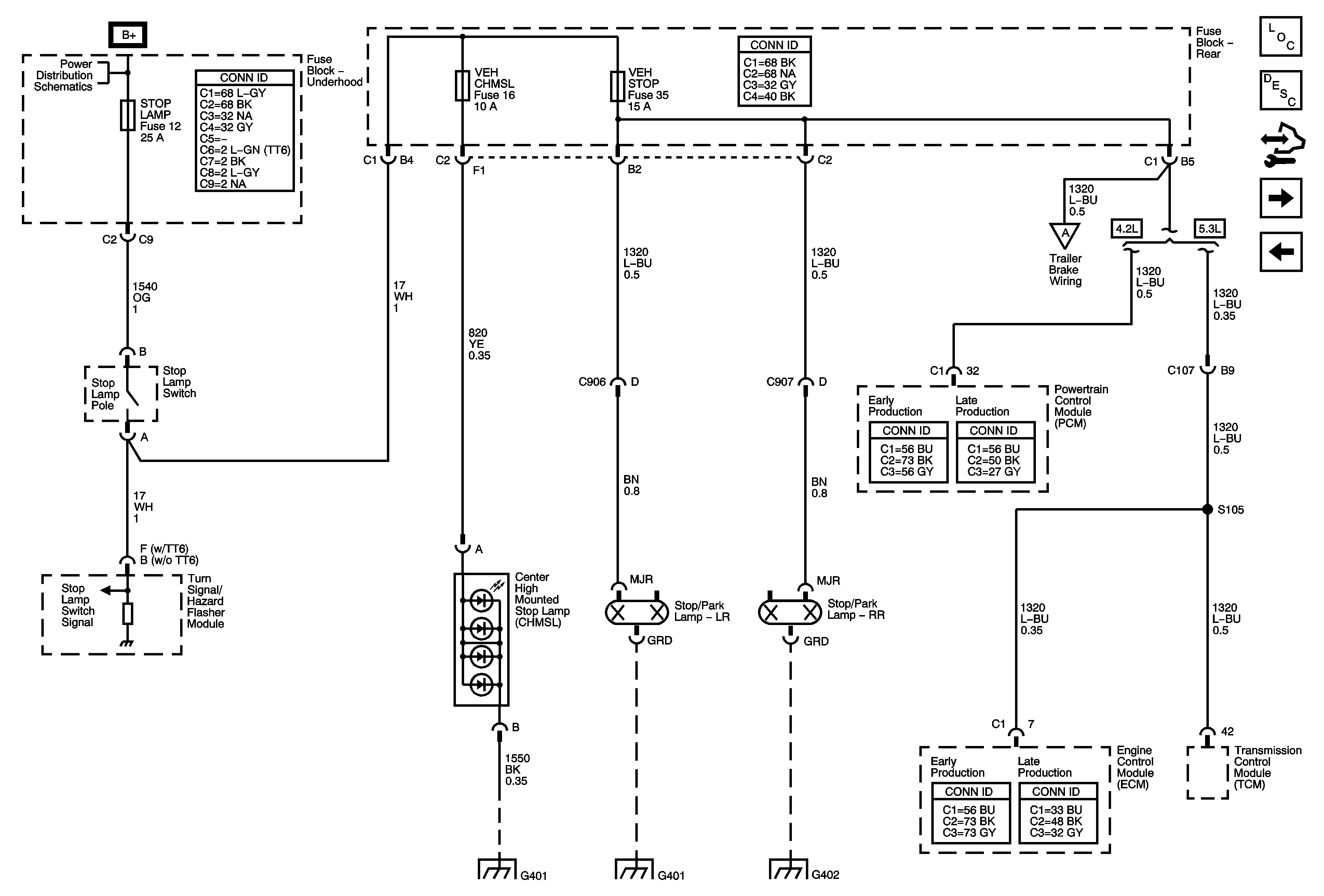
Figure 2:

Marker and Front Park Lamps


Object Number: 1748849  Size: FS
Master Electrical Component List
Exterior Lighting Systems Description and Operation
Control Module References
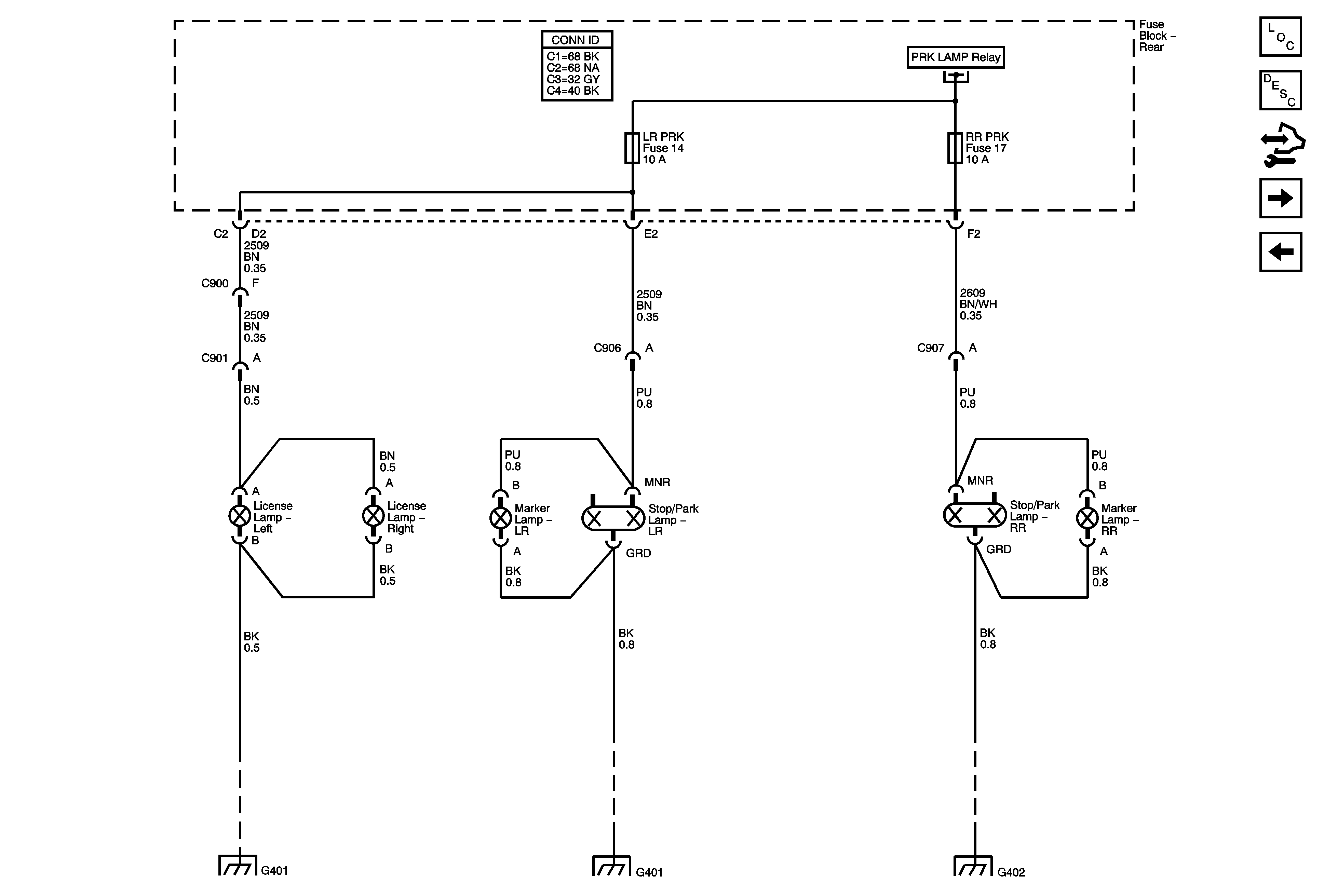
Rear Park, Marker, and License Lamps
Park Lamp Relay
Park Lamp Relay
FRT PRK, LGM #2, LR PRK, RR PRK, TRLR PRK Fuses, and REAR WPR Circuit Breakers
Left Turn Signals
FL TRN, FR TRN, RL TRN, and RR TRN Fuses
G104, G105, and G107
G101, G103, G106, and G110
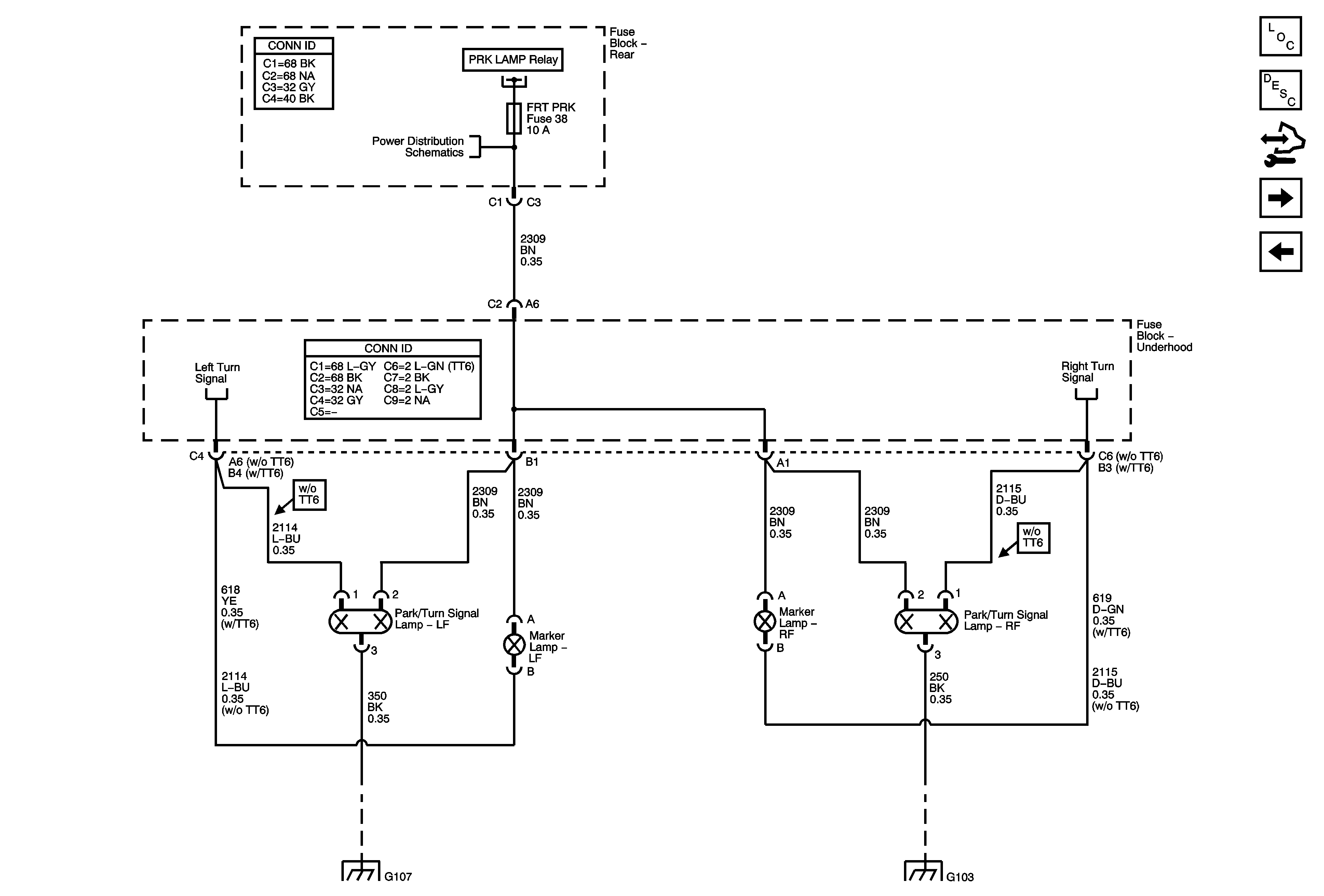
Figure 3:

Rear Park, Marker, and License Lamps


Object Number: 1748850  Size: FS
Master Electrical Component List
Exterior Lighting Systems Description and Operation
Control Module References
Stop Lamps
Marker and Front Park Lamps
Park Lamp Relay
G401, G402, and G403
G401, G402, and G403
G401, G402, and G403
Figure 4:

Stop Lamps


Object Number: 1748851  Size: FS
Master Electrical Component List
Exterior Lighting Systems Description and Operation
Control Module References
Turn Signal Lamps Controls
Rear Park, Marker, and License Lamps
B+ BUS - Underhood Fuse Block - 1 of 2
Trailer Wiring
G401, G402, and G403
G401, G402, and G403
G401, G402, and G403
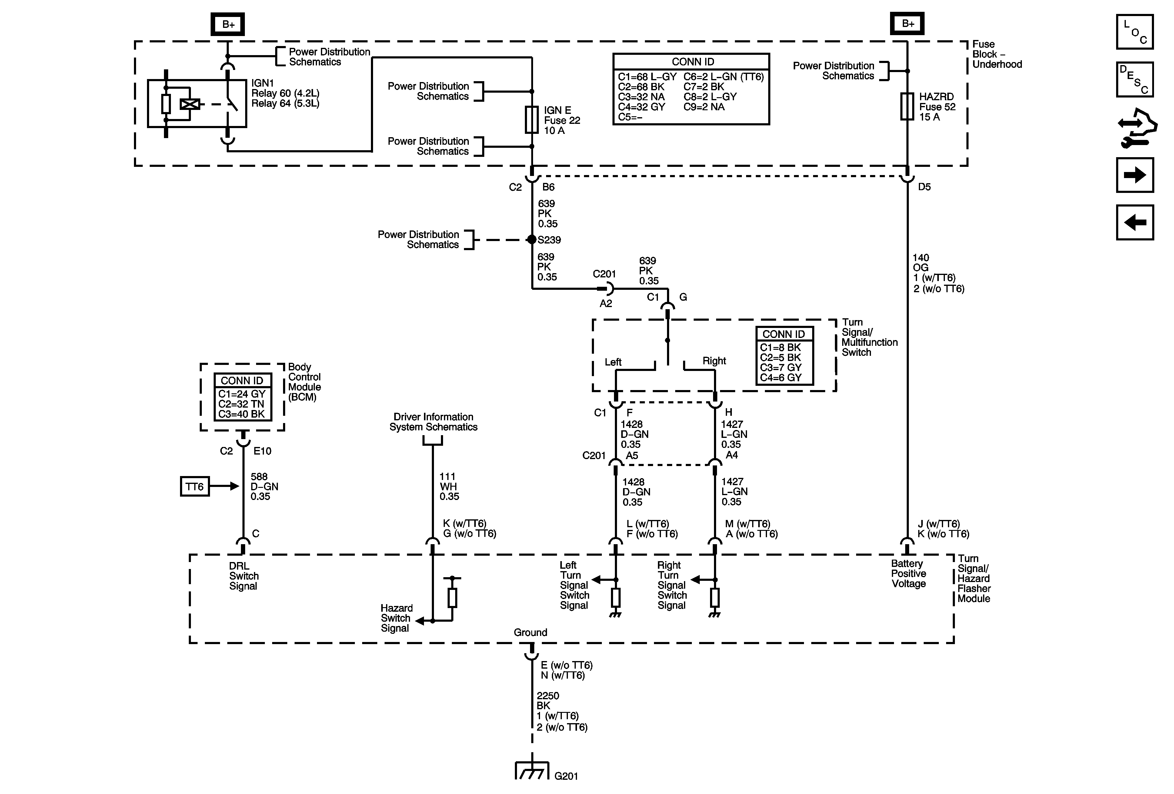
Figure 5:

Turn Signal Lamps Controls


Object Number: 1748852  Size: FS
Master Electrical Component List
Exterior Lighting Systems Description and Operation
Control Module References
Left Turn Signals
Stop Lamps
B+ BUS - Underhood Fuse Block - 2 of 2
B+ BUS - Underhood Fuse Block - 1 of 2
BCK/UP, BTSI, IGN E, and TRLR BCK/UP Fuses
BCK/UP, BTSI, IGN E, and TRLR BCK/UP Fuses
BCK/UP, BTSI, IGN E, and TRLR BCK/UP Fuses
Driver Information Center (DIC) Switch
G201 - 1 of 2
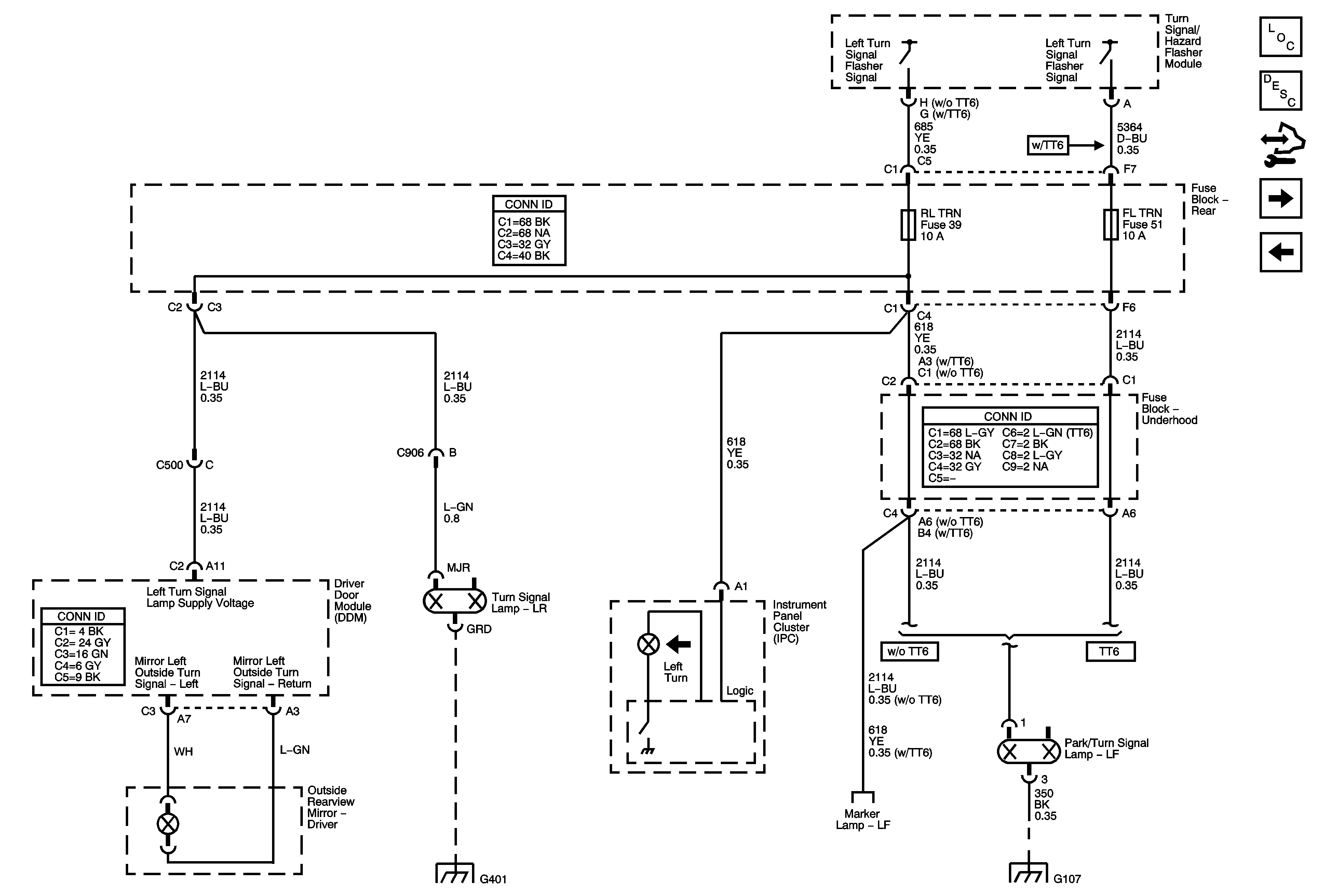
Figure 6:

Left Turn Signals


Object Number: 1748853  Size: FS
Master Electrical Component List
Exterior Lighting Systems Description and Operation
Control Module References
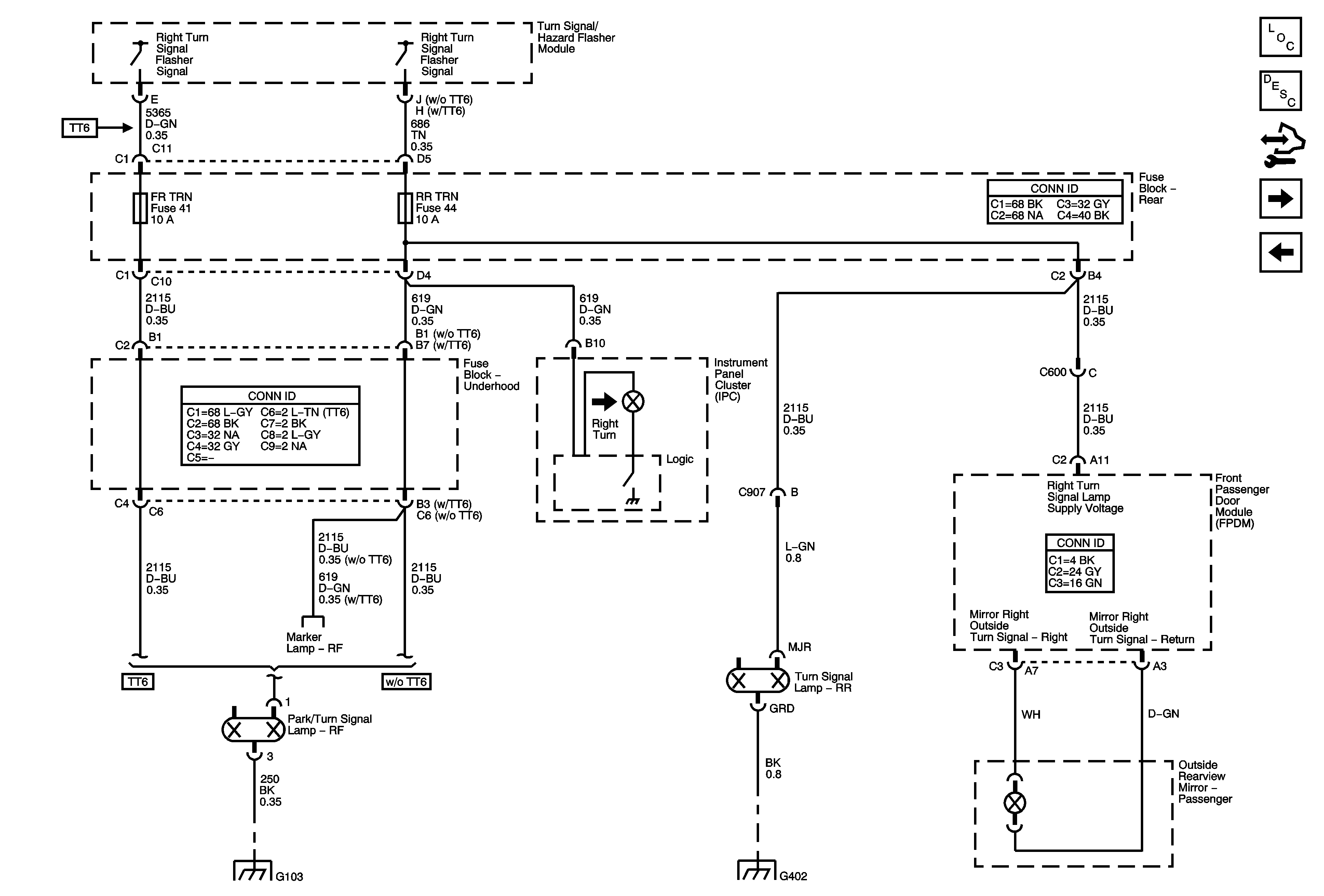
Right Turn Signals
Turn Signal Lamps Controls
G401, G402, and G403
Marker and Front Park Lamps
G104, G105, and G107
Figure 7:

Right Turn Signals


Object Number: 1748854  Size: FS
Master Electrical Component List
Exterior Lighting Systems Description and Operation
Control Module References
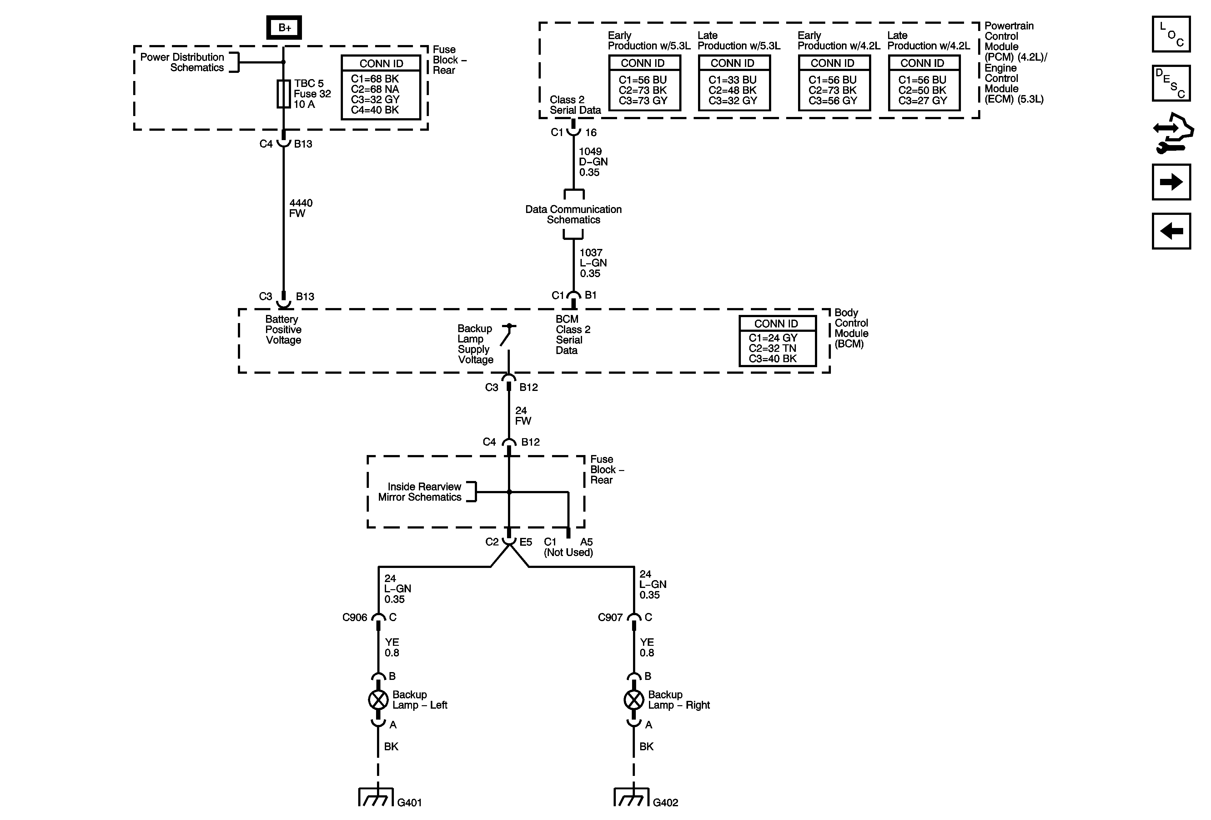
Backup Lamps
Left Turn Signals
Marker and Front Park Lamps
G101, G103, G106, and G110
G401, G402, and G403
Figure 8:

Backup Lamps


Object Number: 1748855  Size: FS
Master Electrical Component List
Exterior Lighting Systems Description and Operation
Control Module References
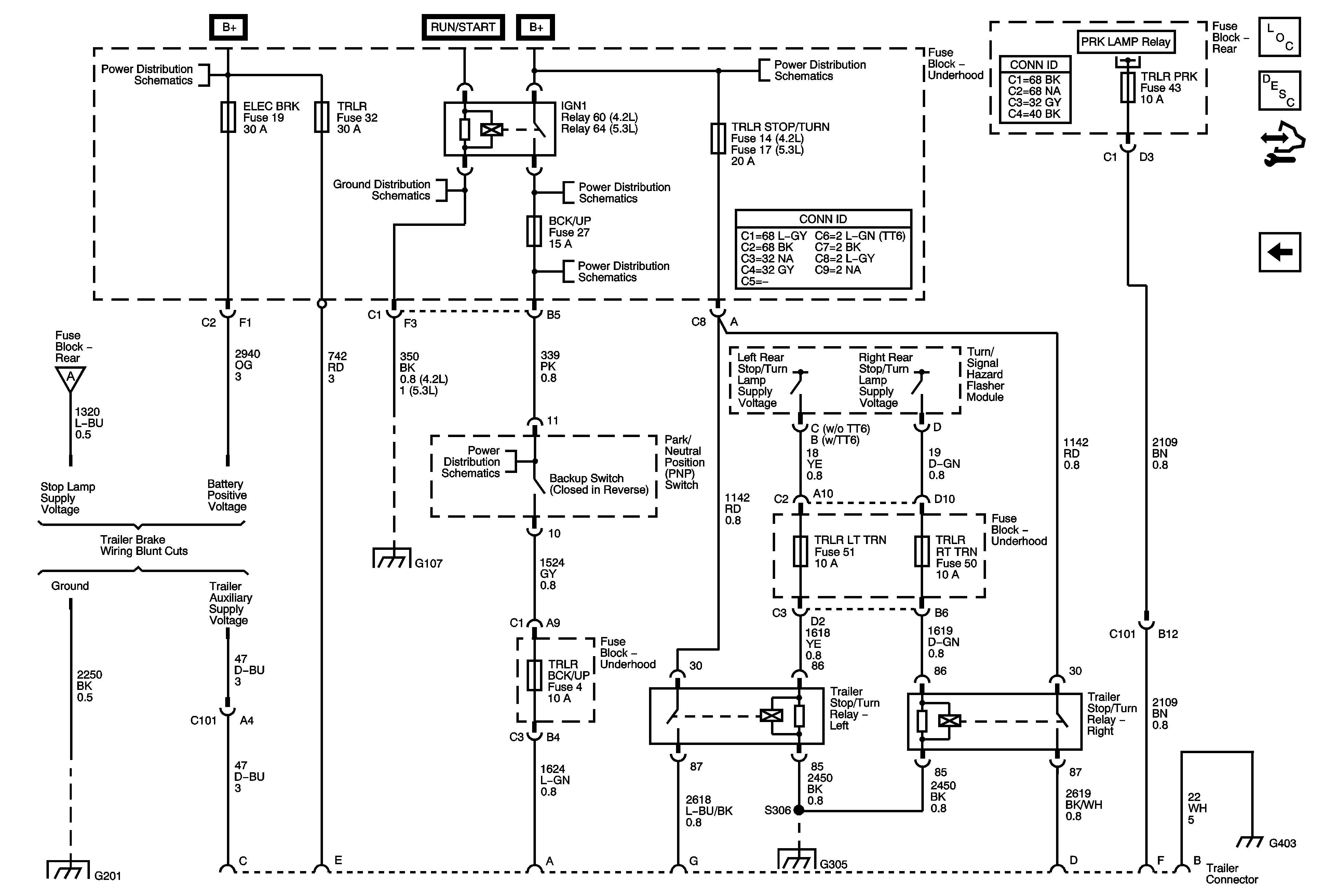
Trailer Wiring
Right Turn Signals
B+ BUS - Rear Fuse Block
SP205
07 9-7x (VIN S/T) Inside Rearview Mirror Schematics
G401, G402, and G403
G401, G402, and G403
Figure 9:

Trailer Wiring


Object Number: 1748856  Size: FS
Master Electrical Component List
Exterior Lighting Systems Description and Operation
Control Module References
Backup Lamps
B+ BUS - Underhood Fuse Block - 1 of 2
B+ BUS - Underhood Fuse Block - 1 of 2
Park Lamp Relay
BCK/UP, BTSI, IGN E, and TRLR BCK/UP Fuses
BCK/UP, BTSI, IGN E, and TRLR BCK/UP Fuses
Stop Lamps
G104, G105, and G107
G201 - 1 of 2
G201 - 2 of 2, and G305