GM Service Manual Online
For 1990-2009 cars only

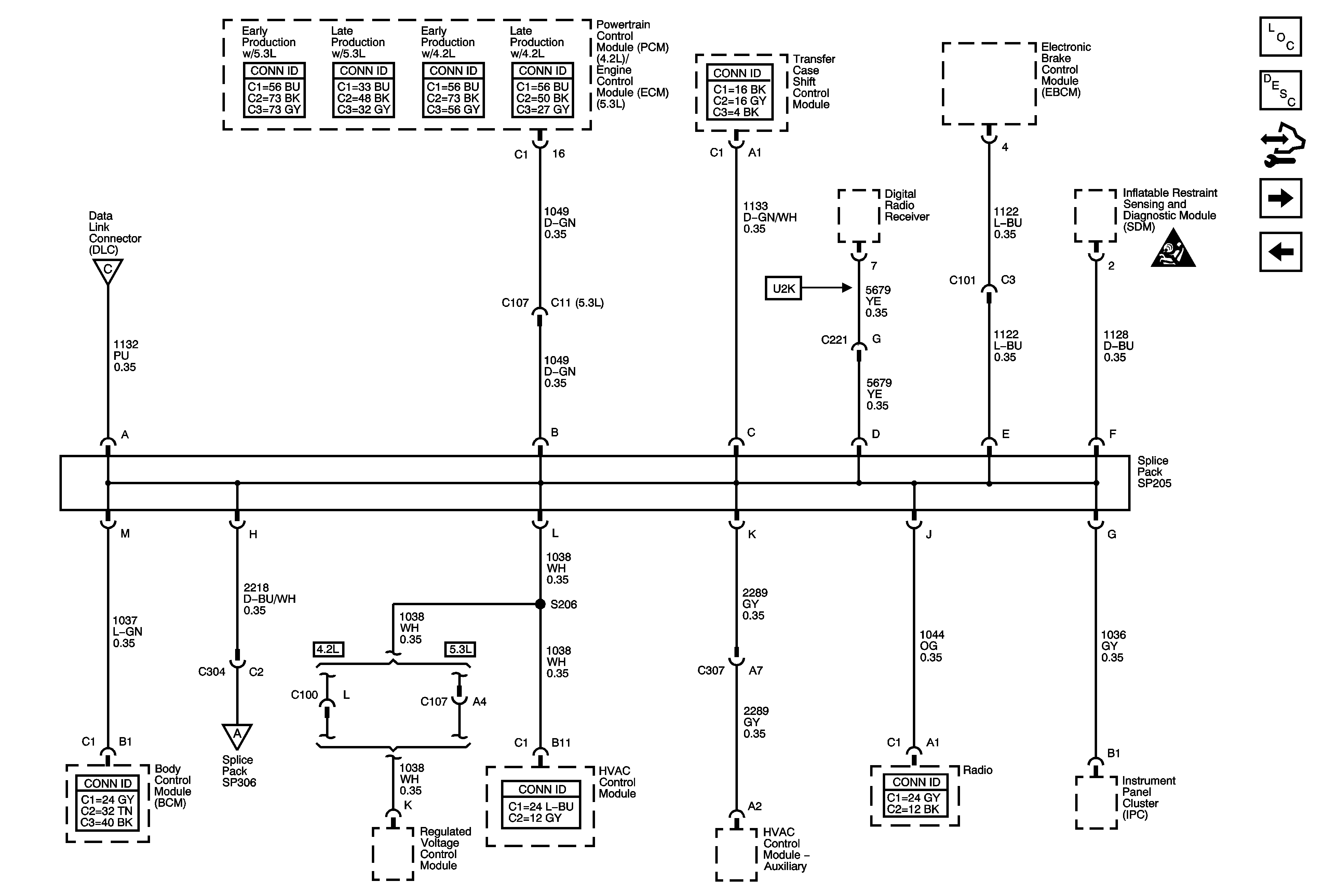
SP205

SP205


Object Number: 1749145  Size: FS
Master Electrical Component List
Data Link Communications Description and Operation
Control Module References
SP306
Power, Ground, and Data Link Connector
Power, Ground, and Data Link Connector
Data Communication Schematic Icons
SP306