GM Service Manual Online
For 1990-2009 cars only
Makes
🢒
Saab
🢒
2007
🢒
9-7x
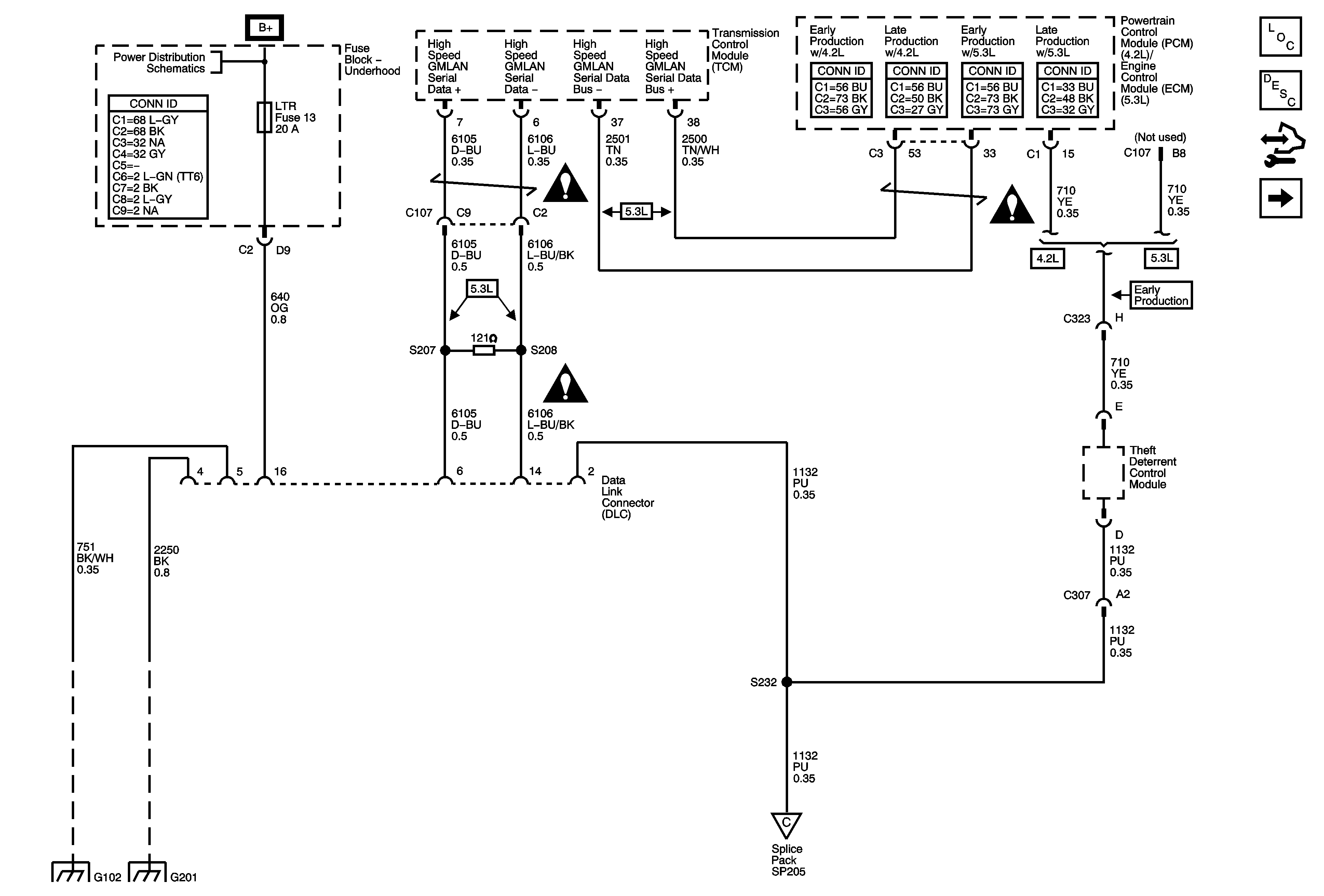
🢒 Power, Ground, and Data Link Connector
Power, Ground, and Data Link Connector
Power, Ground, and Data Link Connector
Master Electrical Component List
Data Link Communications Description and Operation
Control Module References
SP205
B+ BUS - Underhood Fuse Block - 1 of 2
Data Communication Schematic Icons
Data Communication Schematic Icons
Data Communication Schematic Icons
G102
G201 - 1 of 2
SP205