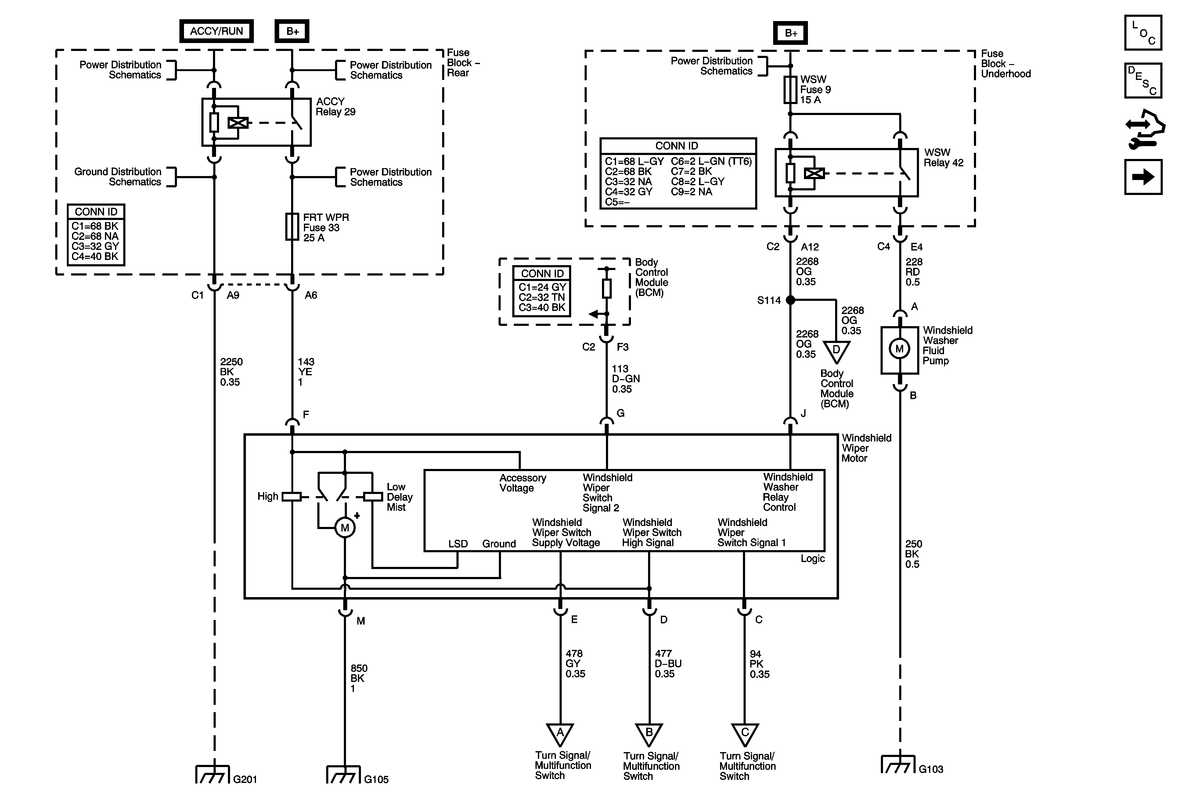
GM Service Manual Online
For 1990-2009 cars only
Figure 1:

Windshield Wiper/Washer Motors


Object Number: 1748924  Size: FS
Master Electrical Component List
Wiper/Washer System Description and Operation
Control Module References
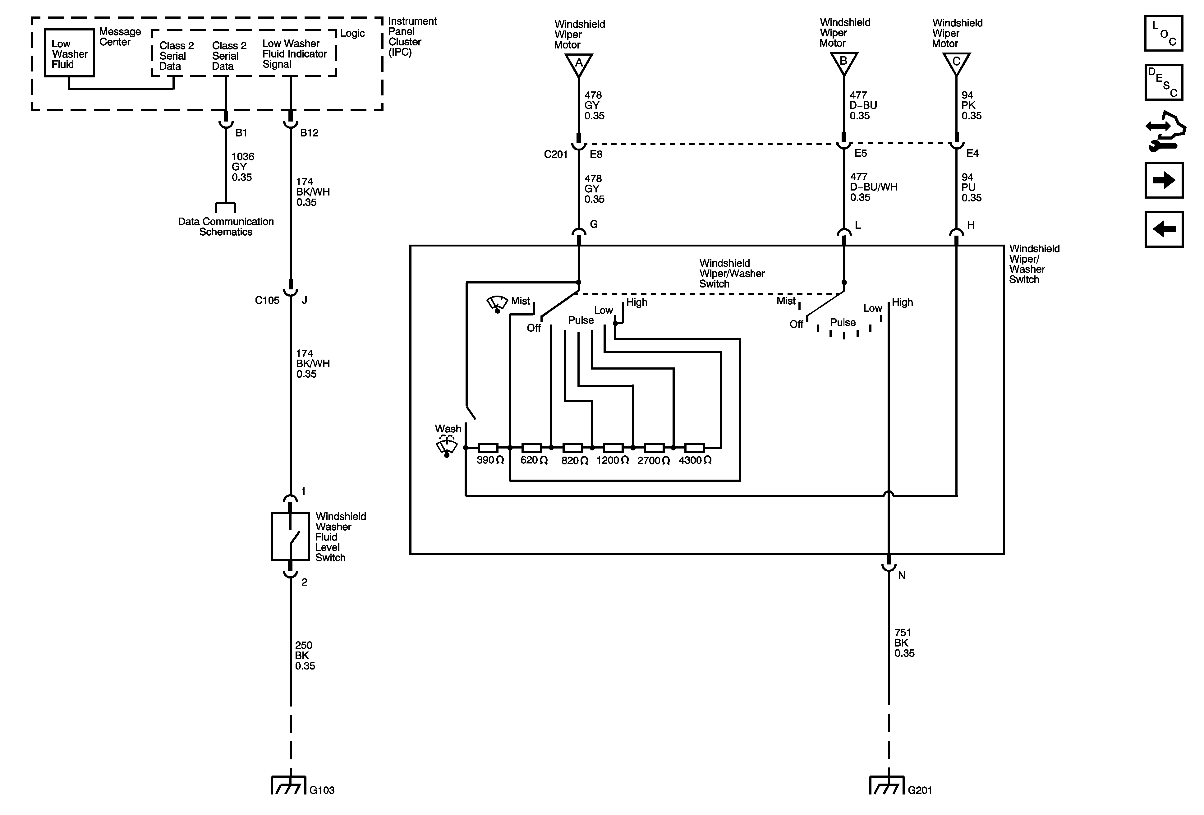
Wiper/Washer Switch and Washer Fluid Level Switch
Ignition Switch - ACCY/RUN, RUN/START Bus Bars, and IGNB1 Fuse
B+ BUS - Rear Fuse Block
B+ BUS - Underhood Fuse Block - 1 of 2
G201 - 1 of 2
B+ BUS - Rear Fuse Block
Headlamp Washer - CE4
G201 - 1 of 2
G104, G105, and G107
Wiper/Washer Switch and Washer Fluid Level Switch
Wiper/Washer Switch and Washer Fluid Level Switch
Wiper/Washer Switch and Washer Fluid Level Switch
G101, G103, G106, and G110
Figure 2:

Wiper/Washer Switch and Washer Fluid Level Switch


Object Number: 1748927  Size: FS
Master Electrical Component List
Wiper/Washer System Description and Operation
Control Module References
Headlamp Washer - CE4
Windshield Wiper/Washer Motors
Windshield Wiper/Washer Motors
Windshield Wiper/Washer Motors
Windshield Wiper/Washer Motors
SP205
G101, G103, G106, and G110
G201 - 1 of 2
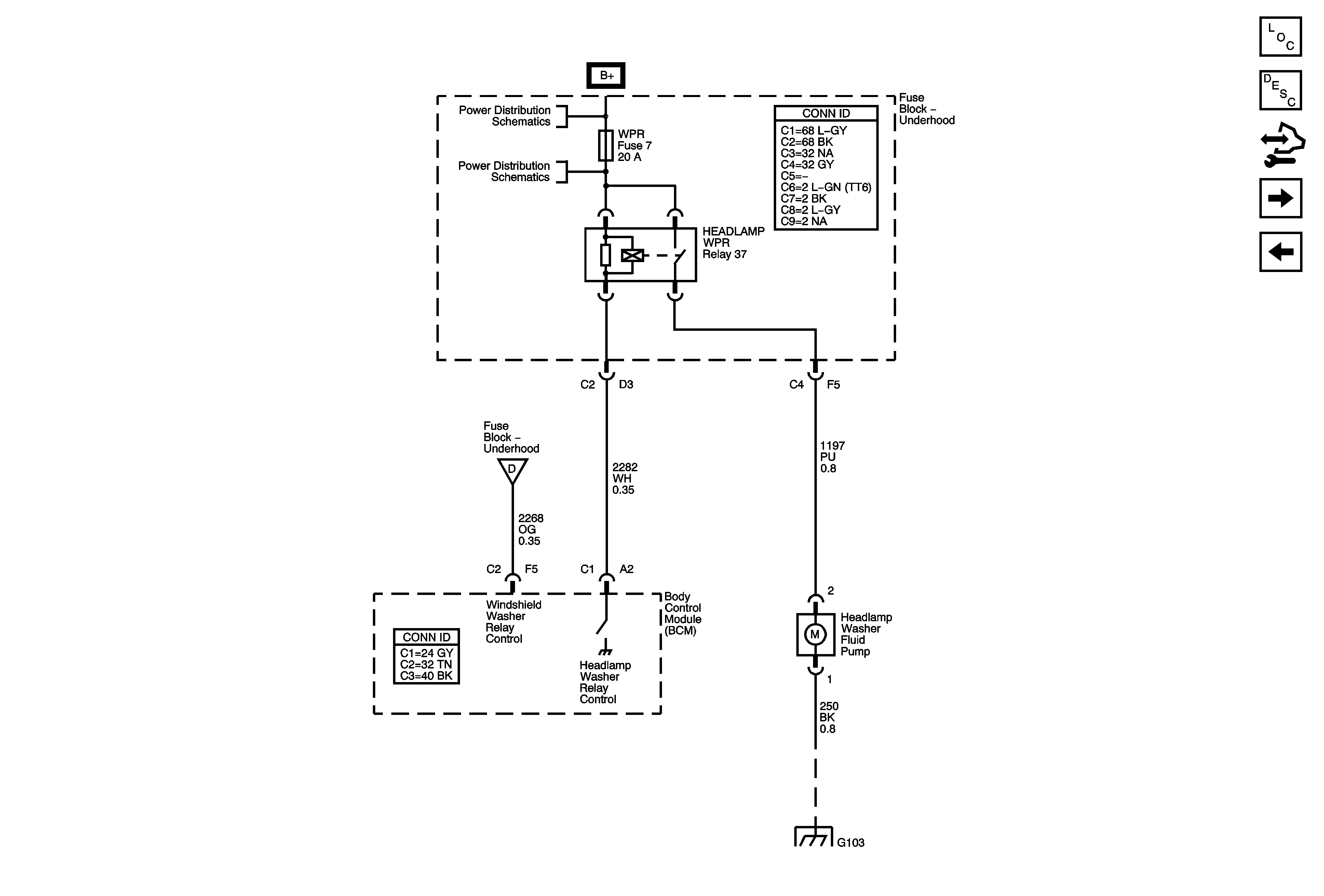
Figure 3:

Headlamp Washer - CE4


Object Number: 1748928  Size: FS
Master Electrical Component List
Headlamp Washer System Description and Operation
Control Module References
Rear Wiper/Washer Controls
Wiper/Washer Switch and Washer Fluid Level Switch
B+ BUS - Underhood Fuse Block - 2 of 2
B+ BUS - Underhood Fuse Block - 2 of 2
Windshield Wiper/Washer Motors
G101, G103, G106, and G110
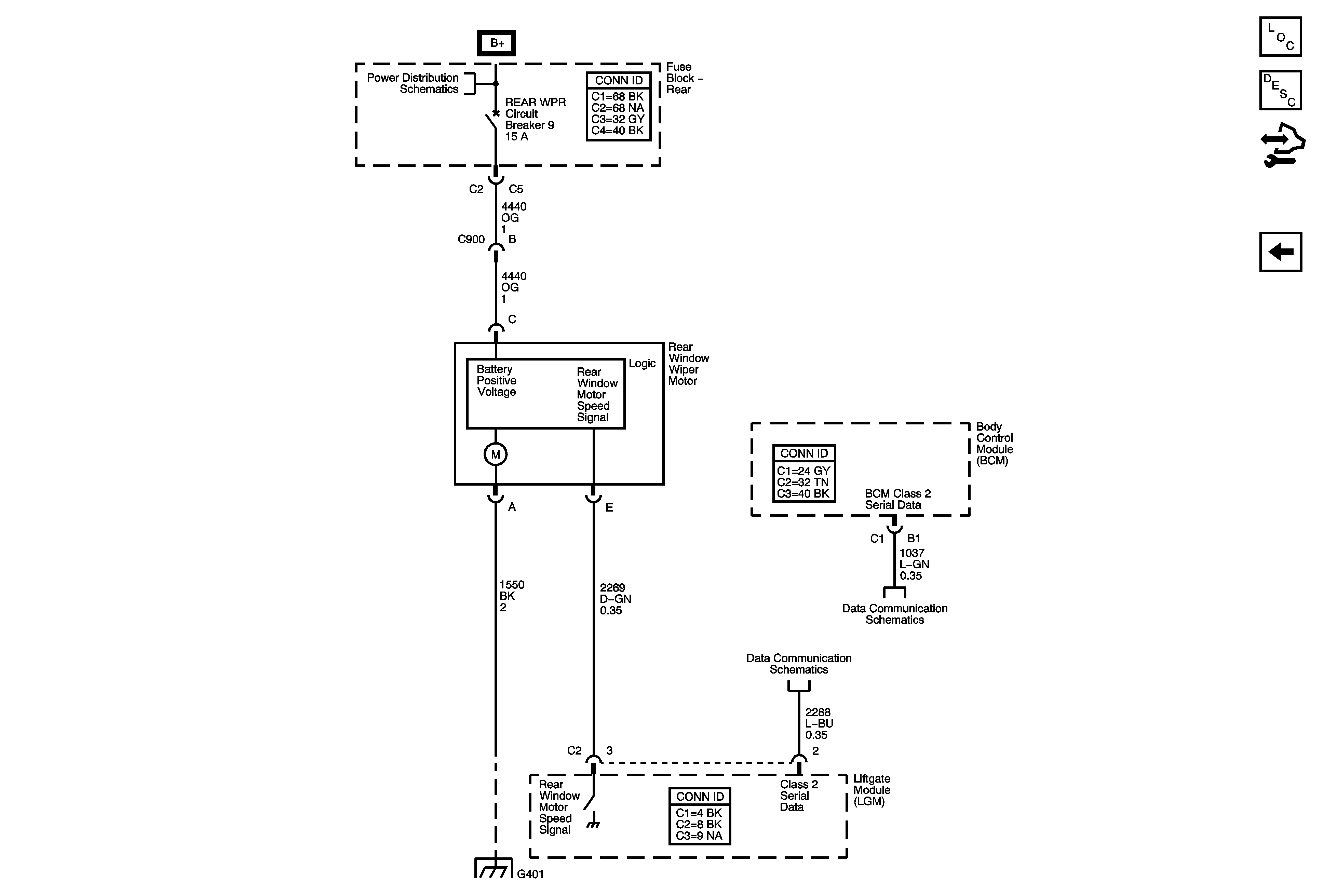
Figure 4:

Rear Wiper/Washer Controls


Object Number: 1748930  Size: FS
Master Electrical Component List
Rear Wiper/Washer System Description and Operation
Control Module References
Rear Window Wiper Motor
Headlamp Washer - CE4
B+ BUS - Underhood Fuse Block - 2 of 2
B+ BUS - Underhood Fuse Block - 2 of 2
Steering Wheel Secondary/Configurable Control Schematics
G101, G103, G106, and G110
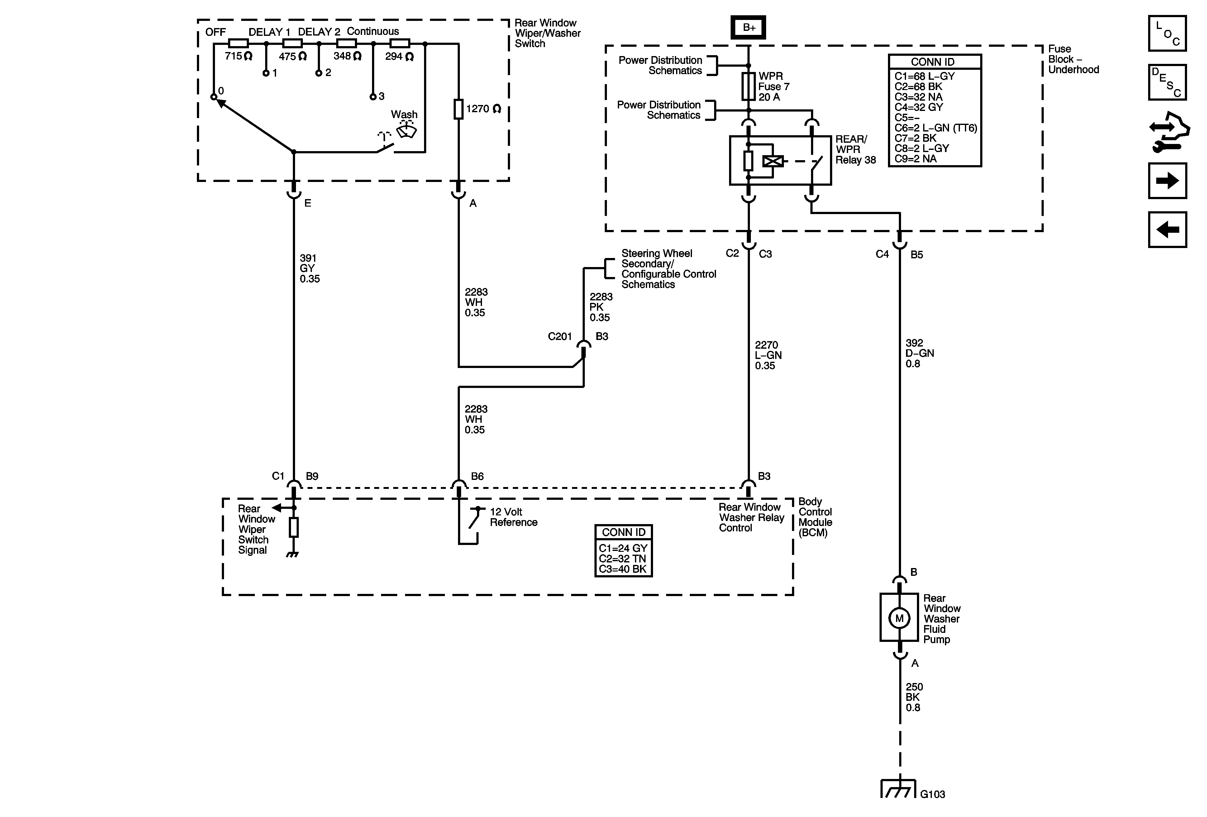
Figure 5:

Rear Window Wiper Motor


Object Number: 1748932  Size: FS
Master Electrical Component List
Rear Wiper/Washer System Description and Operation
Control Module References
Rear Wiper/Washer Controls
B+ BUS - Rear Fuse Block
SP205
SP306
G401, G402, and G403