GM Service Manual Online
For 1990-2009 cars only
Makes
🢒
Saab
🢒
2007
🢒
9-7x
🢒
Body Systems
🢒
Mirrors
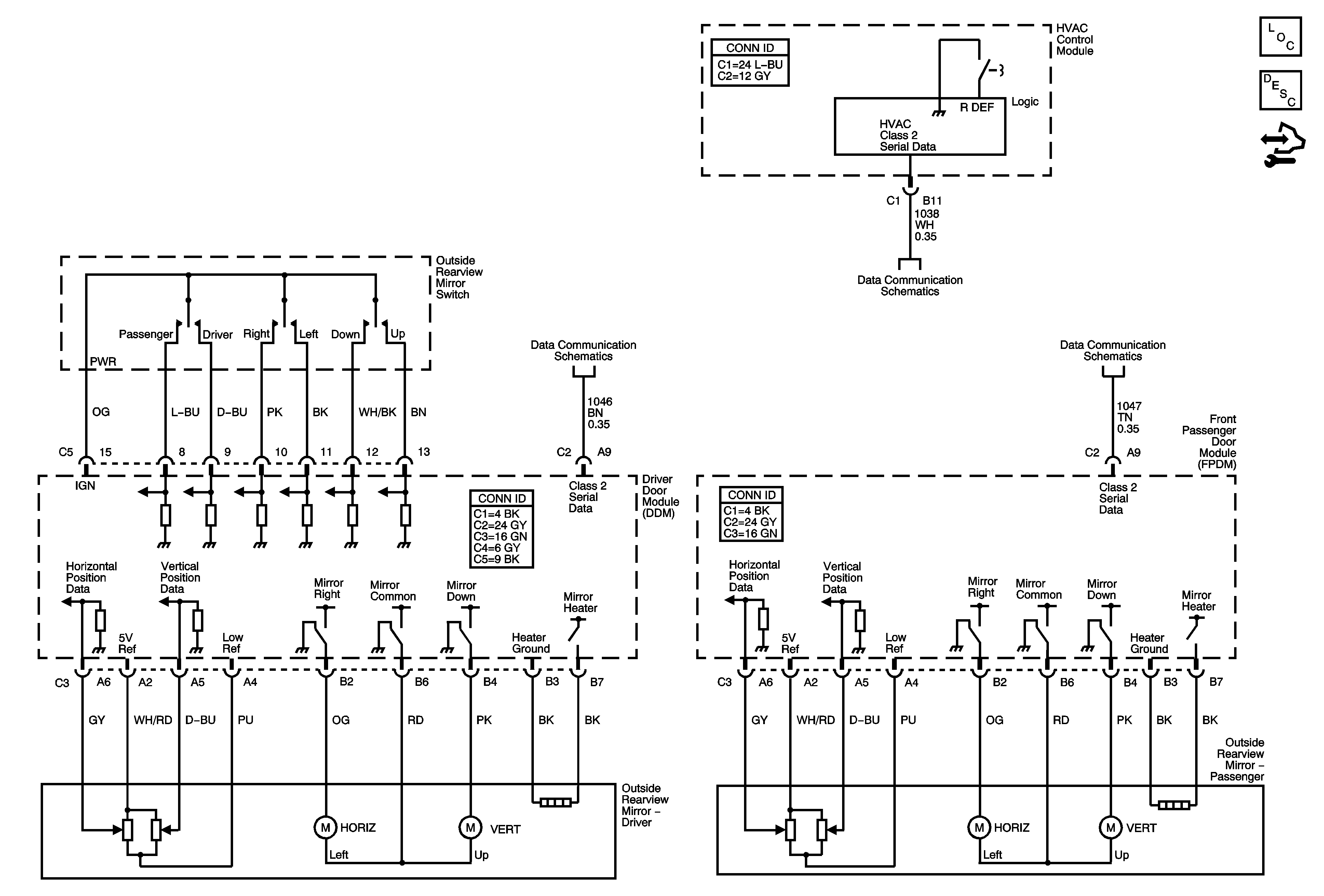
🢒 Outside Rearview Mirror Schematics
Master Electrical Component List
Outside Mirror Description and Operation (Power Mirrors)
Control Module References
SP205
SP306
SP306