GM Service Manual Online
For 1990-2009 cars only
Makes
🢒
Saab
🢒
2007
🢒
9-7x
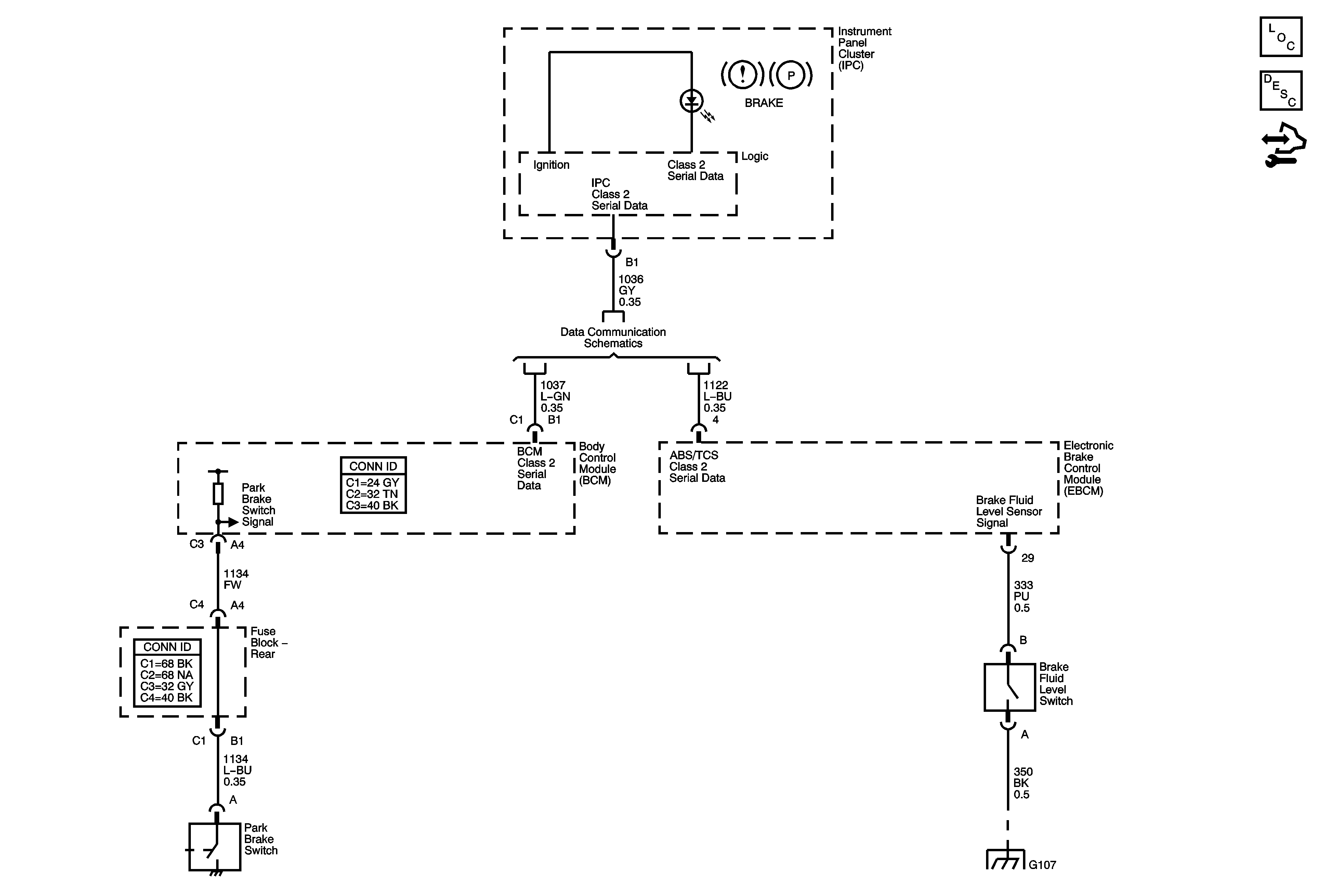
🢒 Hydraulic Brake Schematics
Hydraulic Brake Schematics
Master Electrical Component List
Brake Warning System Description and Operation
Control Module References
SP205
G104, G105, and G107