GM Service Manual Online
For 1990-2009 cars only
Makes
🢒
Saab
🢒
2007
🢒
9-7x
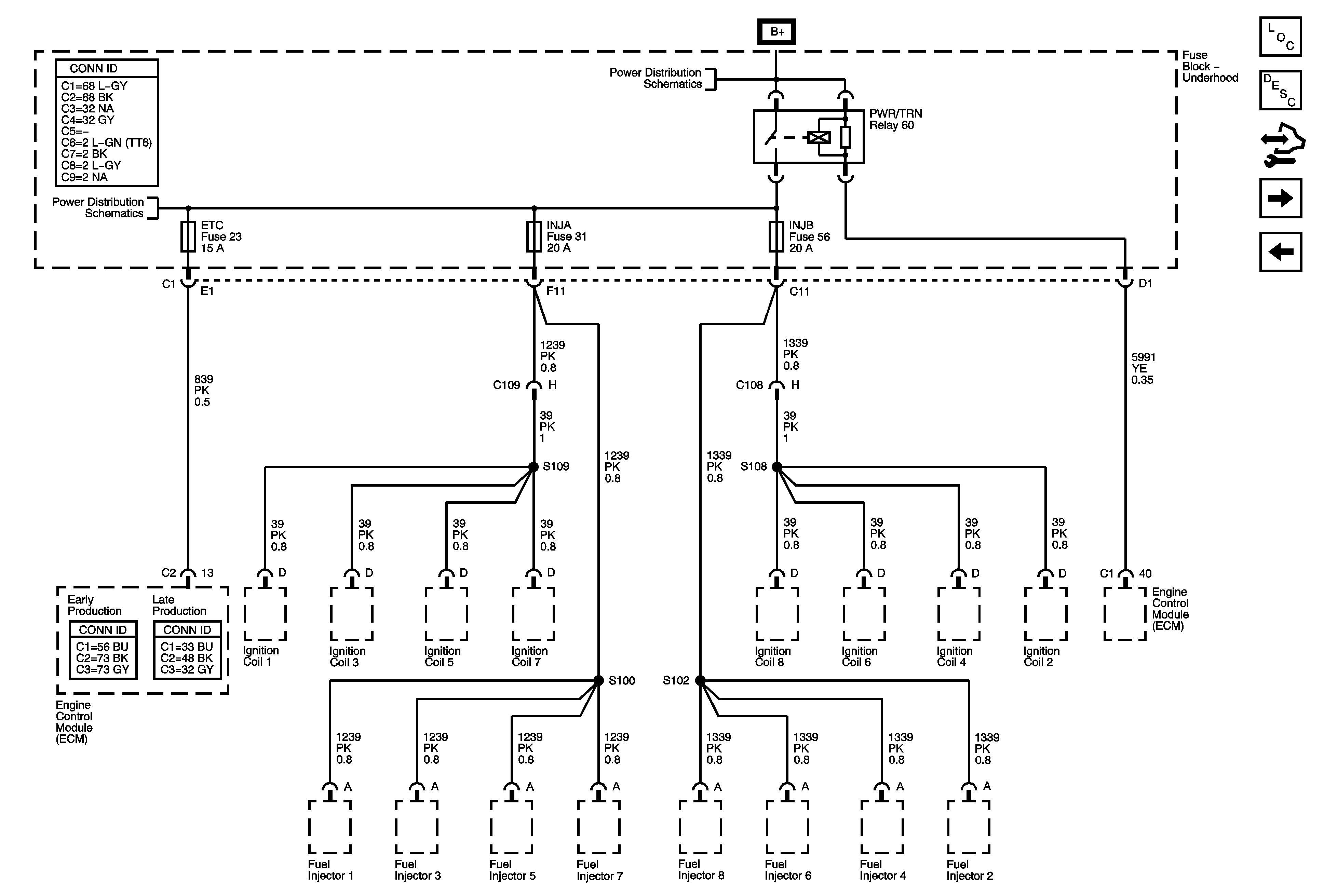
🢒 Fuse Block - Underhood - PWR/TRN Relay - 1 of 2
Fuse Block - Underhood - PWR/TRN Relay - 1 of 2
Fuse Block - Underhood - PWR/TRN Relay - 1 of 2
Master Electrical Component List
Engine Control Module Description
Control Module References
Fuse Block - Underhood - PWR/TRN Relay - 2 of 2
Module Power, Ground, Serial Data, and MIL
B+ BUS - Underhood Fuse Block - 2 of 2
B+ BUS - Underhood Fuse Block - 2 of 2