GM Service Manual Online
For 1990-2009 cars only
Makes
🢒
Saab
🢒
2007
🢒
9-7x
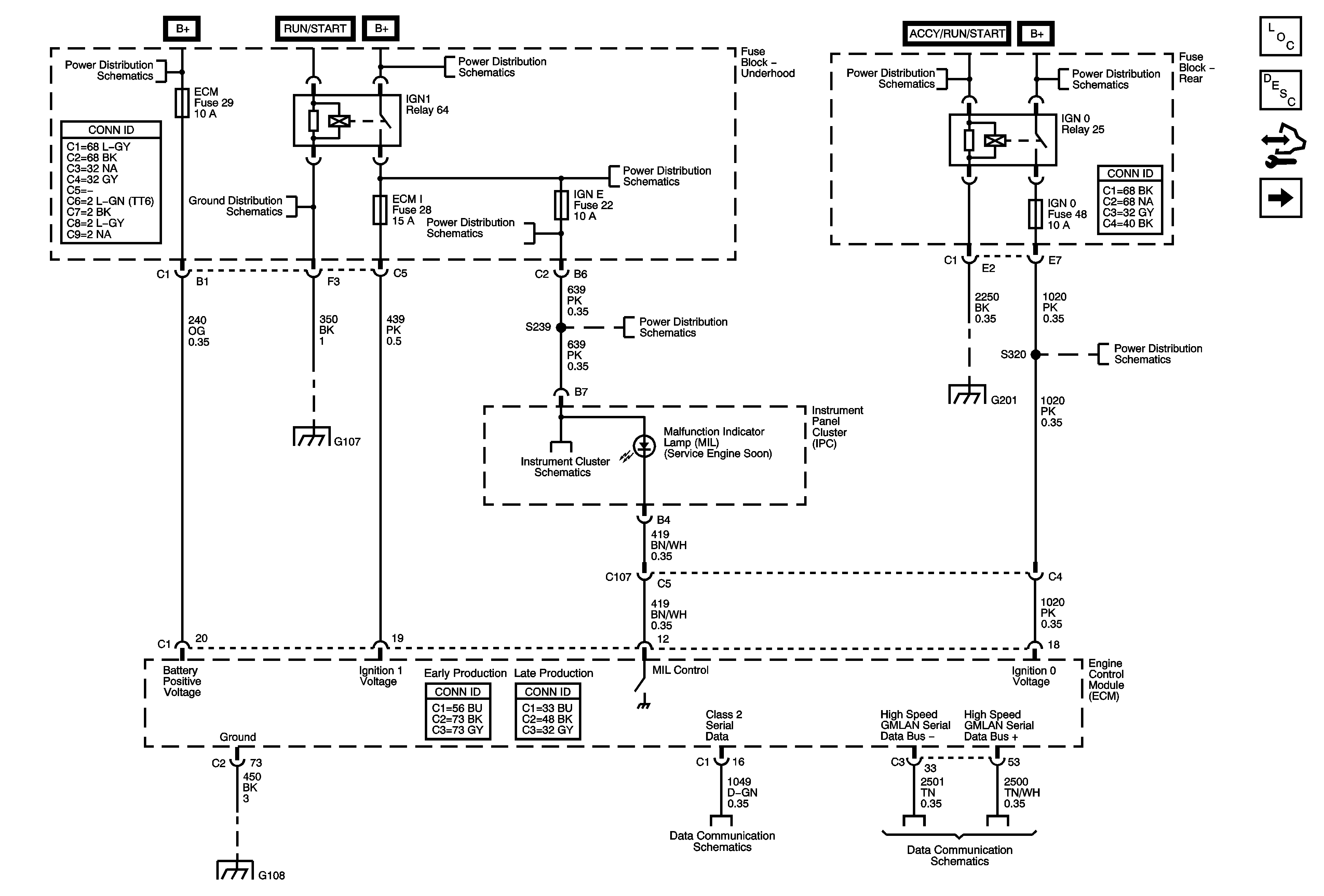
🢒 Module Power, Ground, Serial Data, and MIL
Module Power, Ground, Serial Data, and MIL
Module Power, Ground, Serial Data, and MIL
Master Electrical Component List
Engine Control Module Description
Control Module References
Fuse Block - Underhood - PWR/TRN Relay - 1 of 2
B+ BUS - Underhood Fuse Block - 1 of 2
B+ BUS - Underhood Fuse Block - 2 of 2
G104, G105, and G107
BCK/UP, BTSI, IGN E, and TRLR BCK/UP Fuses
BCK/UP, BTSI, IGN E, and TRLR BCK/UP Fuses
Ignition Switch - ACCY/RUN/START, RUN, START Bus Bars, and IGNA1 Fuse
B+ BUS - Rear Fuse Block
BCK/UP, BTSI, IGN E, and TRLR BCK/UP Fuses
4WD, BRK, FRT WPR, HVAC I, IGN 0, and TCM Fuses
G104, G105, and G107
Power, Ground, Serial Data, and MIL
G201 - 1 of 2
G108
SP205
Power, Ground, and Data Link Connector