GM Service Manual Online
For 1990-2009 cars only
Makes
🢒
Saab
🢒
2007
🢒
9-7x
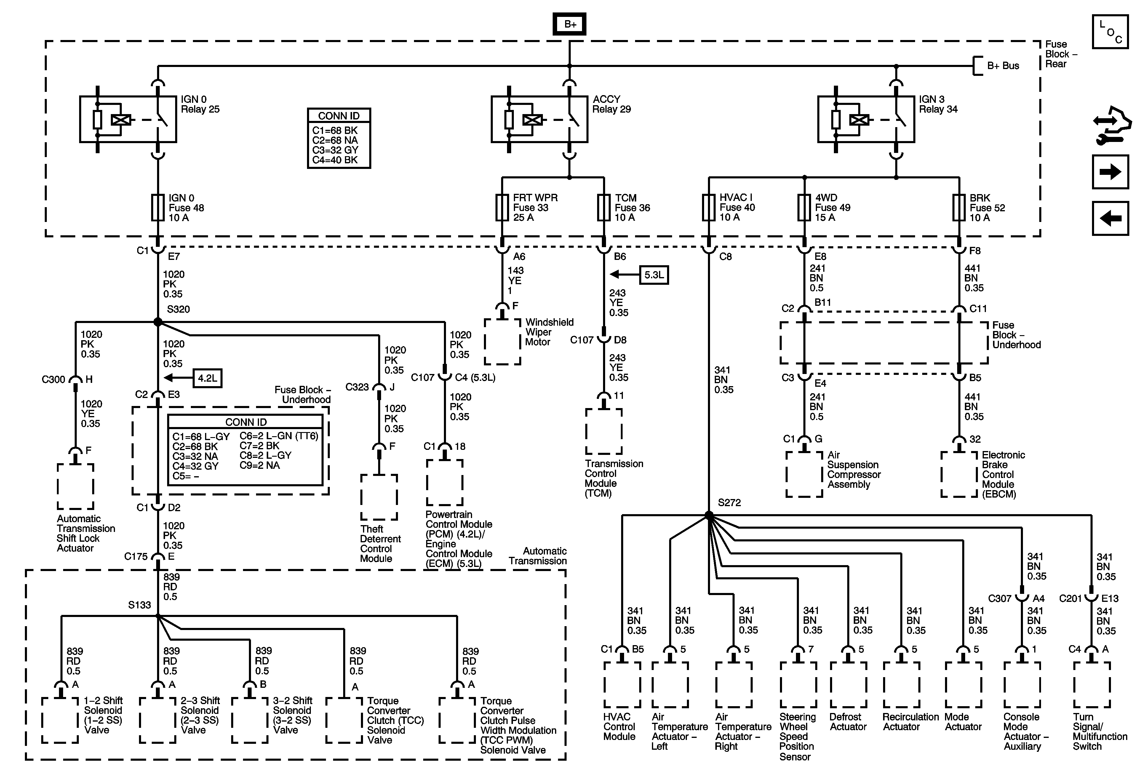
🢒 4WD, BRK, FRT WPR, HVAC I, IGN 0, and TCM Fuses
4WD, BRK, FRT WPR, HVAC I, IGN 0, and TCM Fuses
4WD, BRK, GRT WPR, HVAC I, IGN 0 and TCM Fuses
Master Electrical Component List
Control Module References
HDM, HEADLAMP-LT, HEADLAMP-RT, HI HEADLAMP-LT, HI HEADLAMP-RT, IGN COILS, LO HEADLAMP-LT, LO HEADLAMP-RT, TRLR LT TRN, TRLR RT TRN, and TRLR STOP/TURN Fuses
AIRBAG, ECM I, and TRANS Fuses
B+ BUS - Rear Fuse Block