GM Service Manual Online
For 1990-2009 cars only
Makes
🢒
Saab
🢒
2007
🢒
9-7x
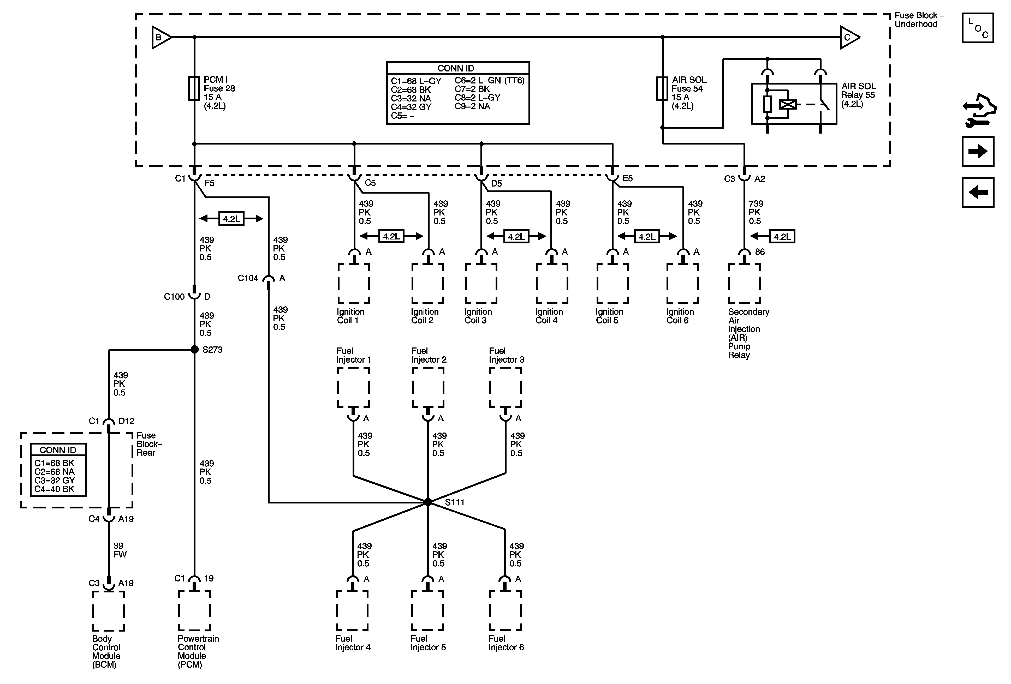
🢒 AIR SOL and PCM I Fuses
AIR SOL and PCM I Fuses
AIR SOL and PCM I Fuses
Master Electrical Component List
Control Module References
AIRBAG, ECM I, and TRANS Fuses
BCK/UP, BTSI, IGN E, and TRLR BCK/UP Fuses
BCK/UP, BTSI, IGN E, and TRLR BCK/UP Fuses
AIRBAG, ECM I, and TRANS Fuses