GM Service Manual Online
For 1990-2009 cars only
Makes
🢒
Saturn
🢒
2007
🢒
AURA
🢒
Diagnostic Navigation
🢒
Vehicle Diagnostic Information
🢒 Engine Cooling Schematics
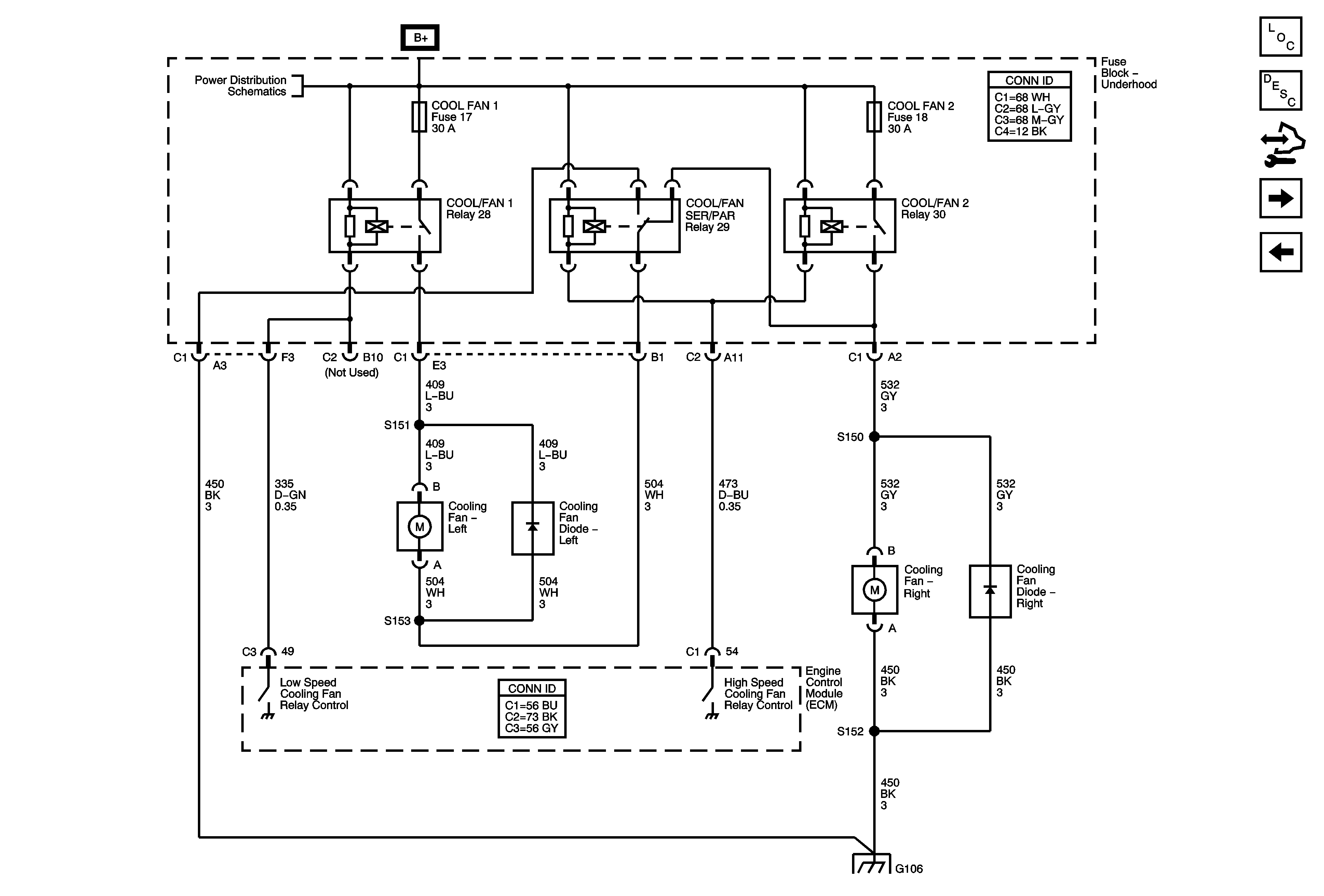
Figure
1:
Cooling Fans (w/o LAT)
Master Electrical Component List
Cooling Fan Description and Operation
Control Module References
Coolant Indicators
B+ Bus
G106
Figure
2:
Cooling Fans (LAT)
Master Electrical Component List
Cooling Fan Description and Operation
Control Module References
Coolant Indicators
Cooling Fans (w/o LAT)
Figure
3:
Coolant Indicators
Master Electrical Component List
Cooling Fan Description and Operation
Control Module References
Cooling Fans (w/o LAT)
Low Speed Serial Data