GM Service Manual Online
For 1990-2009 cars only
Makes
🢒
Saturn
🢒
2007
🢒
AURA
🢒
Diagnostic Navigation
🢒
Vehicle Diagnostic Information
🢒 Starting and Charging Schematics
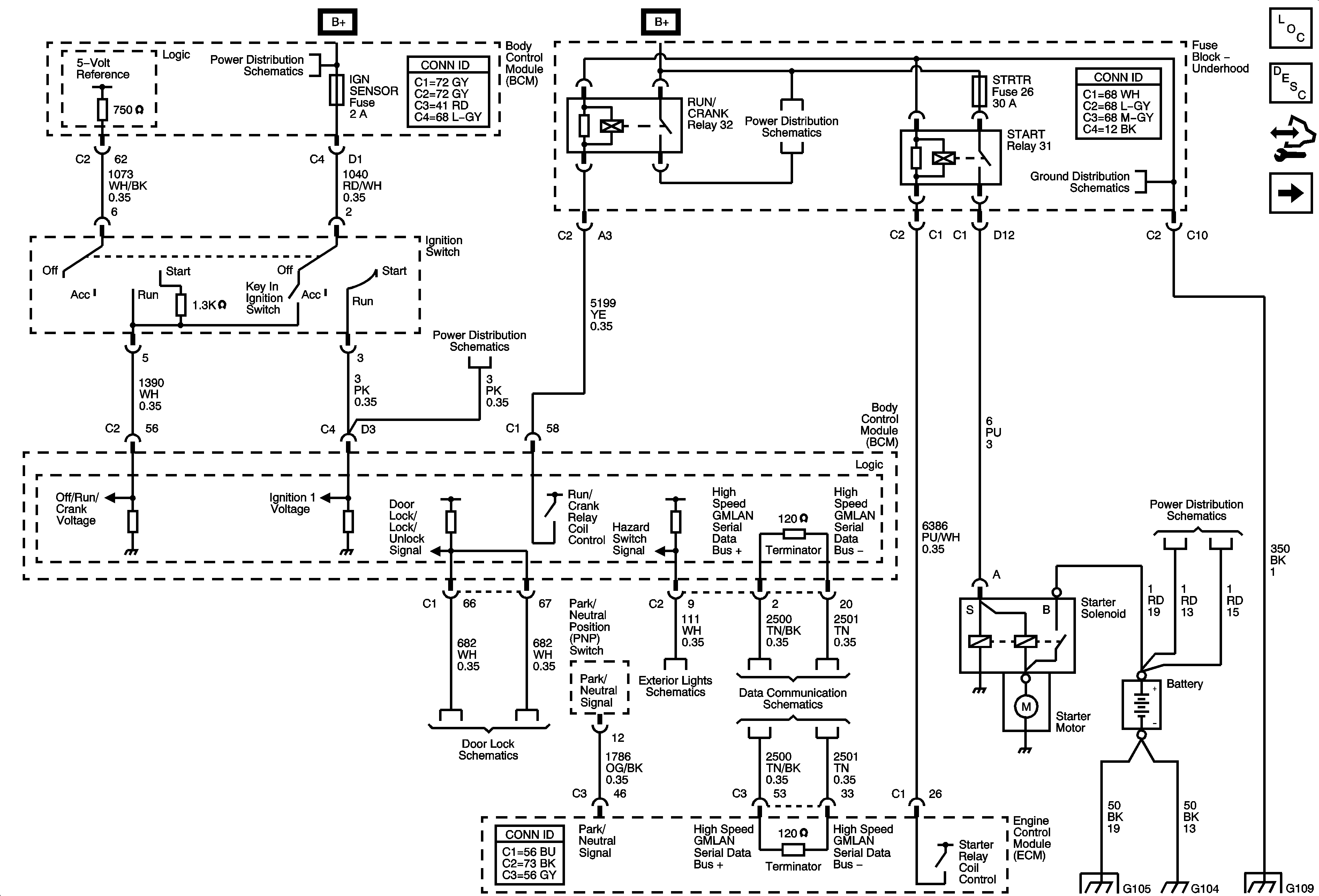
Figure
1:
Starting System ( LAT)
Master Electrical Component List
Starting System Description and Operation
Control Module References
Starting System (LY7/LZ4)
Underhood Fuse Block IBCM1, Body Control Module (BCM) AIRBAG (BATT), CLUSTER/THEFT, HVAC CTRL (BATT), IGN SENSOR and RADIO Fuses
Underhood Fuse Block IBCM1, Body Control Module (BCM) AIRBAG (BATT), CLUSTER/THEFT, HVAC CTRL (BATT), IGN SENSOR and RADIO Fuses
Underhood Fuse Block RUN/CRANK Relay, ABS, BAS PMP MAF, ECM IGN 1, IGN 1 ECM IGN 1 BAS IGN and TRANS Fuses
G109
Door Lock Switches
Ambient Light Sensor, Brake Pedal Position Sensor, Hazard Switch and Turn Signal/Multifunction Switch
Power, Ground and High Speed Serial Data
B+ Bus
G103, G104 and G105
G103, G104 and G105
G109
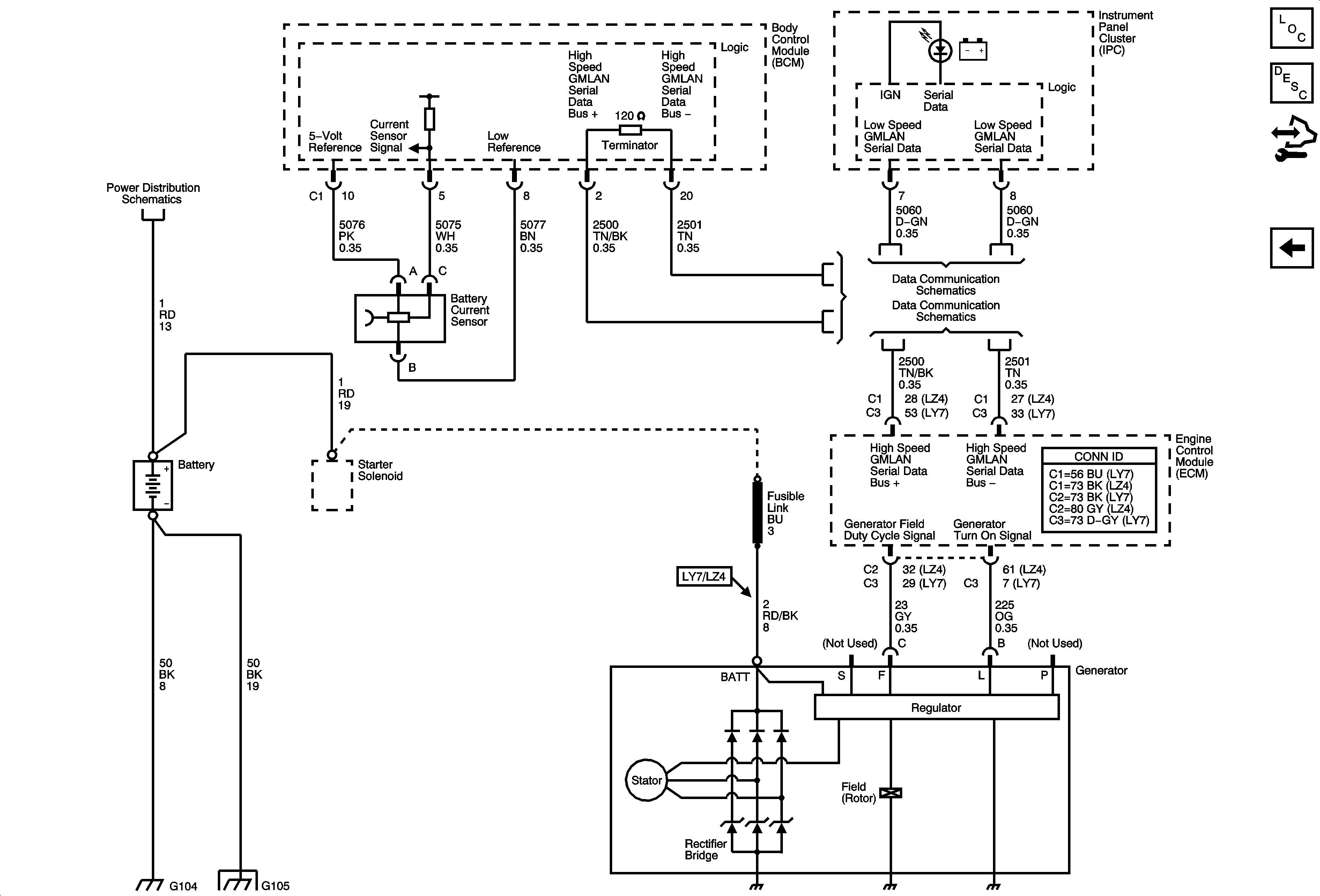
Figure
2:
Starting System (LY7/LZ4)
Master Electrical Component List
Starting System Description and Operation
Control Module References
Charging System (LY7/LZ4)
Starting System (LAT)
Underhood Fuse Block IBCM1, Body Control Module (BCM) AIRBAG (BATT), CLUSTER/THEFT, HVAC CTRL (BATT), IGN SENSOR and RADIO Fuses
Underhood Fuse Block IBCM1, Body Control Module (BCM) AIRBAG (BATT), CLUSTER/THEFT, HVAC CTRL (BATT), IGN SENSOR and RADIO Fuses
Underhood Fuse Block RUN/CRANK Relay, ABS, BAS PMP MAF, ECM IGN 1, IGN 1 ECM IGN 1 BAS IGN and TRANS Fuses
G109
Door Lock Switches
Ambient Light Sensor, Brake Pedal Position Sensor, Hazard Switch and Turn Signal/Multifunction Switch
Power, Ground and High Speed Serial Data
B+ Bus
G103, G104 and G105
G103, G104 and G105
G109
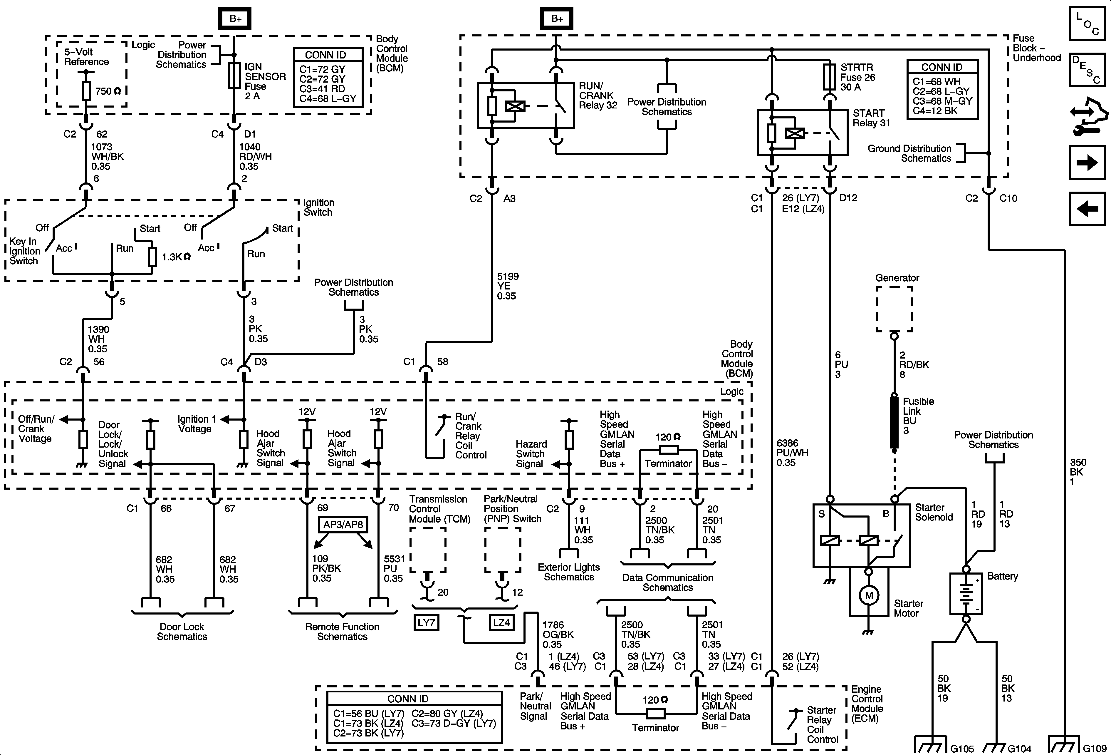
Figure
3:
Charging System (LY7/LZ4)
Master Electrical Component List
Charging System Description and Operation
Control Module References
Starting System (LY7/LZ4)
B+ Bus
Low Speed Serial Data
Power, Ground and High Speed Serial Data
G103, G104 and G105
G103, G104 and G105