GM Service Manual Online
For 1990-2009 cars only

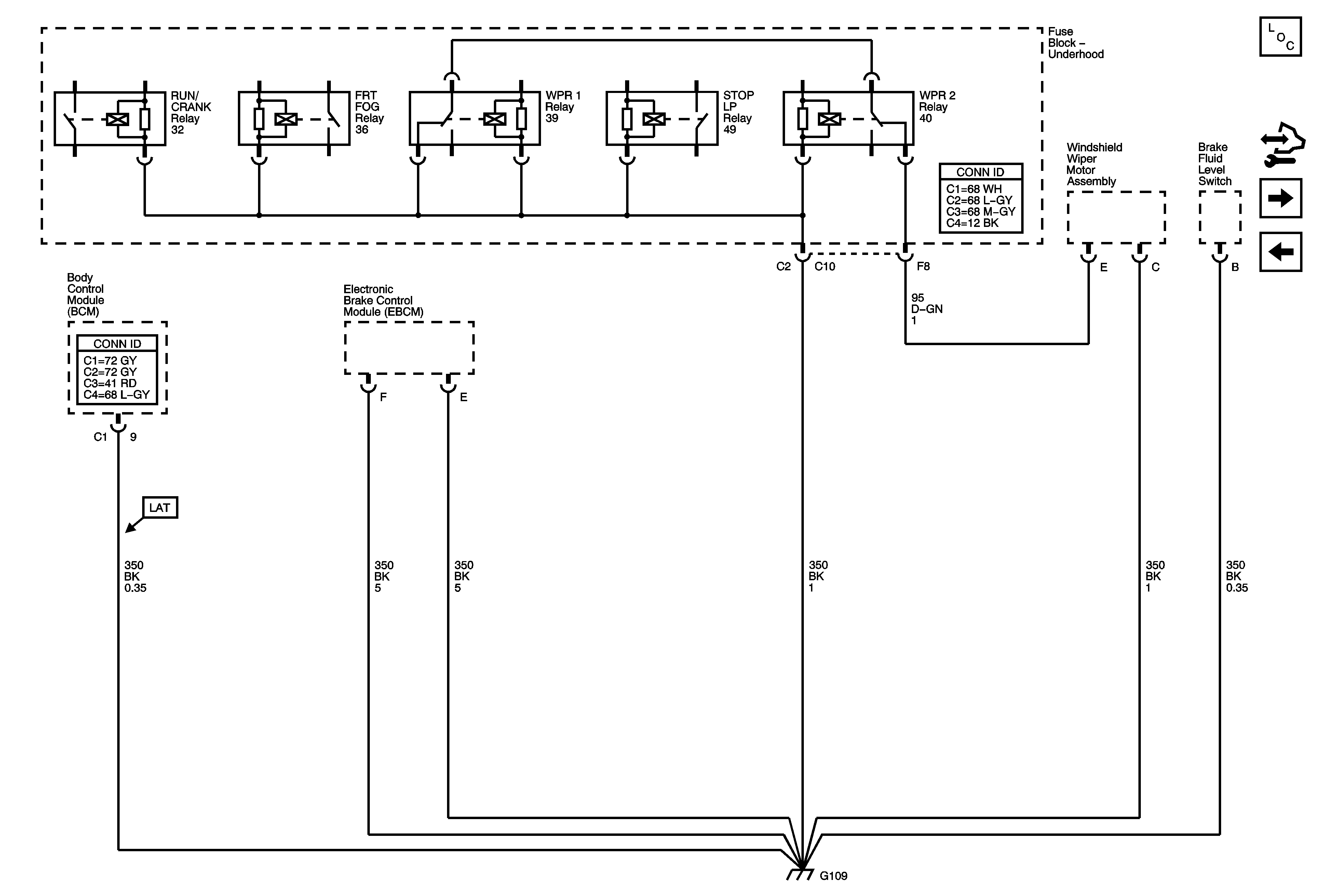
G109

G109


Object Number: 1805397  Size: FS
Master Electrical Component List
Control Module References
G201
G106