GM Service Manual Online
For 1990-2009 cars only

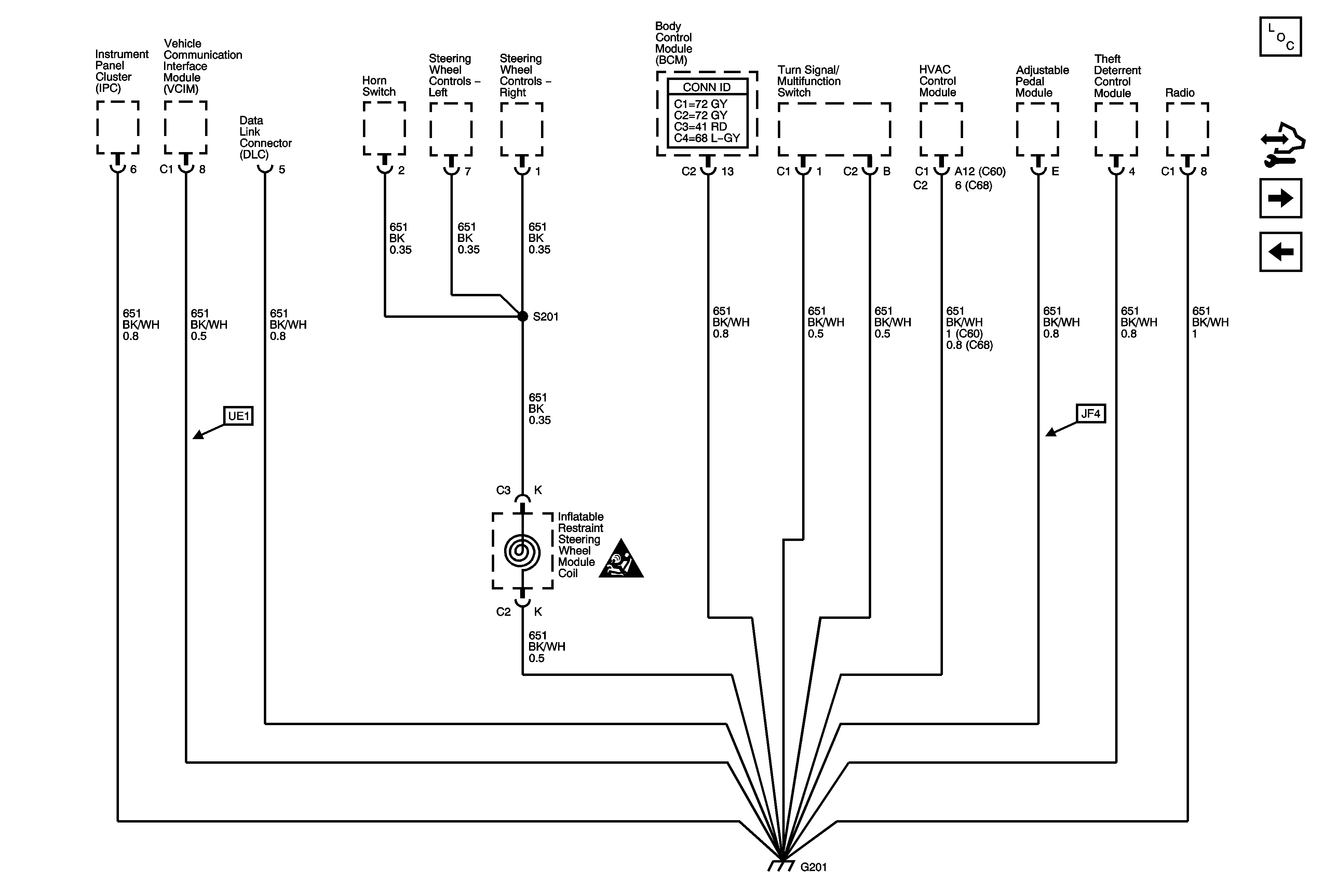
G201

G201


Object Number: 1805398  Size: FS
Master Electrical Component List
Control Module References
G203
G109