GM Service Manual Online
For 1990-2009 cars only
Figure 1:

Power, Gound, Serial Data and MIL


Object Number: 1830049  Size: FS
Master Electrical Component List
Engine Control Module Description
Control Module References
5-Volt and Low References
Underhood Fuse Block A/C Clutch and PWR/TRN Relays, A/C CLU, EMISSION 1, INJ/COIL ODD/IGN/MOD, INJECTORS INJ COIL/EVEN and POST 02 Fuses and ETC Fuses
Underhood Fuse Block A/C Clutch and PWR/TRN Relays, A/C CLU, EMISSION 1, INJ/COIL ODD/IGN/MOD, INJECTORS INJ COIL/EVEN and POST 02 Fuses and ETC Fuses
Underhood Fuse Block IBCM1, Body Control Module (BCM) AIRBAG (BATT), CLUSTER/THEFT, HVAC CTRL (BATT), IGN SENSOR and RADIO Fuses
Underhood Fuse Block IBCM1, Body Control Module (BCM) AIRBAG (BATT), CLUSTER/THEFT, HVAC CTRL (BATT), IGN SENSOR and RADIO Fuses
Underhood Fuse Block IBCM1, Body Control Module (BCM) AIRBAG (BATT), CLUSTER/THEFT, HVAC CTRL (BATT), IGN SENSOR and RADIO Fuses
G103, G104 and G105
Power, Ground and High Speed Serial Data
G109
Figure 2:

5-Volt and Low References


Object Number: 1830050  Size: FS
Master Electrical Component List
Engine Control Module Description
Control Module References
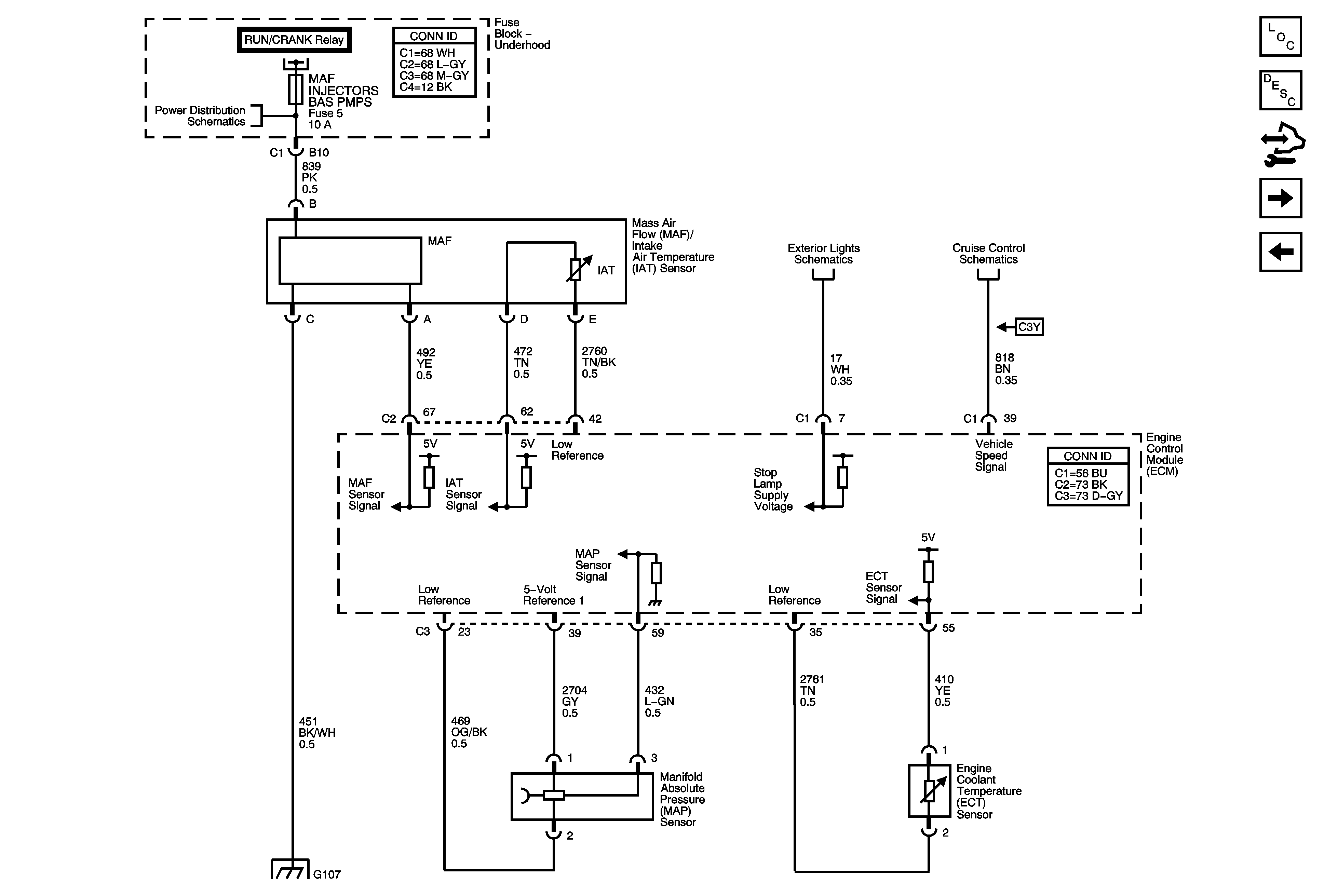
ECT, MAF/IAT and MAP Sensors
Power, Ground, Serial Data and MIL
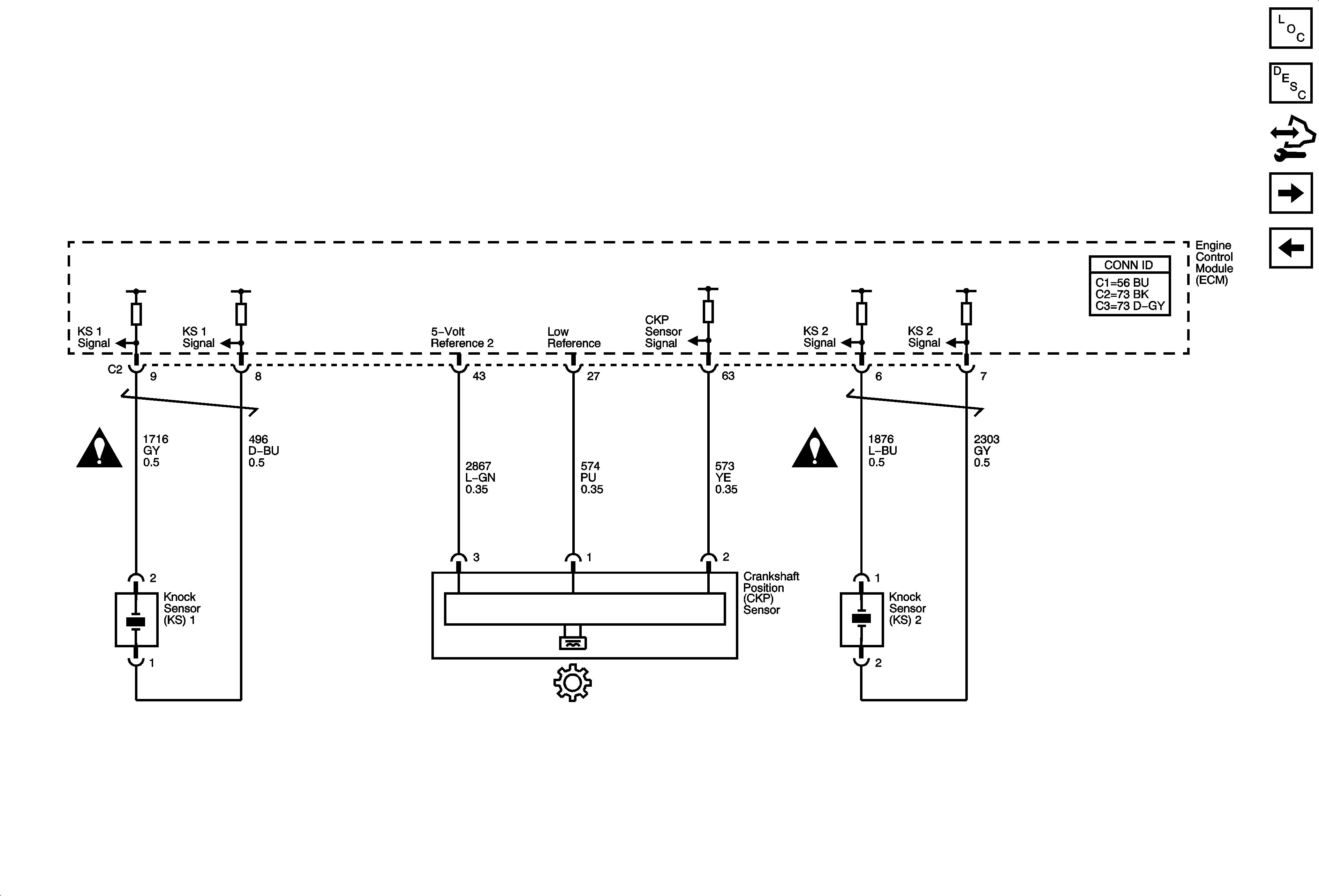
Figure 3:

ECT, MAF/IAT and MAP Sensors


Object Number: 1830051  Size: FS
Master Electrical Component List
Engine Control Module Description
Control Module References
Heated Oxygen Sensors
5-Volt and Low References
Underhood Fuse Block RUN/CRANK Relay, ABS, BAS PMP MAF, ECM IGN 1, IGN 1 ECM IGN 1 BAS IGN and TRANS Fuses
Stop Lamps
G103, G104 and G105
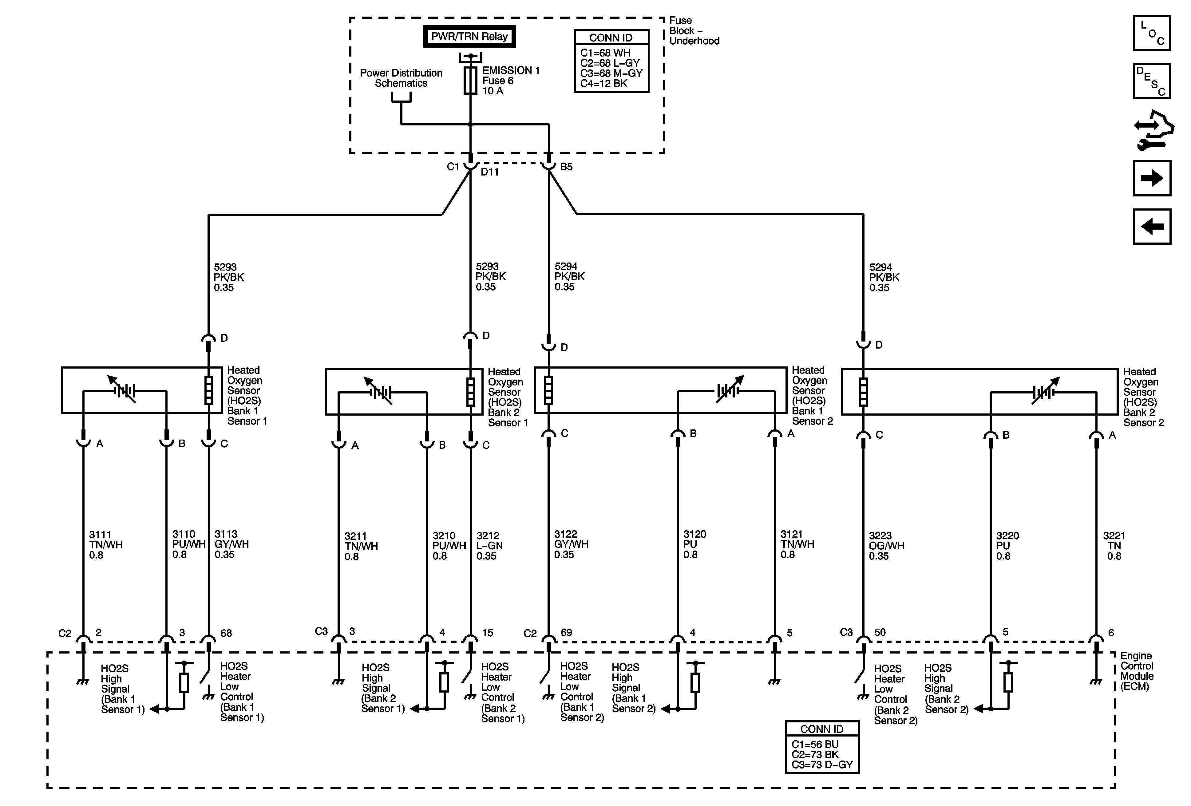
Figure 4:

Heated Oxygen Sensors


Object Number: 1830054  Size: FS
Master Electrical Component List
Engine Control Module Description
Control Module References
Electronic Throttle Controls
ECT, MAF/IAT and MAP Sensors
Underhood Fuse Block A/C Clutch and PWR/TRN Relays, A/C CLU, EMISSION 1, INJ/COIL ODD/IGN/MOD, INJECTORS INJ COIL/EVEN and POST 02 Fuses and ETC Fuses
Figure 5:

Electronic Throttle Controls


Object Number: 1830056  Size: FS
Master Electrical Component List
Throttle Actuator Control (TAC) System Description
Control Module References
Ignition System
Heated Oxygen Sensors
Engine Controls Schematic Icons
Figure 6:

Ignition System


Object Number: 1830057  Size: FS
Master Electrical Component List
Engine Control Module Description
Control Module References
Bank 1 Ignition Coils
Electronic Throttle Controls
Engine Controls Schematic Icons
Engine Controls Schematic Icons
Figure 7:

Bank 1 Ignition Coils


Object Number: 1830060  Size: FS
Master Electrical Component List
Electronic Ignition (EI) System Description
Control Module References
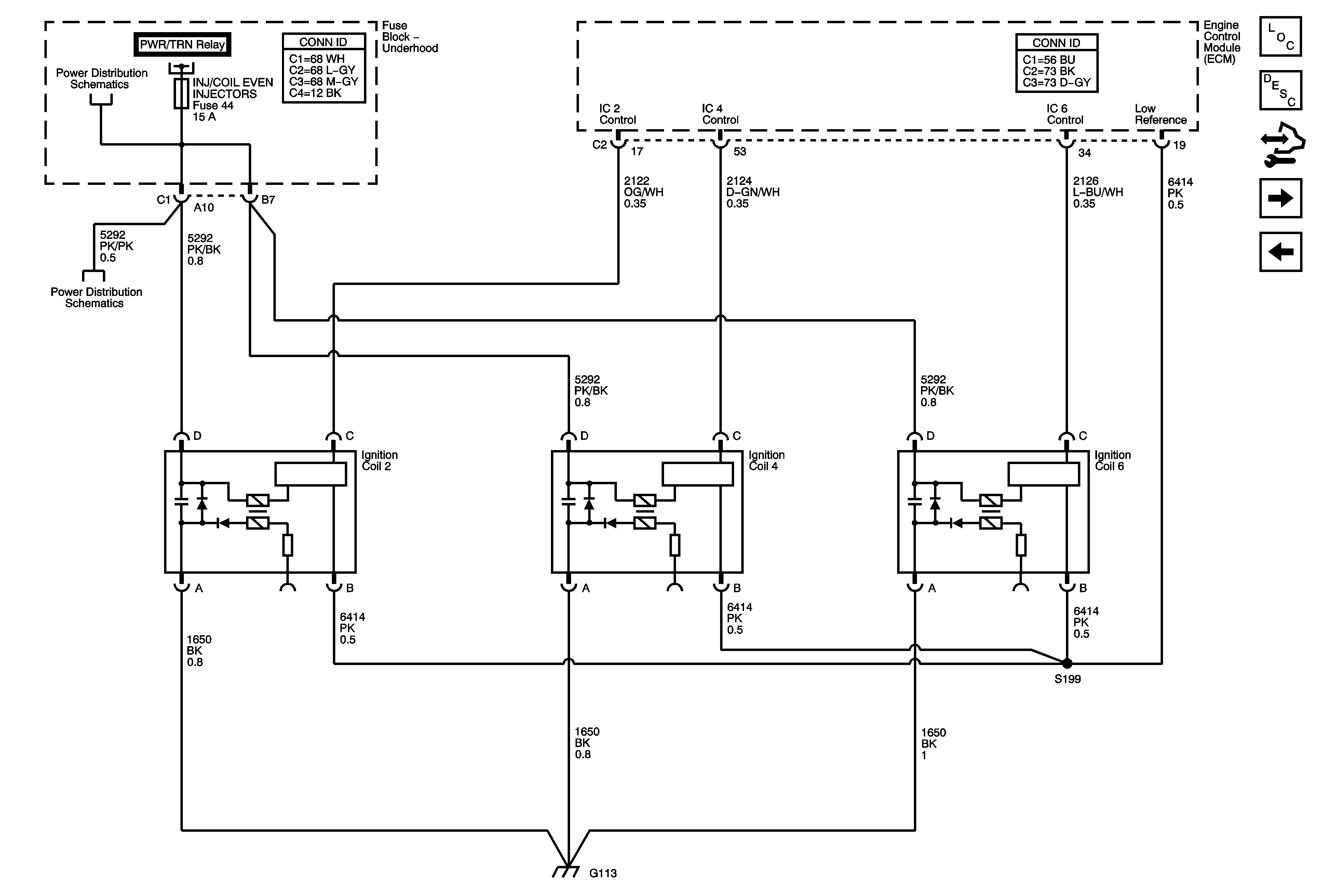
Bank 2 Ignition Coils
Ignition System
Figure 8:

Bank 2 Ignition Coils


Object Number: 1830063  Size: FS
Master Electrical Component List
Electronic Ignition (EI) System Description
Control Module References
Camshaft Position (CMP) Sensors and Solenoids
Bank 1 Ignition Coils
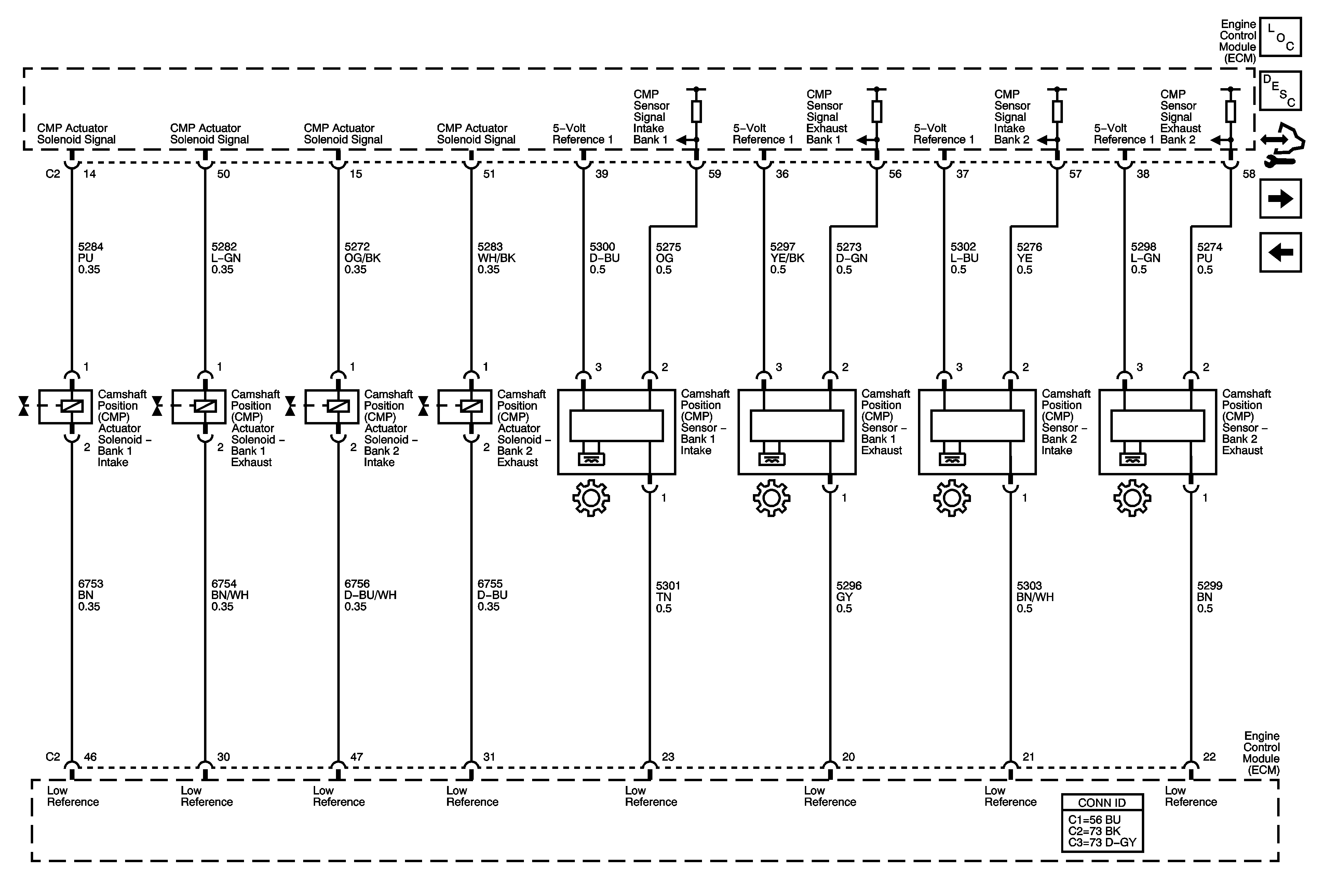
Figure 9:

Camshaft Position (CMP) Sensors and Solenoids


Object Number: 1830065  Size: FS
Master Electrical Component List
Camshaft Actuator System Description
Control Module References
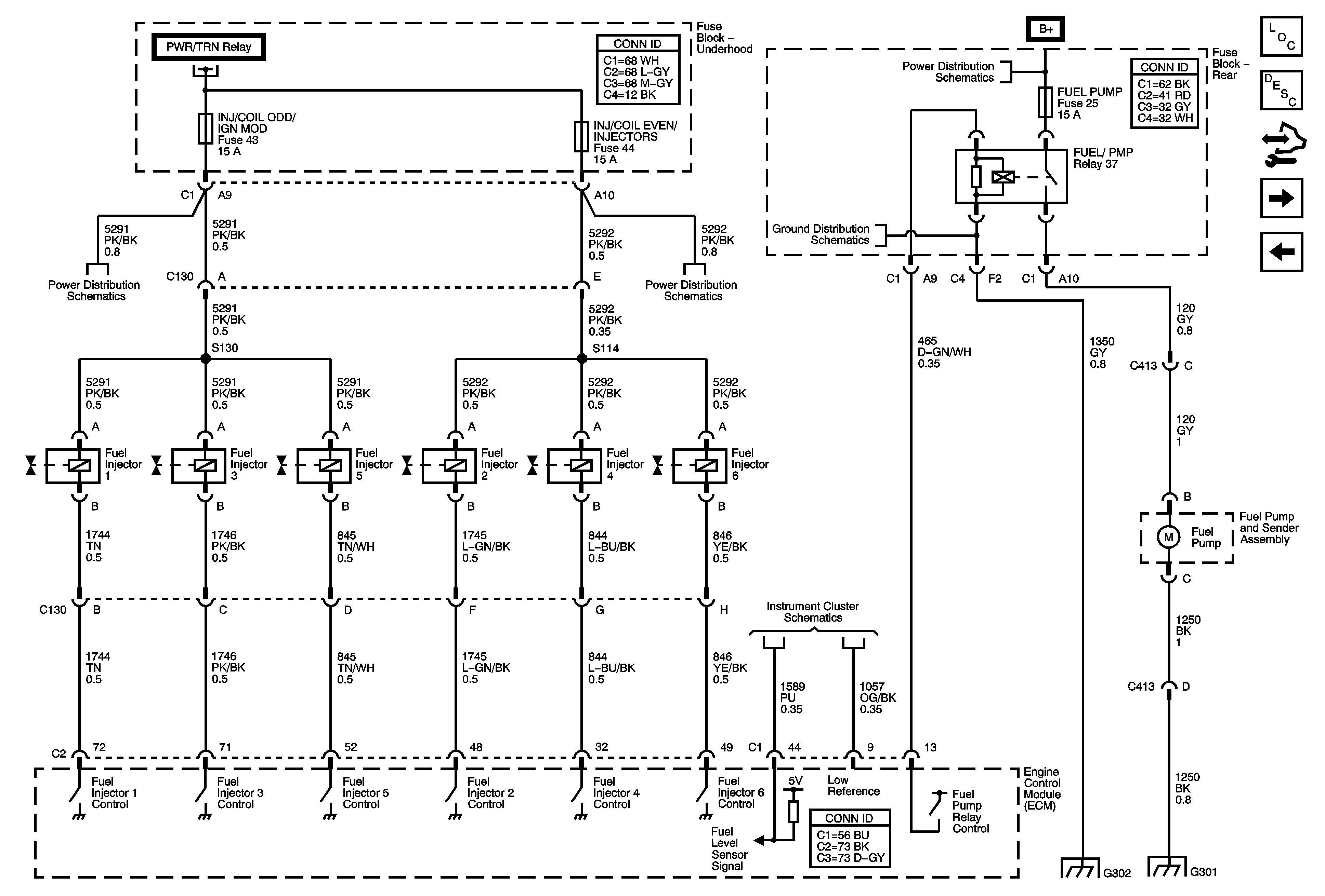
Fuel Pump Controls
Bank 2 Ignition Coils
Figure 10:

Fuel Pump Controls


Object Number: 1830067  Size: FS
Master Electrical Component List
Fuel System Description
Control Module References
EVAP Controls, FTP Sensor, and IMT Valve
Camshaft Position (CMP) Sensors and Solenoids
Underhood Fuse Block RUN RLY, RBEC2, Body Control Module (BCM), HVAC BLOWER, HVAC CTRL (IGN) Rear Fuse Block, DRV ST, EMISSION 2, FUEL PUMP, PARK LAMPS and TRUNK Fuses
G302
Indicators
G302
G301
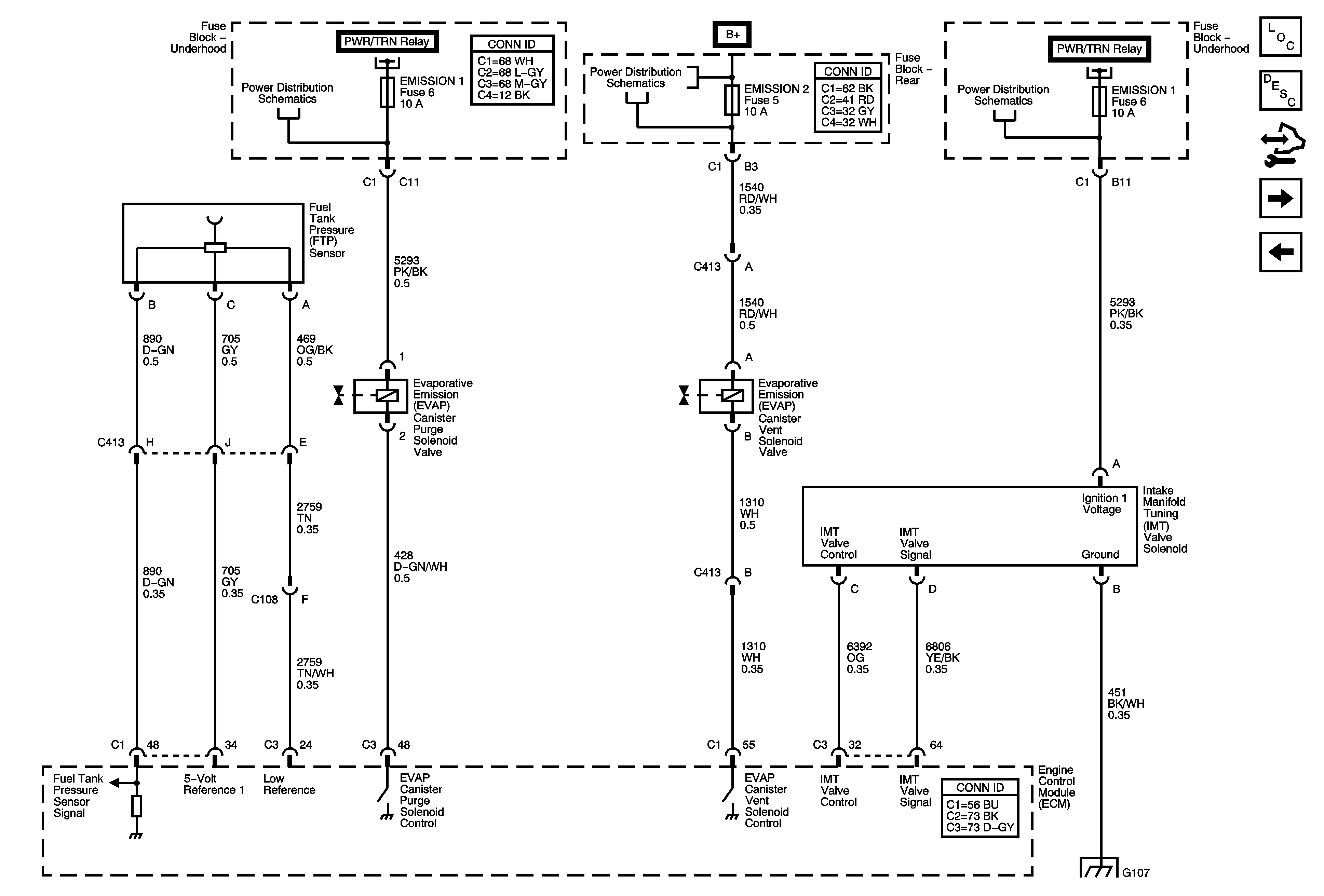
Figure 11:

EVAP Controls, FTP Sensor, and IMT Valve


Object Number: 1830070  Size: FS
Master Electrical Component List
Evaporative Emission Control System Description
Control Module References
Controlled/Monitored Subsystem References
Fuel Pump Controls
Underhood Fuse Block A/C Clutch and PWR/TRN Relays, A/C CLU, EMISSION 1, INJ/COIL ODD/IGN/MOD, INJECTORS INJ COIL/EVEN and POST 02 Fuses and ETC Fuses
Underhood Fuse Block RUN RLY, RBEC2, Body Control Module (BCM), HVAC BLOWER, HVAC CTRL (IGN) Rear Fuse Block, DRV ST, EMISSION 2, FUEL PUMP, PARK LAMPS and TRUNK Fuses
Underhood Fuse Block A/C Clutch and PWR/TRN Relays, A/C CLU, EMISSION 1, INJ/COIL ODD/IGN/MOD, INJECTORS INJ COIL/EVEN and POST 02 Fuses and ETC Fuses
G103, G104 and G105
Figure 12:

Controlled/Monitored Subsystem References


Object Number: 1830073  Size: FS
Master Electrical Component List
Engine Control Module Description
Control Module References
EVAP Controls, FTP Sensor, and IMT Valve
Charging System (LY7/LZ4)
Starting System (LY7/LZ4)
Compressor Controls
Compressor Controls
Cooling Fans (w/o LAT)
Indicators