GM Service Manual Online
For 1990-2009 cars only
Makes
🢒
Saturn
🢒
2007
🢒
AURA
🢒
Body Systems
🢒
Mirrors
🢒 Outside Rearview Mirror Schematics
Figure
1:
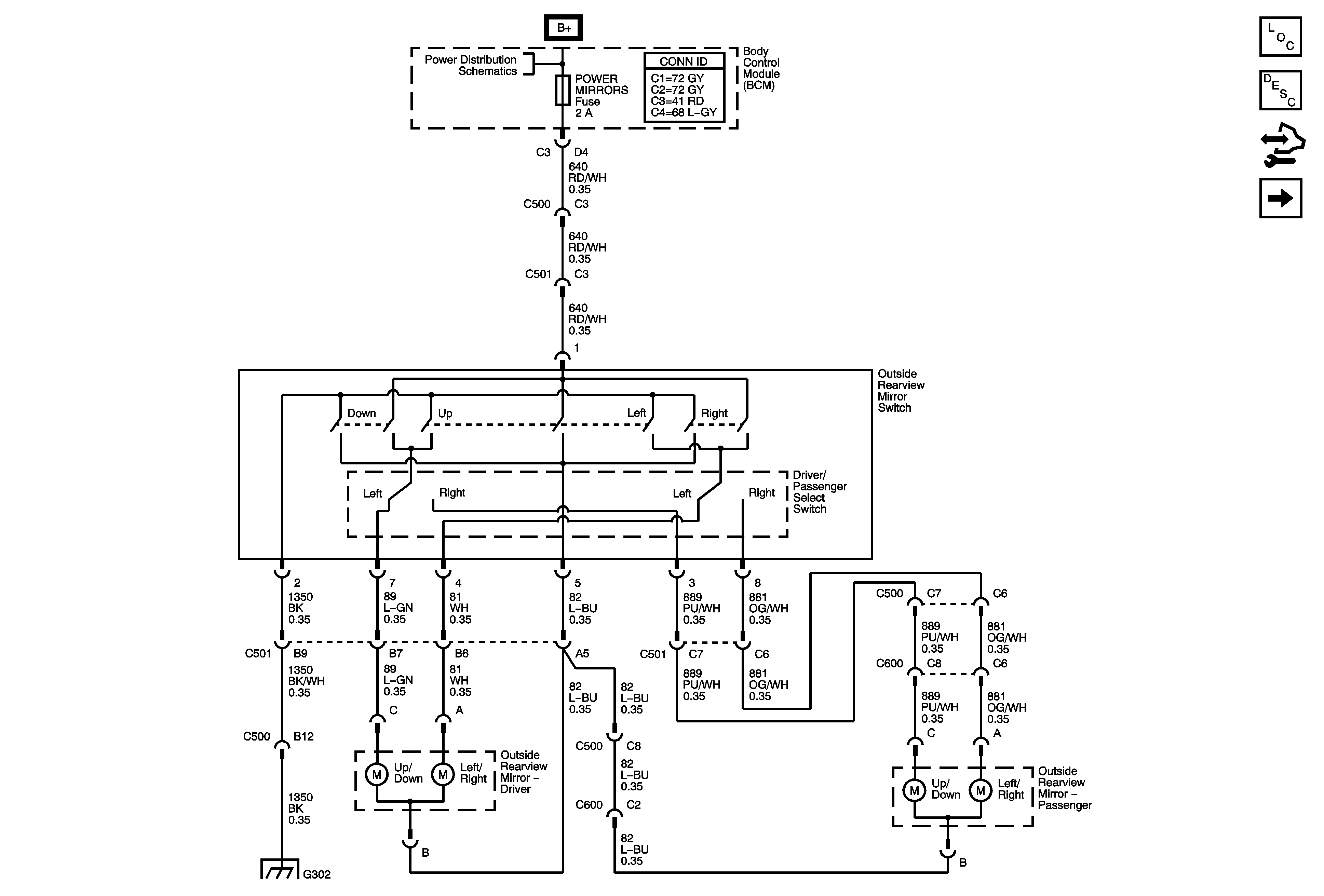
Power Mirrors
Master Electrical Component List
Outside Mirror Description and Operation
Control Module References
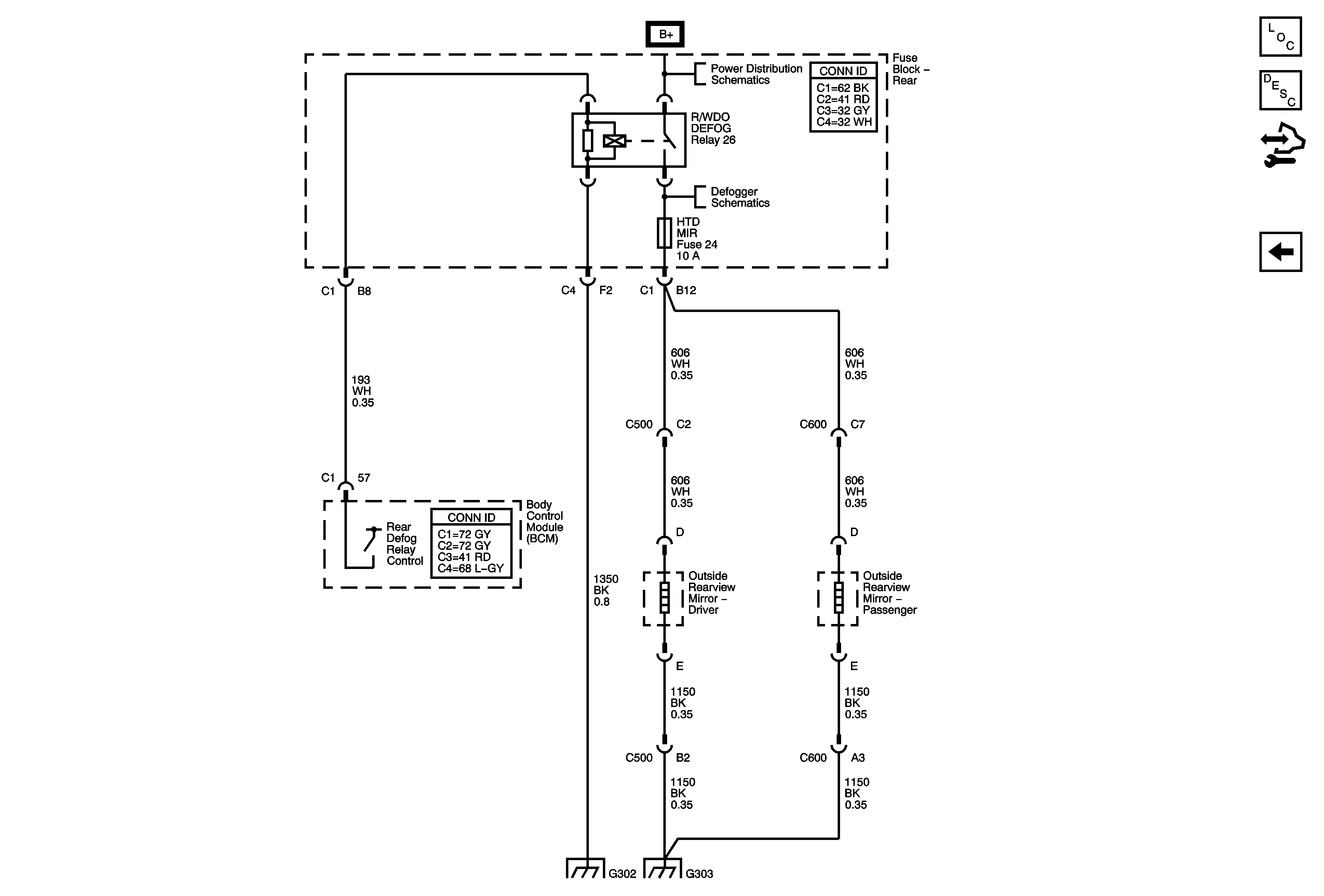
Heated Mirrors
Body Control Module (BCM), ONSTAR, PEDAL and POWER MIRRORS Fuses
G302
Figure
2:
Heated Mirrors
Master Electrical Component List
Outside Mirror Description and Operation
Control Module References
Outside Rearview Mirror Schematics (Power Mirrors)
Underhood Fuse Block RBEC1 and Rear Fuse Block , BCK/UP Lamps, CIG/AUX, HTD MIR, HTD SEAT, RKE/XM RR DEFOG and S/ROOF Fuses
Defogger Schematics
G302
G303