GM Service Manual Online
For 1990-2009 cars only
Makes
🢒
Saturn
🢒
2007
🢒
AURA
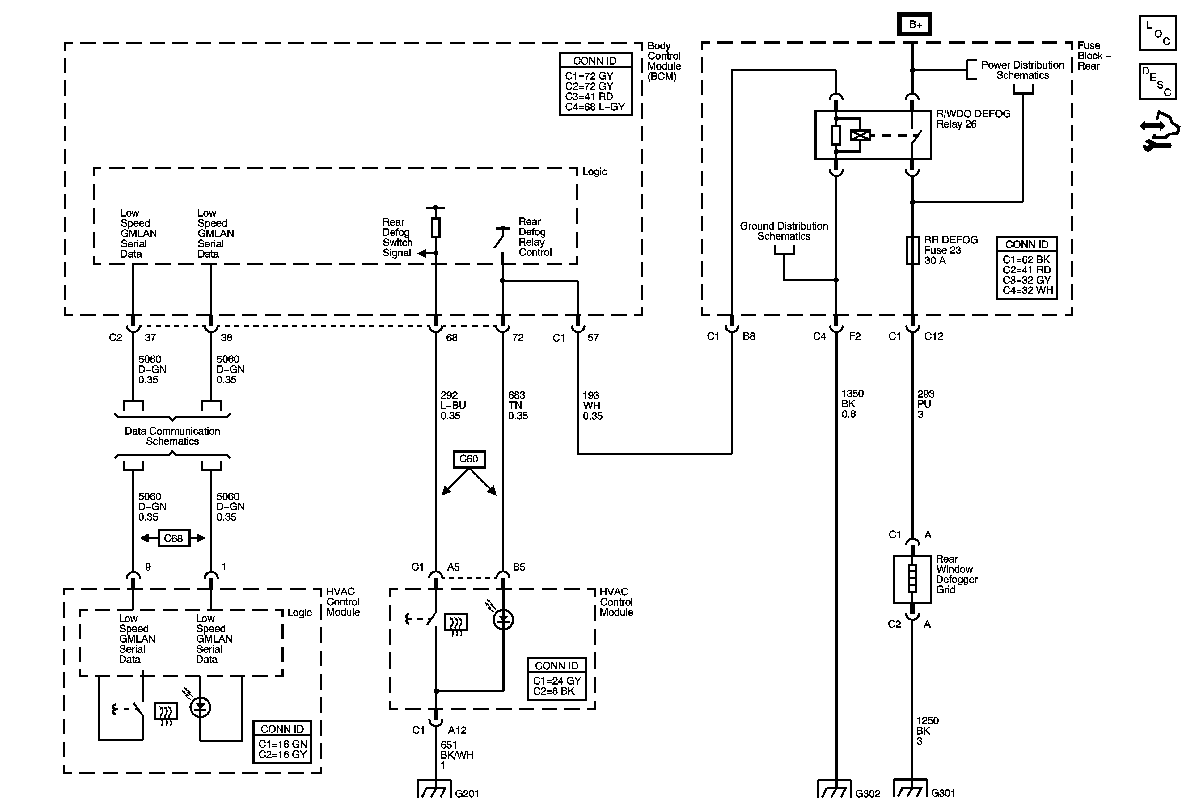
🢒 Defogger Schematics
Defogger Schematics
Master Electrical Component List
Rear Window Defogger Description and Operation
Control Module References
Underhood Fuse Block RBEC1 and Rear Fuse Block , BCK/UP Lamps, CIG/AUX, HTD MIR, HTD SEAT, RKE/XM RR DEFOG and S/ROOF Fuses
G302
Low Speed Serial Data
G201
G302
G301