GM Service Manual Online
For 1990-2009 cars only
Makes
🢒
Saturn
🢒
2007
🢒
AURA
🢒
Power and Signal Distribution
🢒
Wiring Systems and Power Management
🢒 Power Moding Schematics
Figure
1:
RUN/CRANK and PWR/TRN Relays
Master Electrical Component List
Power Mode Description and Operation
Control Module References
RUN, ACCESSORY and R/WDO DEFOG Relays
Underhood Fuse Block RUN/CRANK Relay, ABS, BAS PMP MAF, ECM IGN 1, IGN 1 ECM IGN 1 BAS IGN and TRANS Fuses
Underhood Fuse Block A/C Clutch and PWR/TRN Relays, A/C CLU, EMISSION 1, INJ/COIL ODD/IGN/MOD, INJECTORS INJ COIL/EVEN and POST 02 Fuses and ETC Fuses
G109
G109
Figure
2:
RUN/ACCESSORY and R/WDO DEFOG Relays
Master Electrical Component List
Power Mode Description and Operation
Control Module References
Power Moding Schematics
RUN/CRANK and PWR/TRN Relays
Underhood Fuse Block RUN RLY, RBEC2, Body Control Module (BCM), HVAC BLOWER, HVAC CTRL (IGN) Rear Fuse Block, DRV ST, EMISSION 2, FUEL PUMP, PARK LAMPS and TRUNK Fuses
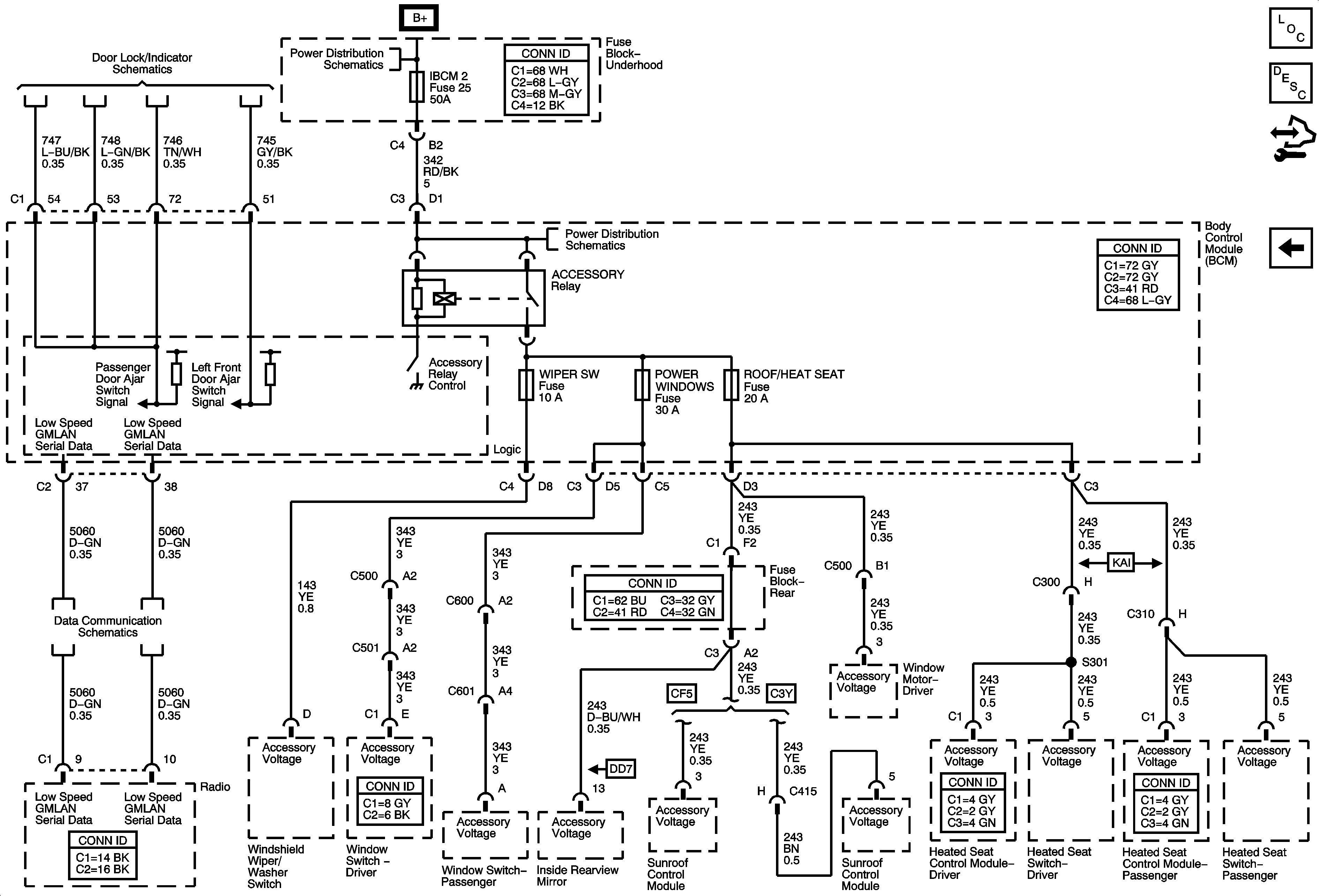
Underhood Fuse Block IBCM 2, BATTERY SENSE, Body Control Module (BCM), ACCESSORY Relay, DOOR LOCK, INTERIOR LIGHTS, POWER WINDOWS, ROOF/HEAT SEAT and WIPER SW Fuses
Underhood Fuse Block RBEC1 and Rear Fuse Block , BCK/UP Lamps, CIG/AUX, HTD MIR, HTD SEAT, RKE/XM RR DEFOG and S/ROOF Fuses
G302
G302
Figure
3:
Retained Accessory Power (RAP)
Master Electrical Component List
Retained Accessory Power (RAP) Description and Operation
Control Module References
Door Ajar Indicators
Underhood Fuse Block DRL, HI/BEAM and LO/BEAM Relays, ABS, DRL, EPS, IBCM 1, IBCM 2, LT HI BEAM, LT LOW BEAM, RT HI BEAM, RT LOW BEAM, ECM, and TCM Fuses
Underhood Fuse Block IBCM 2, BATTERY SENSE, Body Control Module (BCM), ACCESSORY Relay, DOOR LOCK, INTERIOR LIGHTS, POWER WINDOWS, ROOF/HEAT SEAT and WIPER SW Fuses
Low Speed Serial Data