GM Service Manual Online
For 1990-2009 cars only
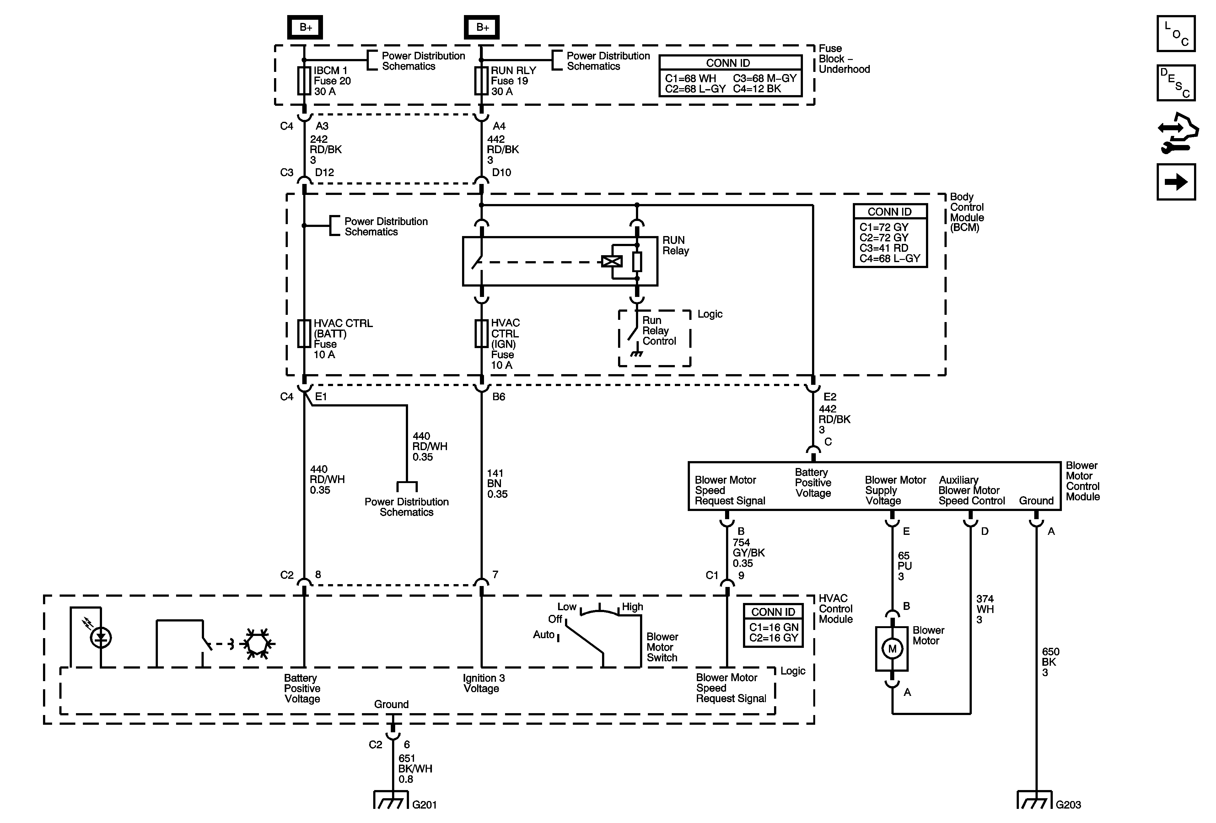
Figure 1:

Power, Ground and Blower Motor Controls


Object Number: 1806956  Size: FS
Master Electrical Component List
Air Delivery Description and Operation
Control Module References
Compressor Controls
Underhood Fuse Block IBCM1, Body Control Module (BCM) AIRBAG (BATT), CLUSTER/THEFT, HVAC CTRL (BATT), IGN SENSOR and RADIO Fuses
Underhood Fuse Block RUN RLY, RBEC2, Body Control Module (BCM), HVAC BLOWER, HVAC CTRL (IGN) Rear Fuse Block, DRV ST, EMISSION 2, FUEL PUMP, PARK LAMPS and TRUNK Fuses
Underhood Fuse Block IBCM1, Body Control Module (BCM) AIRBAG (BATT), CLUSTER/THEFT, HVAC CTRL (BATT), IGN SENSOR and RADIO Fuses
Underhood Fuse Block IBCM1, Body Control Module (BCM) AIRBAG (BATT), CLUSTER/THEFT, HVAC CTRL (BATT), IGN SENSOR and RADIO Fuses
G201
G203
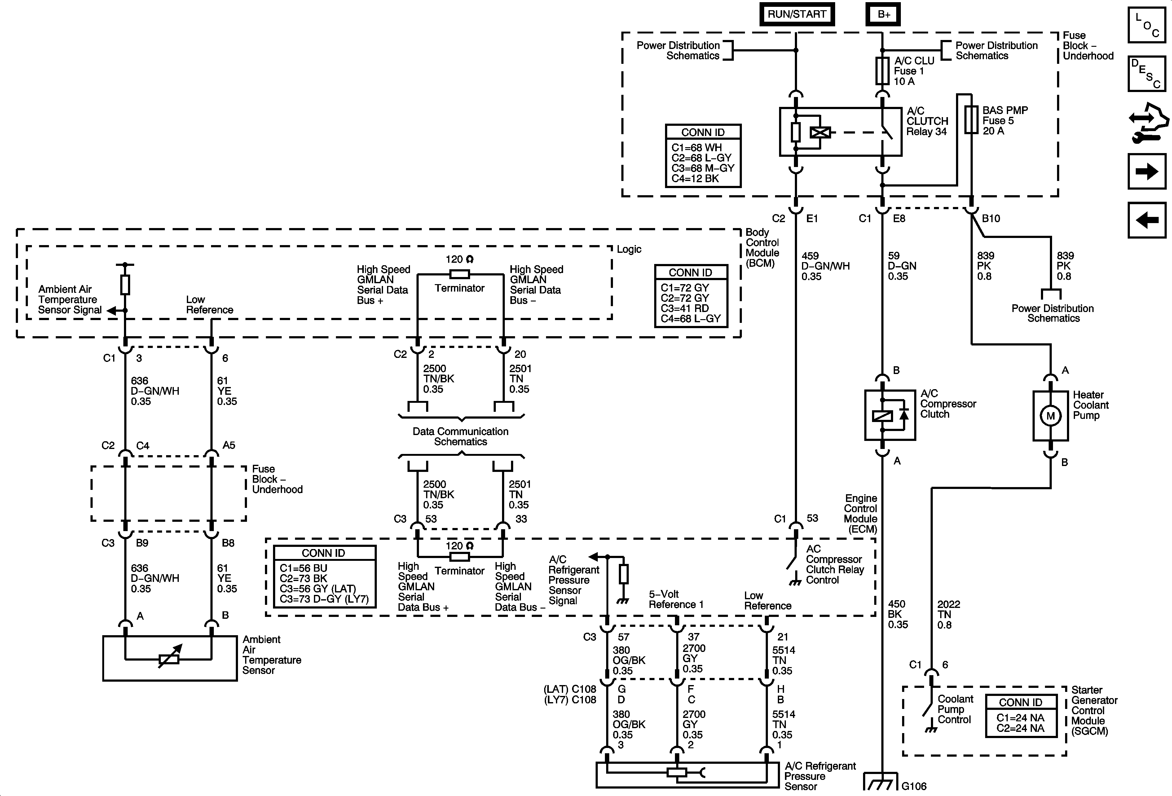
Figure 2:

Compressor Controls


Object Number: 1806969  Size: FS
Master Electrical Component List
Air Temperature Description and Operation
Control Module References
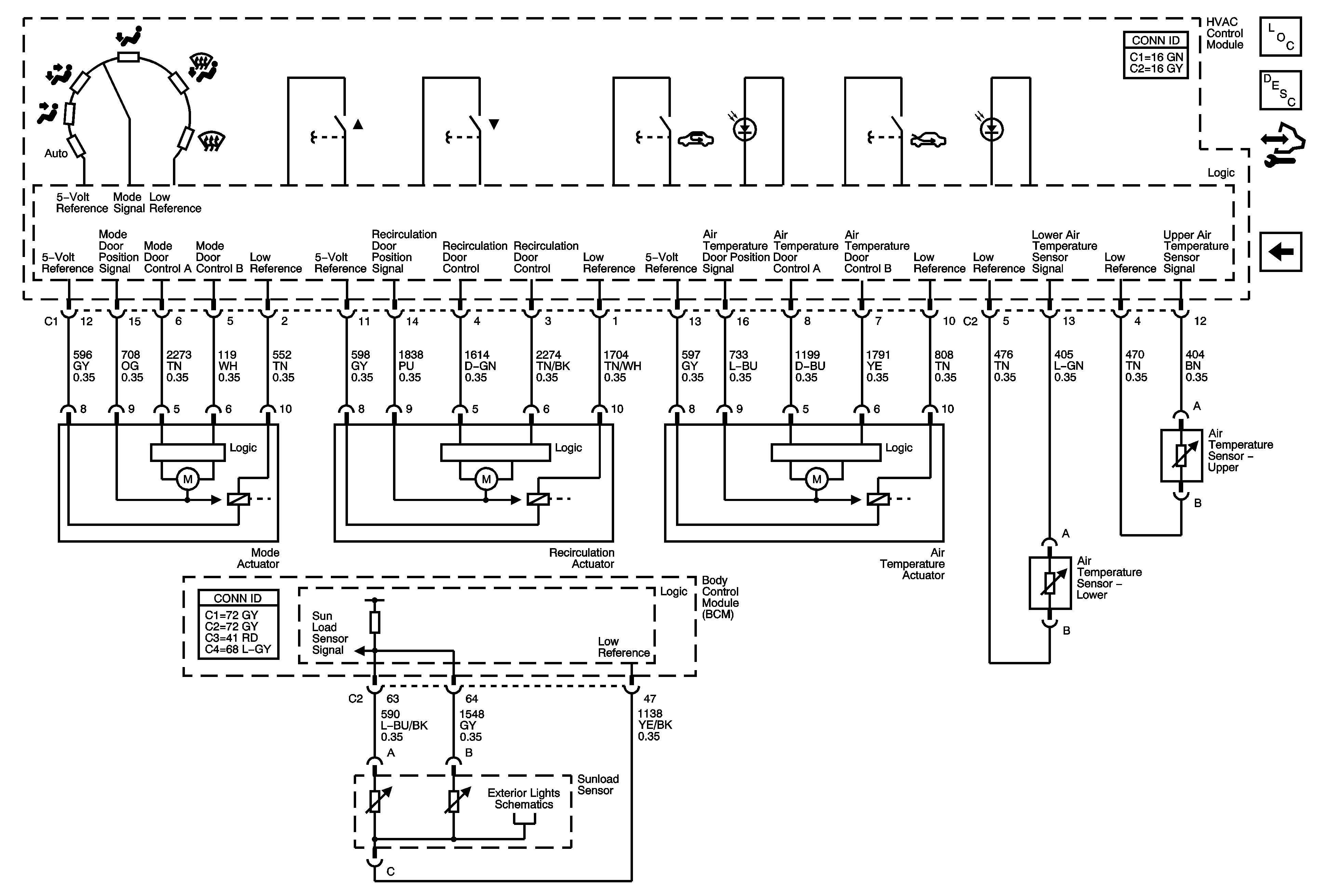
Air Temperature and Mode Controls
Power, Ground and Blower Motor Controls
Underhood Fuse Block A/C Clutch and PWR/TRN Relays, A/C CLU, EMISSION 1, INJ/COIL ODD/IGN/MOD, INJECTORS INJ COIL/EVEN and POST 02 Fuses and ETC Fuses
Underhood Fuse Block A/C Clutch and PWR/TRN Relays, A/C CLU, EMISSION 1, INJ/COIL ODD/IGN/MOD, INJECTORS INJ COIL/EVEN and POST 02 Fuses and ETC Fuses
Power, Ground and High Speed Serial Data
G106
Figure 3:

Air Temperature and Mode Controls


Object Number: 1806970  Size: FS
Master Electrical Component List
Air Temperature Description and Operation
Control Module References
Compressor Controls