GM Service Manual Online
For 1990-2009 cars only
Makes
🢒
Saturn
🢒
2007
🢒
AURA
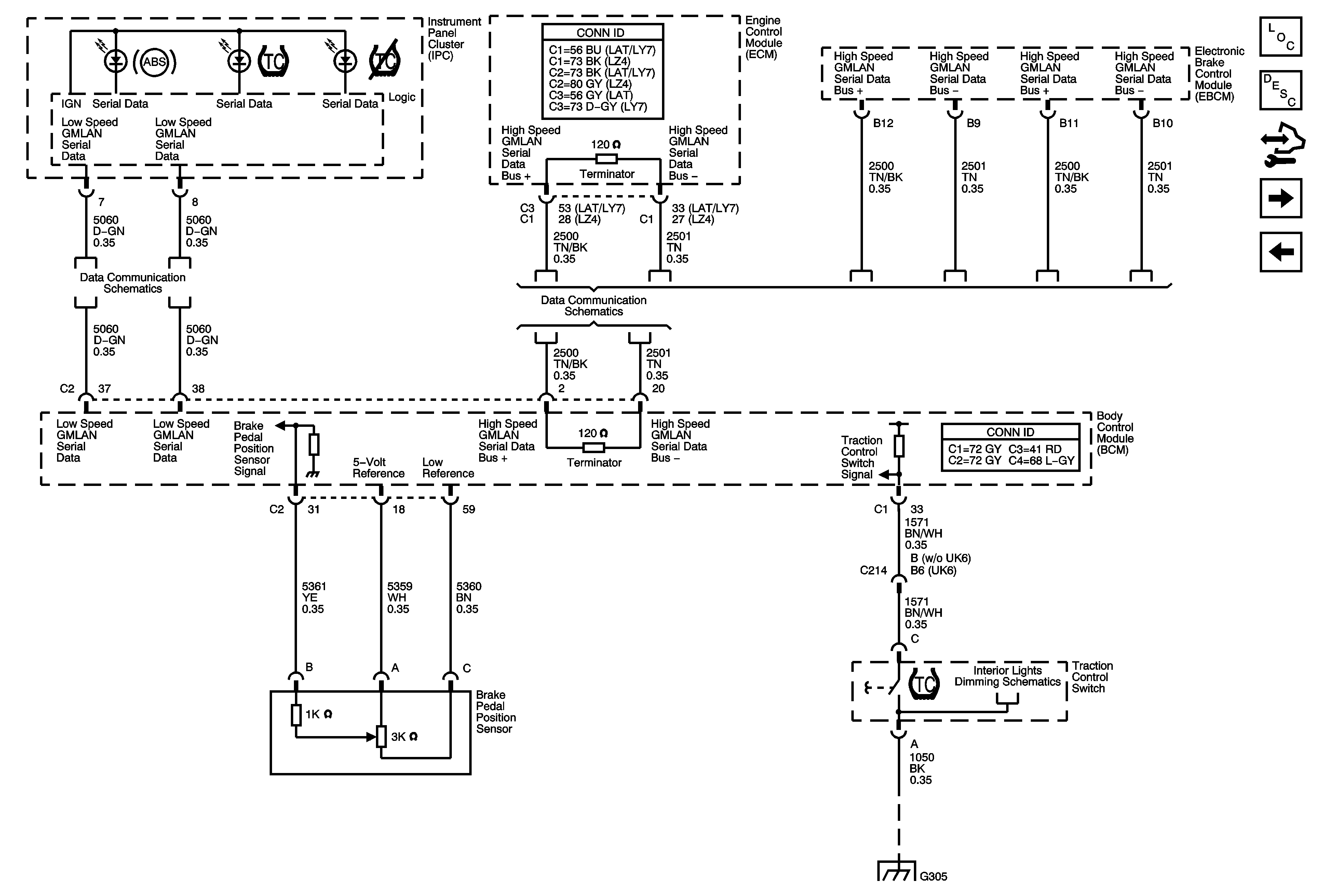
🢒 Brake Pedal Position Sensor, Data Link Communications and Traction Control Switch 2 of 2
Brake Pedal Position Sensor, Data Link Communications and Traction Control Switch 2 of 2
Brake Pedal Position Sensor, Data Link Communications and Traction Controls Switch
Master Electrical Component List
ABS Description and Operation
Control Module References
Brake Pedal Position Sensor, Steering Wheel Position Sensor and Yaw Rate and Lateral Acceleration Sensor (FX3)
Power, Ground, Brake Pressure Modulator Valve and Wheel Speed Sensors
Low Speed Serial Data
Power, Ground and High Speed Serial Data
Center Console and Seats
G305