GM Service Manual Online
For 1990-2009 cars only
Makes
🢒
Saturn
🢒
2007
🢒
AURA
🢒 Center Console and Seats
Center Console and Seats
Center Console and Seats
Master Electrical Component List
Interior Lighting Systems Description and Operation
Control Module References
Switches
Switches
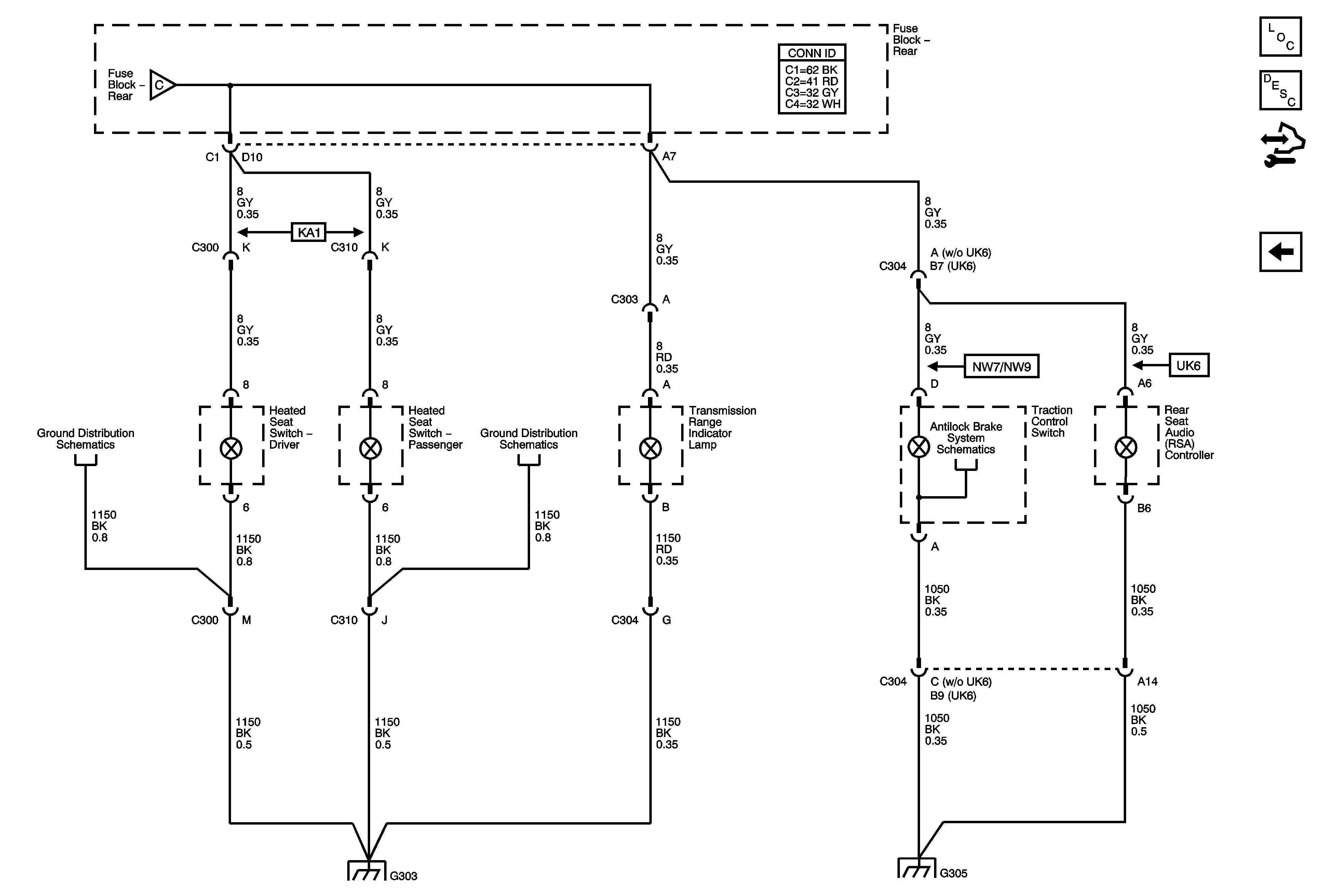
G303
G303
Brake Pedal Position Sensor, Data Link Communications and Traction Control Switch 2 of 2
G303
G305