GM Service Manual Online
For 1990-2009 cars only
Makes
🢒
Saturn
🢒
2007
🢒
AURA
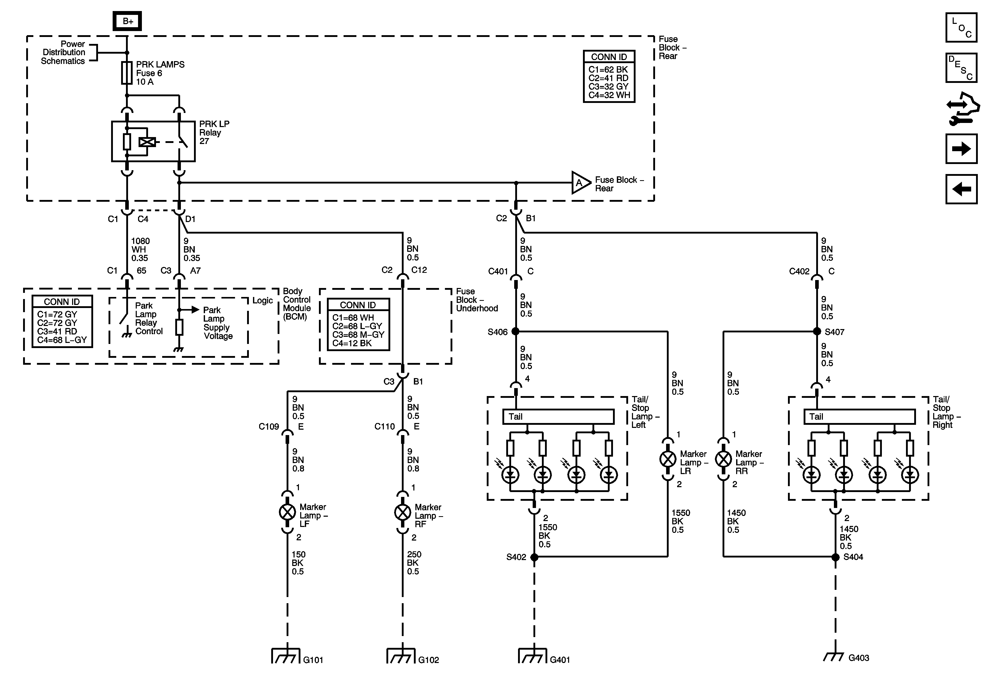
🢒 Marker Lamps and Tail Lamps
Marker Lamps and Tail Lamps
Marker Lamps and Tail Lamps
Master Electrical Component List
Exterior Lighting Systems Description and Operation
Control Module References
Backup Lamps and License Lamps
Turn Signal Lamps
Underhood Fuse Block RUN RLY, RBEC2, Body Control Module (BCM), HVAC BLOWER, HVAC CTRL (IGN) Rear Fuse Block, DRV ST, EMISSION 2, FUEL PUMP, PARK LAMPS and TRUNK Fuses
Backup Lamps and License Lamps
G101 and G102
G101 and G102
G401 and G403
G401 and G403