GM Service Manual Online
For 1990-2009 cars only
Makes
🢒
Saturn
🢒
2007
🢒
AURA
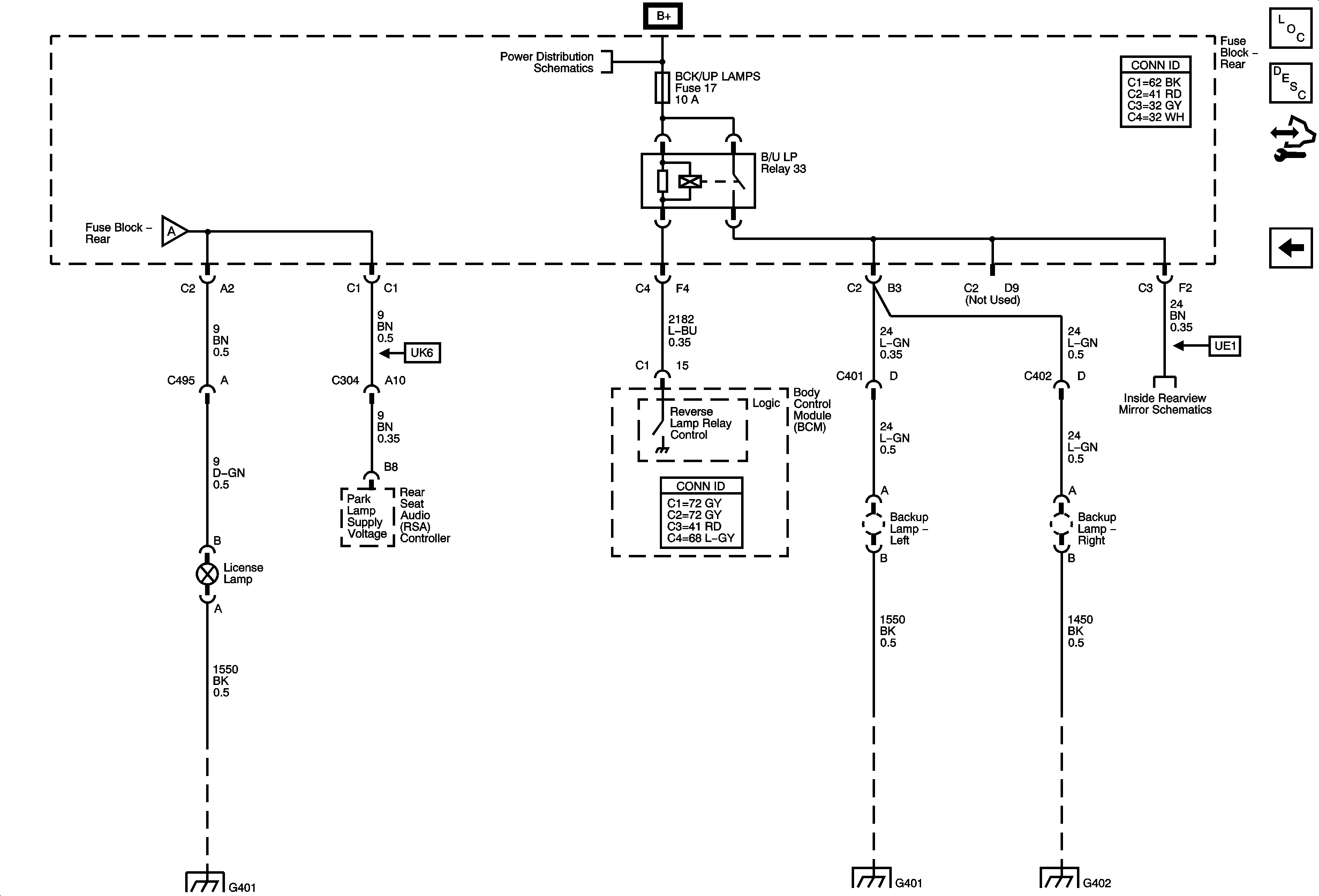
🢒 Backup Lamps and License Lamps
Backup Lamps and License Lamps
Backup Lamps and License Lamps
Master Electrical Component List
Exterior Lighting Systems Description and Operation
Control Module References
Marker Lamps and Tail Lamps
Underhood Fuse Block RBEC1 and Rear Fuse Block , BCK/UP Lamps, CIG/AUX, HTD MIR, HTD SEAT, RKE/XM RR DEFOG and S/ROOF Fuses
Marker Lamps and Tail Lamps
Universal Garage Door Opener
G305
Inside Rearview Mirror Schematics
G401 and G403
G305
G401 and G403
G401 and G403
G401 and G403