GM Service Manual Online
For 1990-2009 cars only
Makes
🢒
Saturn
🢒
2007
🢒
AURA
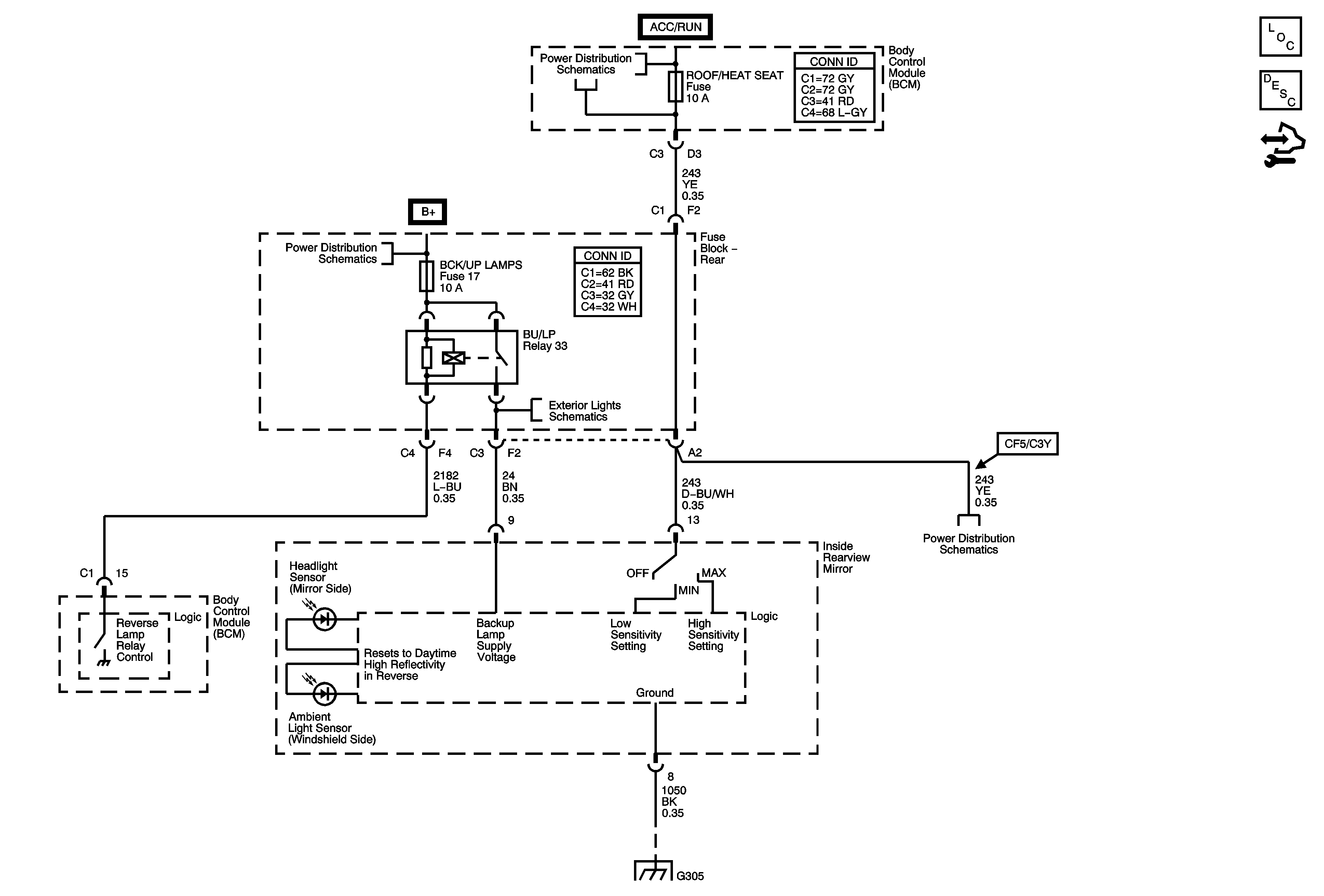
🢒 Inside Rearview Mirror Schematics
Inside Rearview Mirror Schematics
Master Electrical Component List
Automatic Day-Night Mirror Description and Operation
Control Module References
Underhood Fuse Block IBCM 2, BATTERY SENSE, Body Control Module (BCM), ACCESSORY Relay, DOOR LOCK, INTERIOR LIGHTS, POWER WINDOWS, ROOF/HEAT SEAT and WIPER SW Fuses
Underhood Fuse Block RBEC1 and Rear Fuse Block , BCK/UP Lamps, CIG/AUX, HTD MIR, HTD SEAT, RKE/XM RR DEFOG and S/ROOF Fuses
Backup Lamps and License Lamps
Underhood Fuse Block IBCM 2, BATTERY SENSE, Body Control Module (BCM), ACCESSORY Relay, DOOR LOCK, INTERIOR LIGHTS, POWER WINDOWS, ROOF/HEAT SEAT and WIPER SW Fuses
G305
G305