GM Service Manual Online
For 1990-2009 cars only
Makes
🢒
Saturn
🢒
2007
🢒
AURA
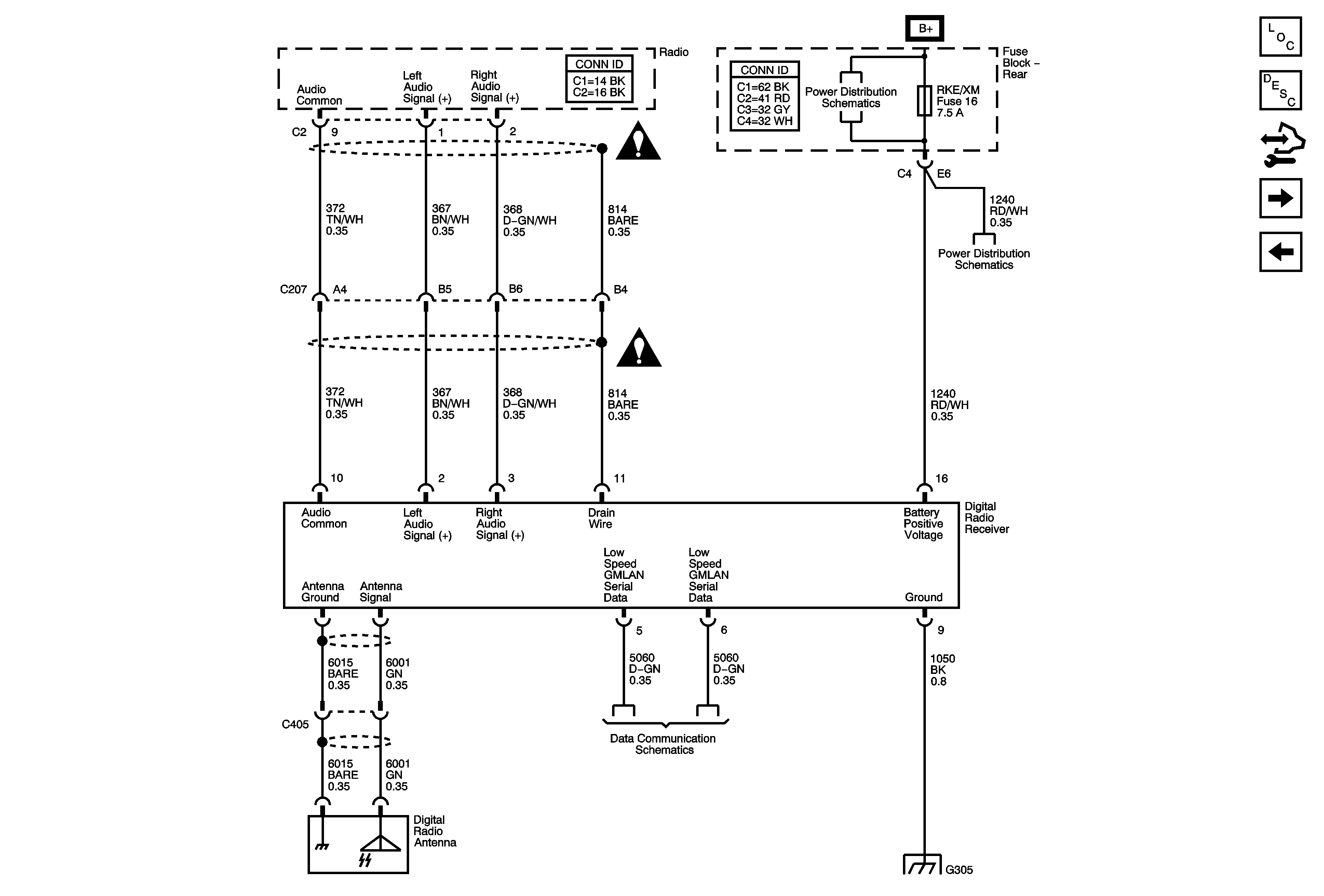
🢒 Digital Radio Receiver
Digital Radio Receiver
Digital Radio Receiver
Master Electrical Component List
Radio/Audio System Description and Operation
Control Module References
Redundant Radio Controls
Rear Seat Audio (RSA) Controller
Entertainment/Communication Schematic Icons
Entertainment/Communication Schematic Icons
Low Speed Serial Data
G305