GM Service Manual Online
For 1990-2009 cars only
Makes
🢒
Saturn
🢒
2007
🢒
AURA
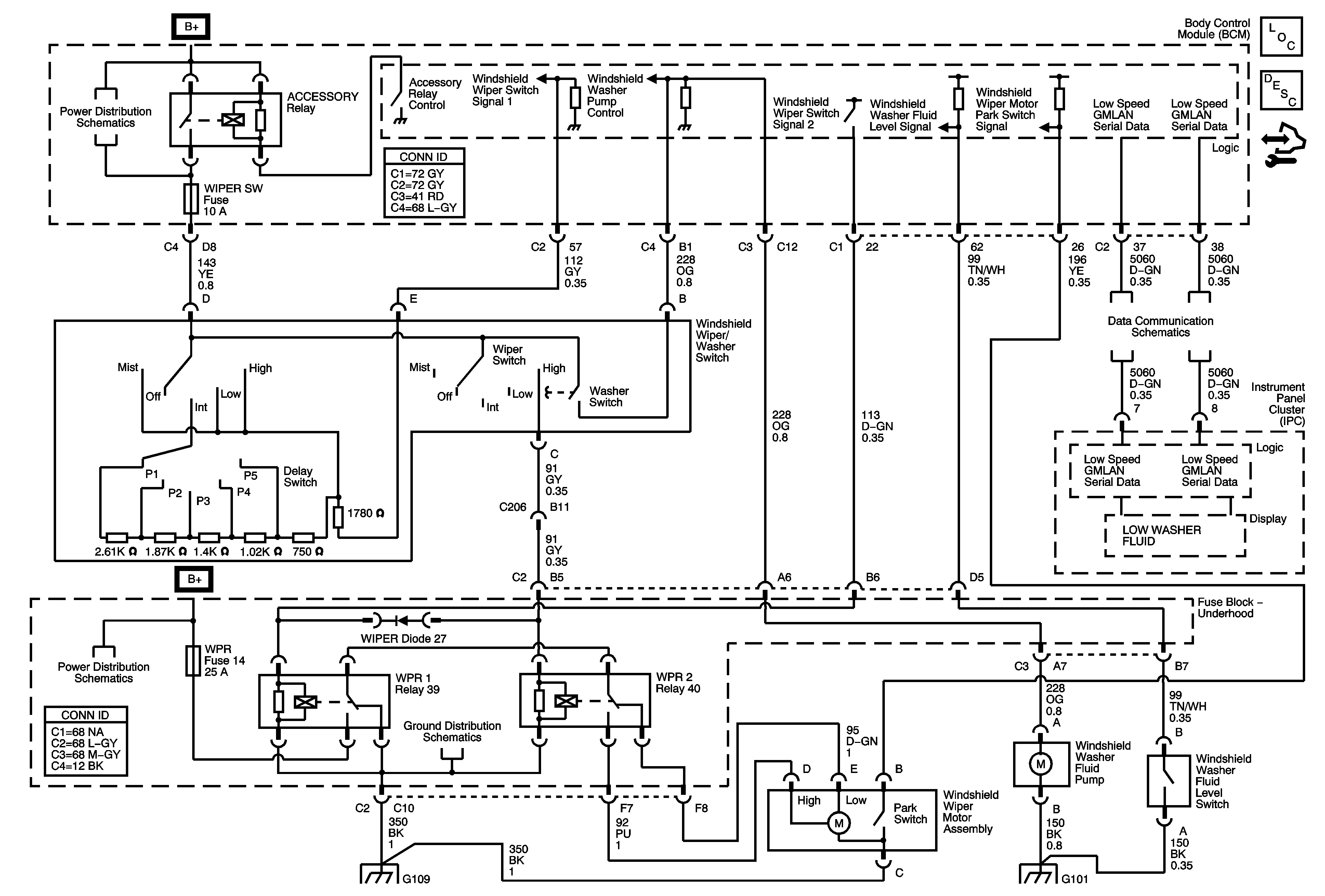
🢒 Wiper/Washers Schematics
Wiper/Washers Schematics
Master Electrical Component List
Wiper/Washer System Description and Operation
Control Module References
Underhood Fuse Block IBCM 2, BATTERY SENSE, Body Control Module (BCM), ACCESSORY Relay, DOOR LOCK, INTERIOR LIGHTS, POWER WINDOWS, ROOF/HEAT SEAT and WIPER SW Fuses
Low Speed Serial Data
B+ Bus
G109
G101 and G102