GM Service Manual Online
For 1990-2009 cars only
Makes
🢒
Saturn
🢒
2007
🢒
AURA
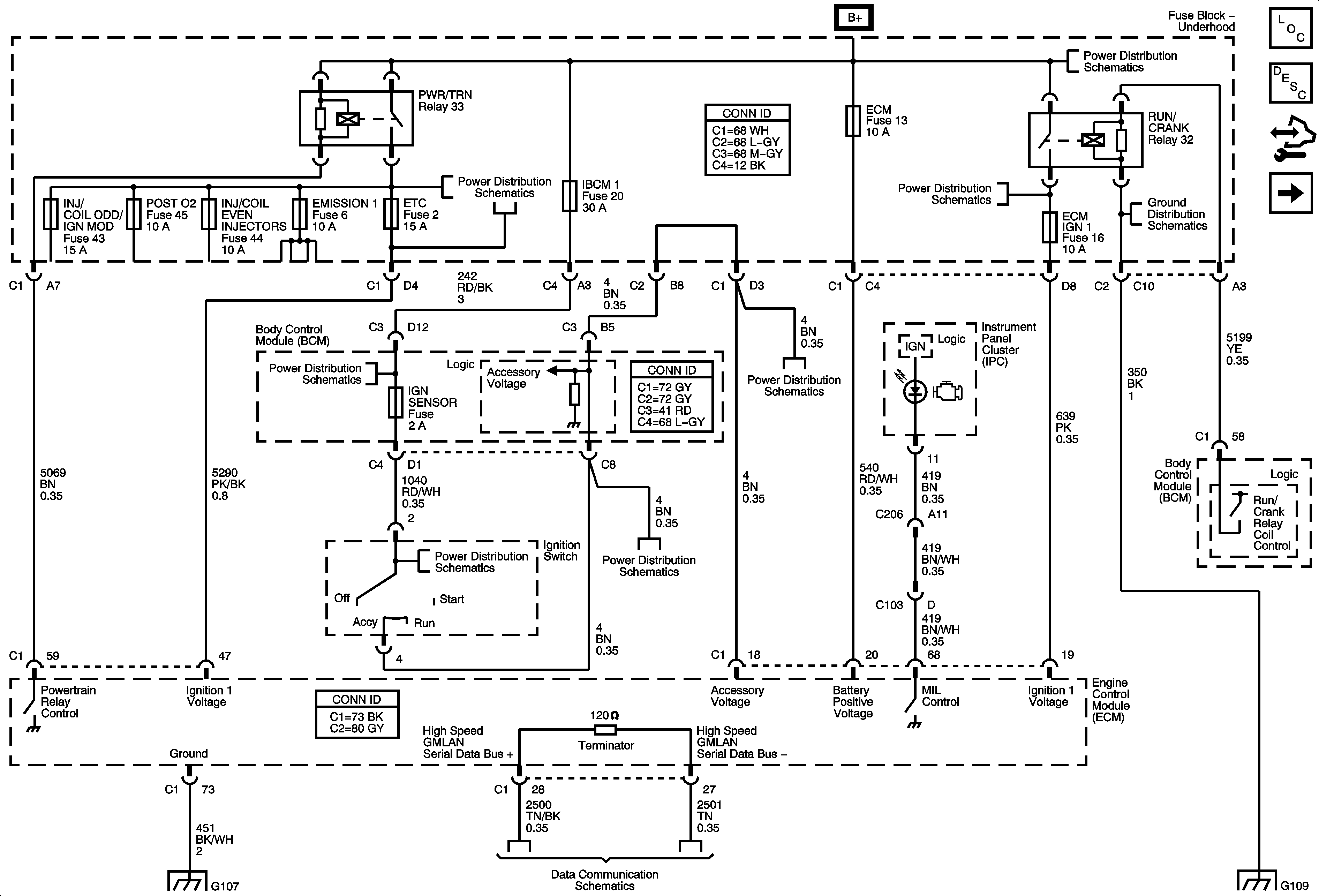
🢒 Power, Ground, Serial Data and MIL
Power, Ground, Serial Data and MIL
Power, Ground, Serial Data and MIL
Master Electrical Component List
Engine Control Module Description
Control Module References
5-Volt and Low References
Underhood Fuse Block A/C Clutch and PWR/TRN Relays, A/C CLU, EMISSION 1, INJ/COIL ODD/IGN/MOD, INJECTORS INJ COIL/EVEN and POST 02 Fuses and ETC Fuses
Underhood Fuse Block RUN/CRANK Relay, ABS, BAS PMP MAF, ECM IGN 1, IGN 1 ECM IGN 1 BAS IGN and TRANS Fuses
Underhood Fuse Block RUN/CRANK Relay, ABS, BAS PMP MAF, ECM IGN 1, IGN 1 ECM IGN 1 BAS IGN and TRANS Fuses
Underhood Fuse Block IBCM1, Body Control Module (BCM) AIRBAG (BATT), CLUSTER/THEFT, HVAC CTRL (BATT), IGN SENSOR and RADIO Fuses
Underhood Fuse Block IBCM1, Body Control Module (BCM) AIRBAG (BATT), CLUSTER/THEFT, HVAC CTRL (BATT), IGN SENSOR and RADIO Fuses
Underhood Fuse Block IBCM1, Body Control Module (BCM) AIRBAG (BATT), CLUSTER/THEFT, HVAC CTRL (BATT), IGN SENSOR and RADIO Fuses
Power, Ground and High Speed Serial Data
G109