GM Service Manual Online
For 1990-2009 cars only
Makes
🢒
Saturn
🢒
2008
🢒
Astra
🢒
Engine
🢒
Engine Mechanical - 1.8L (2H0)
🢒 Engine Mechanical Schematics
Master Electrical Component List
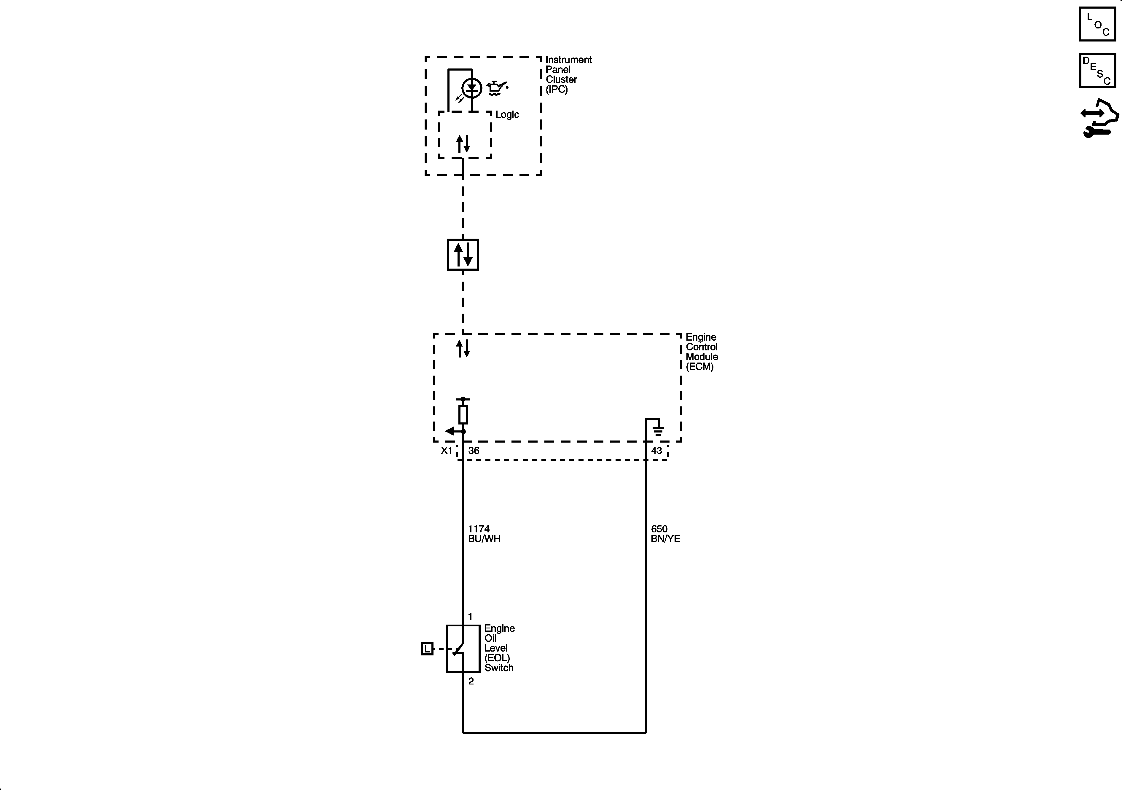
Engine Control Module Description
Control Module References
Power, Ground, Class 2, and GM Low Speed Serial Data (CAN A)