GM Service Manual Online
For 1990-2009 cars only
Makes
🢒
Saturn
🢒
2008
🢒
Astra
🢒
Diagnostic Navigation
🢒
Vehicle Diagnostic Information
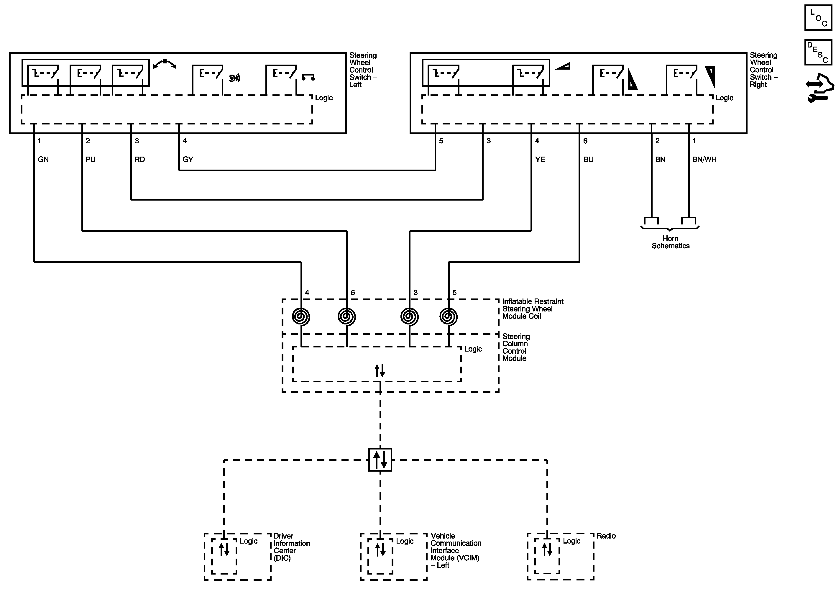
🢒 Steering Wheel Secondary/Configurable Control Schematics
Master Electrical Component List
Steering Wheel Controls Description and Operation
Control Module References
Horns
Power, Ground, Class 2, and GM Low Speed Serial Data (CAN A)