GM Service Manual Online
For 1990-2009 cars only
Makes
🢒
Saturn
🢒
2008
🢒
Astra
🢒
Body Systems
🢒
Wipers and Washers
🢒 Wiper/Washer Schematics
Figure
1:
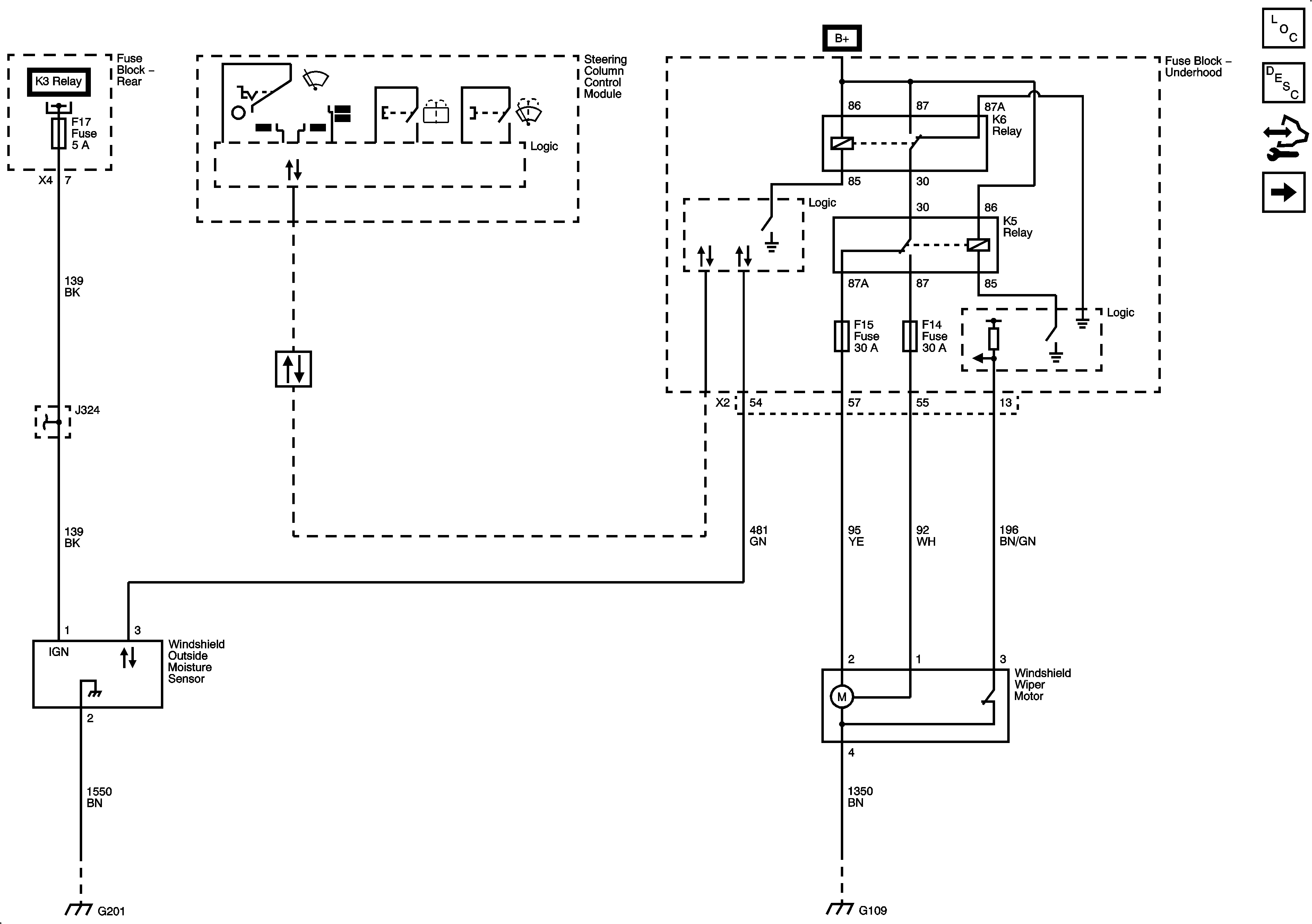
Switching, Windshield Outside Moisture Sensor, and Windshield Wiper Motor
Master Electrical Component List
Wiper/Washer System Description and Operation
Control Module References
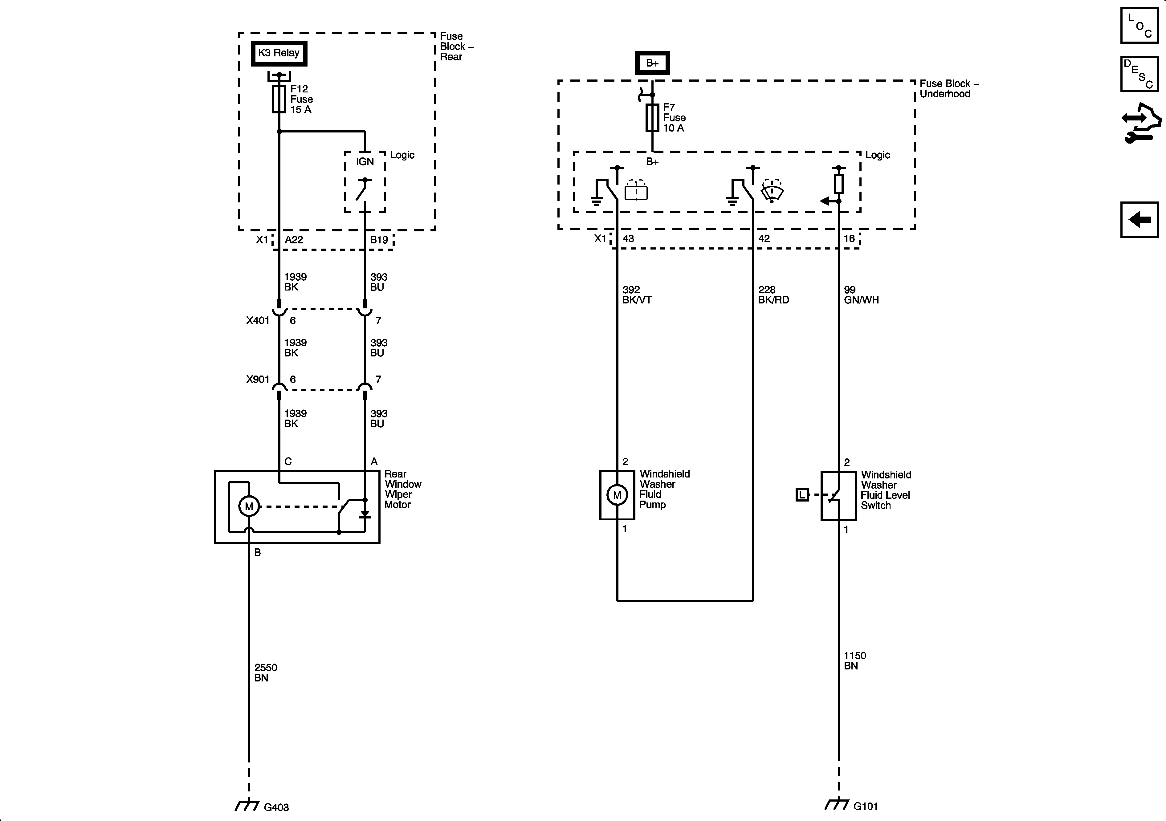
Rear Window Wiper Motor, Windshield Washer Fluid Pump, and Windshield Washer Fluid Level Switch
B+ Bus 1 of 2
Fuse Block - Rear F40, F39, F14, F16, F17, F18 and F12 Fuses
B+ Bus 2 of 2
Power, Ground, Class 2, and GM Low Speed Serial Data (CAN A)
G201 and G202
G109 and G110
Figure
2:
Rear Window Wiper Motor, Windshield Washer Fluid Pump, and Windshield Washer Fluid Level Switch
Master Electrical Component List
Rear Wiper/Washer System Description and Operation
Control Module References
Switching, Windshield Outside Moisture Sensor, and Windshield Wiper Motor
Fuse Block - Rear F40, F39, F14, F16, F17, F18 and F12 Fuses
B+ Bus 2 of 2
G403
G101 and G102