GM Service Manual Online
For 1990-2009 cars only
Makes
🢒
Saturn
🢒
2008
🢒
Astra
🢒 Hydraulic Brake Schematics
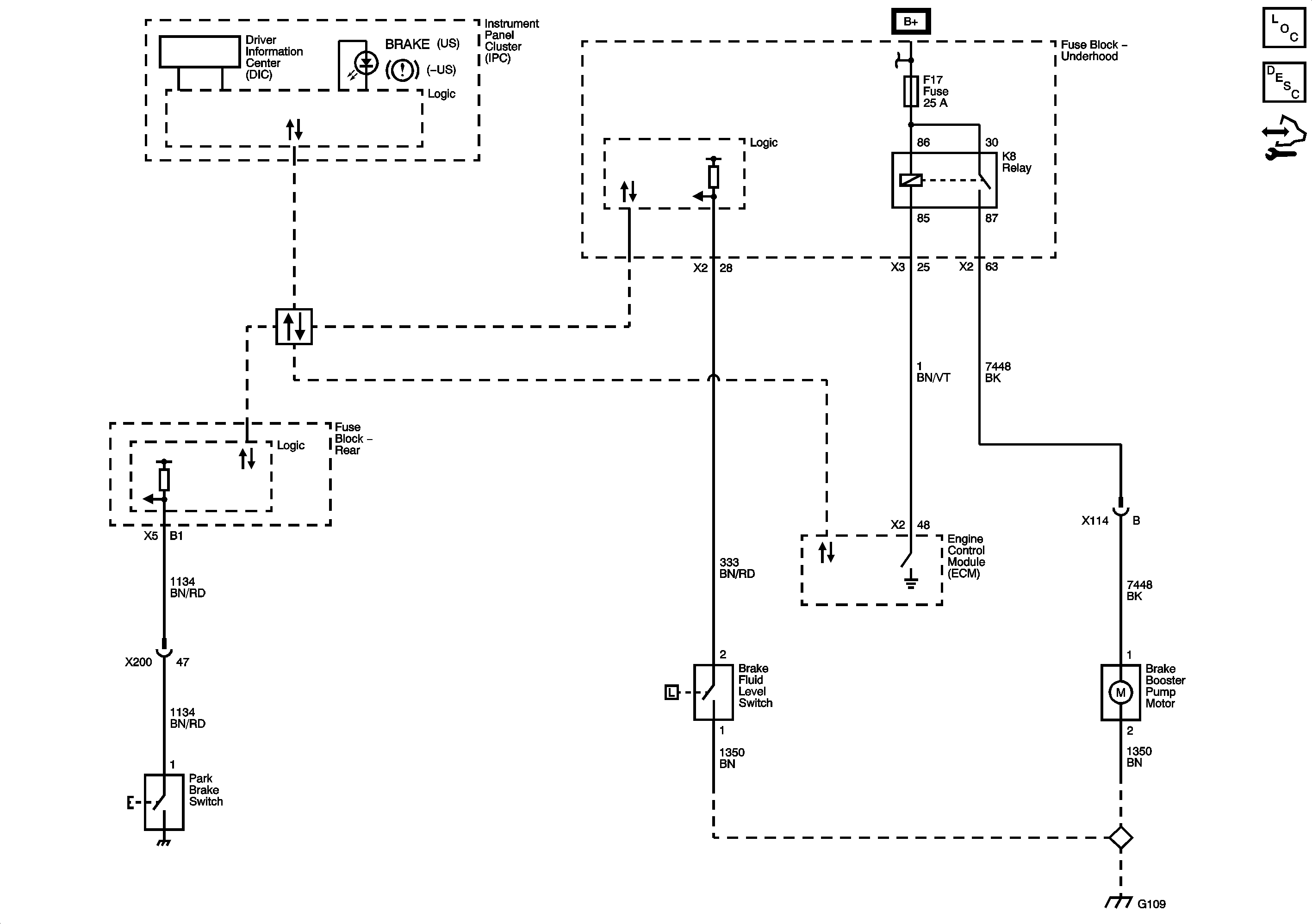
Hydraulic Brake Schematics
Master Electrical Component List
Brake Warning System Description and Operation
Control Module References
B+ Bus 2 of 2
Power, Ground, Class 2, and GM Low Speed Serial Data (CAN A)
G109 and G110