GM Service Manual Online
For 1990-2009 cars only
Makes
🢒
Saturn
🢒
2009
🢒
Astra
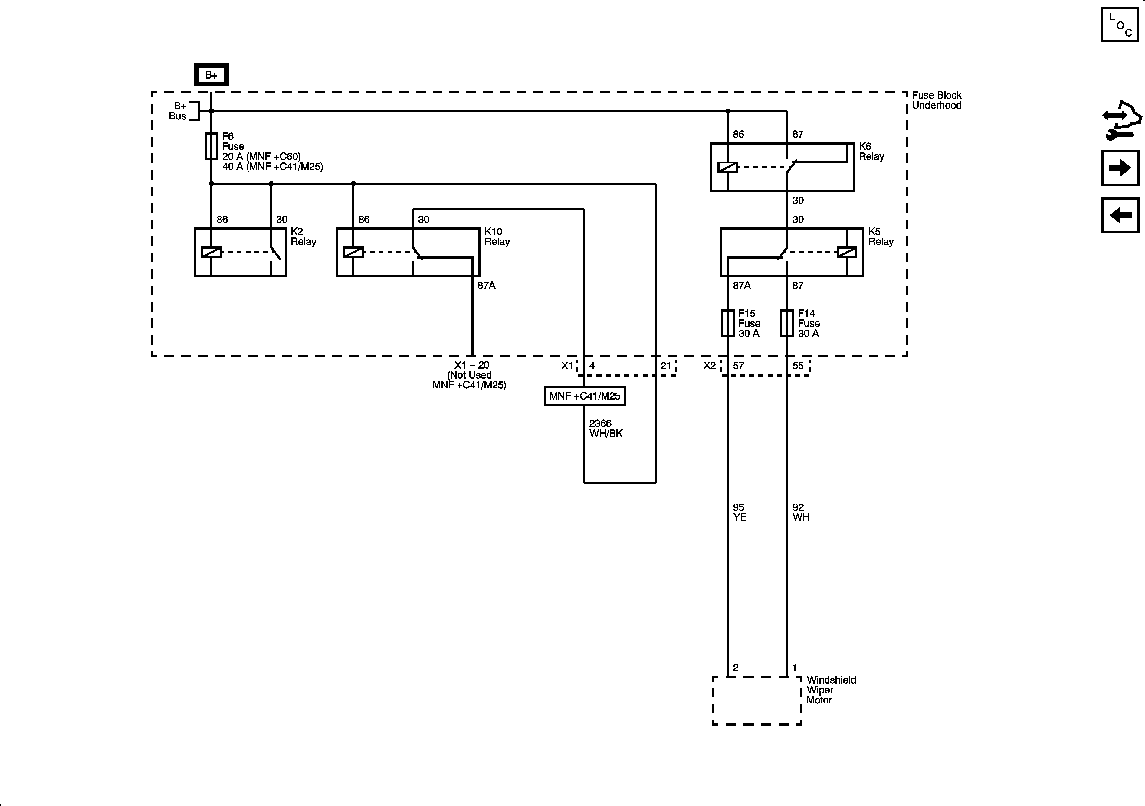
🢒 Fuse Block - Underhood F6, F15, and F14 Fuses
Fuse Block - Underhood F6, F15, and F14 Fuses
Fuse Block - Underhood, F6, F15, and F14 Fuses
Master Electrical Component List
Control Module References
Fuse Block - Rear F29, F34, F22, F4, F24, F3, F23, and F1 Fuses
Fuse Block - Underhood F5, F21, F26, and F32 Fuses
B+ Bus 2 of 2