GM Service Manual Online
For 1990-2009 cars only

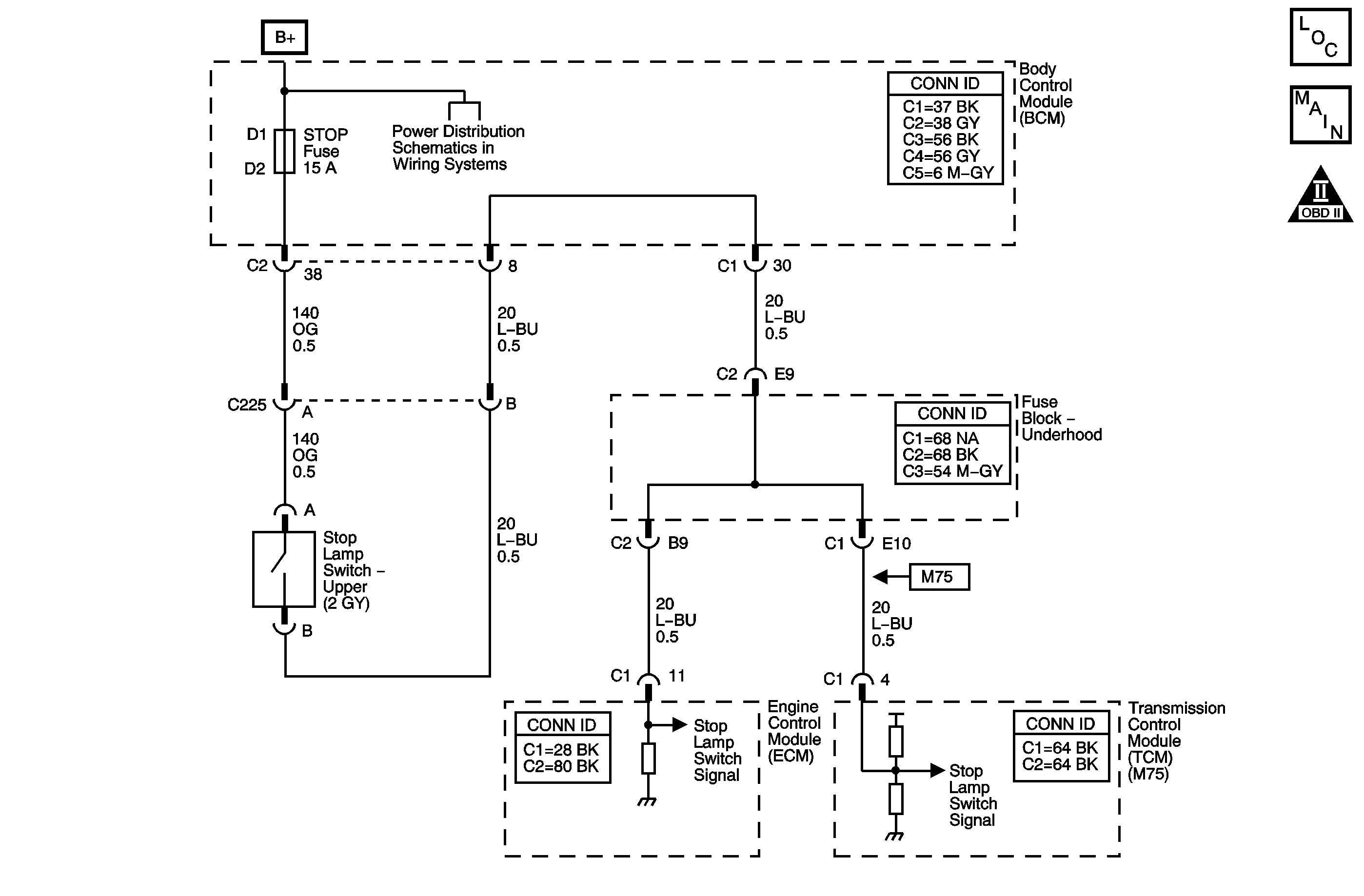
Object Number: 882389  Size: MF
Master Electrical Component List
Automatic Transmission Controls Schematics
OBD II Symbol Description Notice

Circuit Description

The stop lamp switch is used to indicate the status of the brake switch, applied or released, to the transmission control module (TCM). The normally-closed stop lamp switch supplies an ignition voltage input to the TCM. Applying the brake pedal allows the switch to close, thereby applying a voltage to the TCM. Releasing the pedal pushes the brake plunger in and opens the switch, thus interrupting the voltage to the TCM. When the TCM senses ignition voltage at the stop lamp switch input, the TCM de-energizes the TCC pressure control solenoid valve.

If the TCM detects an open stop lamp switch, stuck OFF, during decelerations, the DTC P0719 sets. DTC P0719 is a type C DTC.

Conditions for Running the DTC

    • No OSS DTCs P0722 or P0723.
    • The ignition voltage is 8-18 volts.

Conditions for Setting the DTC

The stop lamp switch input detects low voltage and the following conditions occur 8 times without a status change on the stop lamp switch input:

    • The output shaft speed is greater than 1,400 RPM for 6 seconds, then;
    • The output shaft speed is between 1,400 RPM and 400 RPM for 3 seconds, then;
    • The output shaft speed is less than 400 RPM.

Action Taken When the DTC Sets

    • The TCM does not request the ECM to illuminate the malfunction indicator lamp (MIL).
    • SERVICE VEHICLE message displays on the driver information center (DIC).
    • The TCM defaults to the Controller Area Network brake switch or a calculated brake switch based on the output speed sensor, and the throttle position sensor.
    • The TCM records the operating conditions when the Conditions for Setting the DTC are met. The TCM stores this information as Failure Records.
    • The TCM stores DTC P0719 in TCM history.

Conditions for Clearing the DIC/DTC

    • The TCM clears the DIC message when the condition no longer exists.
    • A scan tool can clear the DIC/DTC.
    • The TCM clears the DTC from TCM history if the vehicle completes 40 warm-up cycles without a non-emission related diagnostic fault occurring.
    • The TCM cancels the DTC default actions when the fault no longer exists and the DTC passes.

Diagnostic Aids

    • Inspect the connectors at the TCM, the transmission, and all other circuit connecting points for an intermittent condition. Refer to Testing for Intermittent Conditions and Poor Connections in Wiring Systems.
    • Inspect the circuit wiring for an intermittent condition. Refer to Testing for Electrical Intermittents in Wiring Systems.

Test Description

The numbers below refer to the step numbers on the diagnostic table.

  1. Disconnecting the brake switch connector, jumping the circuit, and observing a status change, isolates the brake switch as the source of the DTC.

  2. If the battery positive voltage circuit shorts to ground, the brake fuse opens.

  3. Replace the TCM only after you have completed the preceding diagnostic steps.

Step

Action

Values

Yes

No

1

Did you perform the Diagnostic System Check - Engine Controls?

--

Go to Step 2

Go to Diagnostic System Check - Engine Controls in Engine Controls - 2.2L (L61)

2

  1. Install a scan tool.
  2. Turn ON the ignition, with the engine OFF.
  3. Important: 

       • Before clearing the DTC, use the scan tool in order to record the ECM and the TCM Failure Records. Using the Clear Eng./Trans. DTC Info function erases the Failure Records from the ECM and TCM.
       • Using the Clear Eng./Trans. DTC Info function erases stored DTCs in both the ECM and TCM.

  4. Record the DTC Failure Records.
  5. Clear the DTC.
  6. Select Brake Switch on the scan tool.
  7. Disconnect the brake switch connector.
  8. Using the J-35616 Connector Test Adapter Kit, install a fused jumper wire between terminal A and B of the brake switch connector.

Did the brake switch status change from released to applied?

--

Go to Step 6

Go to Step 3

3

  1. Remove the stop fuse.
  2. Test the fuse for an open.

Refer to Circuit Protection - Fuses and Wiring Repairs in Wiring Systems.

Is the fuse open?

--

Go to Step 4

Go to Step 5

4

    Important: The condition that affects this circuit may exist in other connecting branches of the circuit. Refer to Engine Controls Schematics in Engine Controls - 2.2L (L61) for complete circuit distribution.

  1. Test the battery positive voltage circuit (CKT 140) for a short to ground.
  2. Test the stop lamp switch signal circuit (CKT 20) for a short to ground.

Refer to Circuit Testing in Wiring Systems.

Did you find and correct the condition?

--

Go to Step 8

--

5

  1. Test the battery positive voltage circuit (CKT 140) for an open.
  2. Test the stop lamp switch signal (CKT 20) for an open.

Refer to Circuit Testing and Wiring Repairs in Wiring Systems.

Did you find and correct a condition?

--

Go to Step 8

Go to Step 7

6

Replace the brake switch.

Refer to Stop Lamp Switch Replacement in Lighting Systems.

Did you complete the replacement?

--

Go to Step 8

--

7

Replace the TCM. Refer to Transmission Control Module Replacement .

Did you complete the replacement?

--

Go to Step 8

--

8

Perform the following procedure in order to verify the repair:

  1. Select DTC.
  2. Select Clear Info.
  3. Operate the vehicle under the following conditions:
  4. • Turn ON the ignition, with the engine OFF.
    • Apply and release the brake pedal.
    • The TCM must receive 12 volts, brake switch applied, on the signal circuit.
  5. Select Specific DTC.
  6. Enter DTC P0719.

Has the test run and passed?

--

Go to Step 9

Go to Step 2

9

With the scan tool, observe the stored information, capture info and DTC info.

Does the scan tool display any DTCs that you have not diagnosed?

--

Go to Diagnostic Trouble Code (DTC) List in Engine Controls - 2.2L (L61)

System OK